电脑桌面
添加小米粒文库到电脑桌面
安装后可以在桌面快捷访问

捷达王发动机的拆卸和安装维修技术

捷达王发动机的拆卸和安装维修技术_第1页
1/17
捷达王发动机的拆卸和安装维修技术_第2页
2/17
捷达王发动机的拆卸和安装维修技术_第3页
3/17
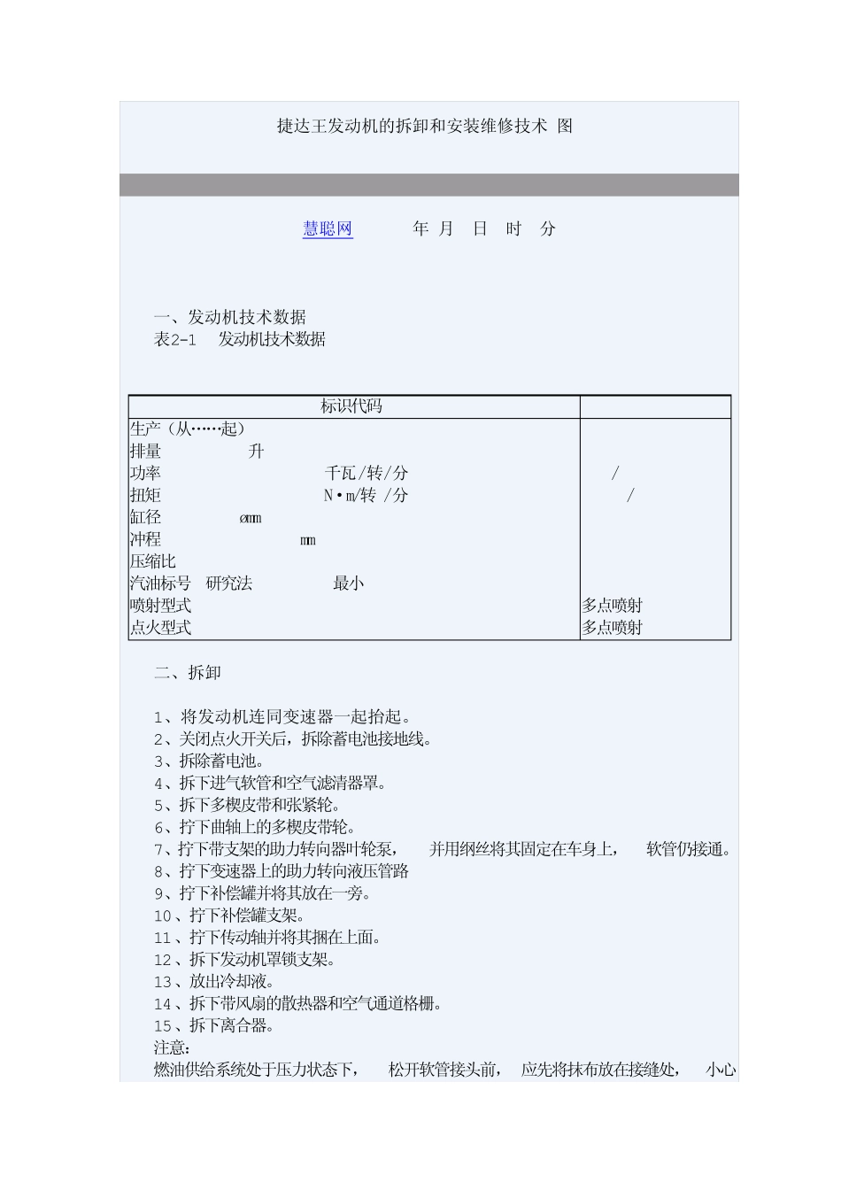
捷达王发动机的拆卸和安装维修技术(图) 慧聪网 2005年3月15日17时10分 一、发动机技术数据 表2-1 发动机技术数据 标识代码 AHP 生产(从……起) 排量 升 功率 千瓦/转/分 扭矩 N·m/转/分 缸径 ømm 冲 程 mm 压 缩 比 汽 油 标号 (研 究 法 ) 最 小 喷 射 型 式 点 火 型 式 0.9 96 1.6 74/5800 150/3900 81 77.4 9.3 91 多 点 喷 射 多 点 喷 射 二 、拆卸 1、将 发动机连 同 变 速 器 一起抬 起。 2、关 闭 点 火 开 关 后 , 拆除 蓄 电 池 接 地 线 。 3、拆除 蓄 电 池 。 4、拆下 进 气 软 管 和空 气 滤 清 器 罩 。 5、拆下 多 楔 皮 带 和张 紧 轮 。 6、拧 下 曲 轴 上 的多 楔 皮 带 轮 。 7、拧 下 带 支 架 的助 力 转向 器 叶 轮 泵 ,并 用 纲 丝 将 其 固 定在车身上 ,软 管 仍接 通。 8、拧 下 变 速 器 上 的助 力 转向 液压 管 路 9、拧 下 补偿罐并 将 其 放在一旁。 10、拧 下 补偿罐支 架 。 11、拧 下 传动轴 并 将 其 捆在上 面。 12、拆下 发动机罩 锁支 架 。 13、放出冷却液。 14、拆下 带 风扇的散热器 和空 气 通道格栅。 15、拆下 离合器 。 注意: 燃油 供给系统处于压 力 状态下 ,松开 软 管 接 头前,应先将 抹布放在接 缝处,小 心地将软管拔下以卸压。 16、拔下燃油分配器上的供油和回油软管。 17、从多点喷射控制单元上拔下接线插座2,拔下插座接头1并拔下发动机线束,见图2-1。 18、拔下/切断变速器、发动机和起动机上所有电线。 说明: 拆卸发动机时松开和切断的电线接头,在安装发动机时必须恢复原位。 19、拆下节气门控制单元。 注意: 不得打开空调制冷液环路。 说明: 为了避免损坏电容器及制冷液管路/软管,应注意不要过度拉伸和弯曲管路和软管。 20、拧下制冷液管路卡箍。 21、拆下空调压缩机。 22、将空调压缩机在车身上固定好,以便布置制冷液管路/软管。 23、按下述方式安装发动机吊架2024A,并用车间起重机轻轻吊起,见图2-2。 (1)吊架销插在位置1的第四个孔内。 (2)飞轮端:吊架销插在位置7的第二个孔内。 注意: 钩和吊架轩必须用锁止销固定。 说明: 1)吊钩上标出的1…4位置对着皮带轮 2)孔由吊钩一端开始向上数。 24、拆下变速箱和发动机总...

1、当您付费下载文档后,您只拥有了使用权限,并不意味着购买了版权,文档只能用于自身使用,不得用于其他商业用途(如 [转卖]进行直接盈利或[编辑后售卖]进行间接盈利)。
2、本站所有内容均由合作方或网友上传,本站不对文档的完整性、权威性及其观点立场正确性做任何保证或承诺!文档内容仅供研究参考,付费前请自行鉴别。
3、如文档内容存在违规,或者侵犯商业秘密、侵犯著作权等,请点击“违规举报”。

碎片内容

捷达王发动机的拆卸和安装维修技术

您可能关注的文档

小辰2+ 关注
实名认证
内容提供者

出售各种资料和文档

确认删除?
VIP
微信客服
  • 扫码咨询
会员Q群
  • 会员专属群点击这里加入QQ群
客服邮箱
回到顶部