电脑桌面
添加小米粒文库到电脑桌面
安装后可以在桌面快捷访问

接地电阻测试记录

接地电阻测试记录_第1页
1/20
接地电阻测试记录_第2页
2/20
接地电阻测试记录_第3页
3/20
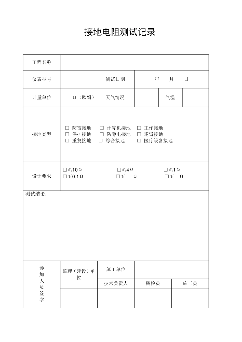
接地电阻测试记录 工程名称 仪表型号 测试日期 年 月 日 计量单位 Ω(欧姆) 天气情况 气温 接地类型 □ 防雷接地 □ 保护接地 □ 重复接地 □ 计算机接地 □ 防静电接地 □ 综合接地 □ 工作接地 □ 逻辑接地 □ 医疗设备接地 设计要求 □≤1 0 Ω □≤4 Ω □≤1 Ω □≤0 .1 Ω □≤ Ω □≤ Ω 测试结论: 参 加 人 员 签 字 监理(建设)单位 施工单位 技术负责人 质检员 施工员 电梯安装工程设备进场质量验收记录表 GB50310—2002 单位(子单位)工程名称 天伦·湖滨领地 分部(子分部)工程名称 电梯安装工程 验收部位 施工单位 潜江市凌云电梯工程有限公司 项目经理 分包单位 分包项目经理 施工执行标准名称及编号 电梯工程施工质量验收规范 GB50310-2002 施工质量验收规范的规定 施工单位检查 评定记录 监理(建设) 单位验收记录 主控项目 1 随机文件必须包括 (1)土建布置图 第 4.1.1 条 第 5.1.1 条 有 (2)产品出厂合格证 有 (3)门锁装置、退速器、安全钳及缓冲器的型式试验证书复印件 有 一般项目 1 随机文件还应包括 (1)装箱单 第 4.1.2 条 第 5.1.2 条 有 (2)安装、使用维护说明书 有 (3)动力和安全电路的电气原理图 有 (4)液压系统原理图 有 2 设备零部件与装箱单 内容相符 相符 3 设备外观 无明显损坏 无损坏 施工单位检查评定结果 专业工长(施工员) 施工班组长 项目专业质量检查员: 年 月 日 监理(建设)单位验收结论 专业监理工程师: (建设单位项目专业技术负责人) 年 月 日 电梯安装土建交接质量验收记录表 GB50310—2002 单位(子单位)工程名称 天伦·湖滨领地 分部(子分部)工程名称 电梯安装工程 验收部位 施工单位 潜江市凌云电梯工程有限公司 项目经理 分包单位 分包项目经理 施工执行标准名称及编号 电梯工程施工质量验收规范 GB50310-2002 施工质量验收规范的规定 施工单位检查评定记录 监理(建设) 单位验收记录 主控项目 1 机房内部、井道土建(钢架)结构布置 必须符合电梯土建布置图要求 符合要求 2 主电源开关 第 4.2.2 条 符合要求 3 井道 第 4.2.3 条 符合要求 一般项目 1 机房还应符合的规定 第 4.2.4 条 符合要求 2 井道还应符合的规定 第 4.2.5 条 符合要求 施工单位检查评定结果 专业工长...

1、当您付费下载文档后,您只拥有了使用权限,并不意味着购买了版权,文档只能用于自身使用,不得用于其他商业用途(如 [转卖]进行直接盈利或[编辑后售卖]进行间接盈利)。
2、本站所有内容均由合作方或网友上传,本站不对文档的完整性、权威性及其观点立场正确性做任何保证或承诺!文档内容仅供研究参考,付费前请自行鉴别。
3、如文档内容存在违规,或者侵犯商业秘密、侵犯著作权等,请点击“违规举报”。

碎片内容

接地电阻测试记录

小辰7+ 关注
实名认证
内容提供者

出售各种资料和文档

确认删除?
VIP
微信客服
  • 扫码咨询
会员Q群
  • 会员专属群点击这里加入QQ群
客服邮箱
回到顶部