电脑桌面
添加小米粒文库到电脑桌面
安装后可以在桌面快捷访问

现场管理类隐患排查治理清单

现场管理类隐患排查治理清单_第1页
1/105
现场管理类隐患排查治理清单_第2页
2/105
现场管理类隐患排查治理清单_第3页
3/105
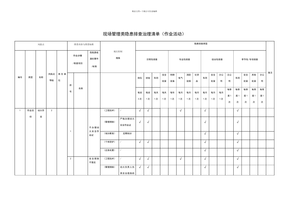
精品文档---下载后可任意编辑现场管理类隐患排查治理清单(作业活动)风险点排查内容与排查标准现行控制措施隐患排查类型备注编号类型名称风险点等级责 任 单位作业步骤/检查项目危险源或潜在事件/标准日常性排查专业性排查综合性排查季节性/专项排查序号名称岗位班组车间安全处室特种设备电气消防设施化学品车间安全处室分公司总公司车间安全处室其他处室分公司每班3 次每班1 次每天1 次每天1 次每年1 次每月1 次每月1 次每月1 次每月1 次每月1 次每月1 次每季度 1次每季度 1次每季度 1次每季度 1次每季度 1次1作业活动动火作业21不 办 理 动火 安 全 作业证(工程技术)/√√√√√(管理措施)严格办理动火安全作业证√√√√(培训教育)定期培训√√(个体防护)/√√√√(应急处置)/√√2安 全 措 施不落实(工程技术)/√√√√√(管理措施)动火负责人负责安全措施的√√√√精品文档---下载后可任意编辑落实(培训教育)现场培训√√(个体防护)安全带、防护面罩、电焊手套、劳保鞋√√√√(应急处置)定期进行应急处理的演练√√3没 有 安 排监护人(工程技术)/√√√√√(管理措施)安排责任心强有经验的人员进行监护√√√√(培训教育)现场培训√√(个体防护)/√√√√(应急处置)/√√4检 修 的 设备 、 管 线清 洗 置 换不合格(工程技术)/√√√√√(管理措施)① 动火设备、管道内的物料清洗、置换,经分析合格;②储罐动火,清除易燃物,置 换 检 测 合√√√√精品文档---下载后可任意编辑格;(培训教育)定期培训√√(个体防护)便携式氧气、可燃气体检测仪√√√√(应急处置)/√√5火 星 串 入其 它 设 备或 易 燃 物侵 入 动 火设备(工程技术)/√√√√(管理措施)安排专人进行加盲板或者拆除一段管线进行隔绝并挂牌√√√√(培训教育)定期培训√√(个体防护)/√√√√(应急处置)定期演练√√6作 业 周 围下 水 道 、井 盖 没 封堵 、 易 燃杂 物 没 清理(工程技术)/√√√√√√(管理措施)① 清除动火点周围易燃物,动火附近的下水井、地漏、地沟、电缆沟等清除易燃后予封闭。②电√√√√√√精品文档---下载后可任意编辑缆沟动火,清除沟内易燃气体、液体,必要时将沟两端隔绝。(培训教育)定期培训√√√(个体防护)/√√√√√√(应急处置)/√√√7涉 及 登高 、 受 限空 间 作 业未 办 理 相...

1、当您付费下载文档后,您只拥有了使用权限,并不意味着购买了版权,文档只能用于自身使用,不得用于其他商业用途(如 [转卖]进行直接盈利或[编辑后售卖]进行间接盈利)。
2、本站所有内容均由合作方或网友上传,本站不对文档的完整性、权威性及其观点立场正确性做任何保证或承诺!文档内容仅供研究参考,付费前请自行鉴别。
3、如文档内容存在违规,或者侵犯商业秘密、侵犯著作权等,请点击“违规举报”。

碎片内容

现场管理类隐患排查治理清单

确认删除?
VIP
微信客服
  • 扫码咨询
会员Q群
  • 会员专属群点击这里加入QQ群
客服邮箱
回到顶部