电脑桌面
添加小米粒文库到电脑桌面
安装后可以在桌面快捷访问

机修钳工实操

机修钳工实操_第1页
1/10
机修钳工实操_第2页
2/10
机修钳工实操_第3页
3/10
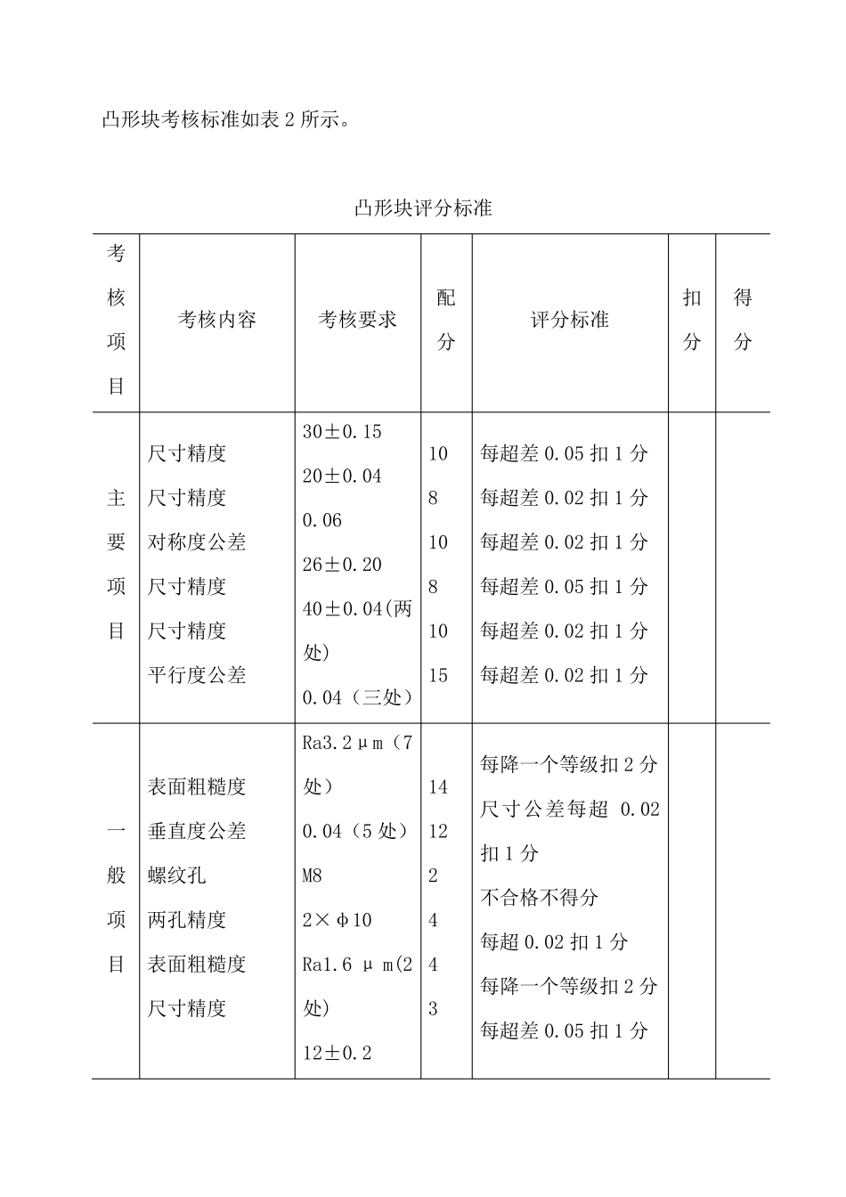
一、制作凸形块 如图所示加工凸形块。 其余 凸形块 1.备料:按备料图纸备料。 2.工量具 划线平台、方箱、游标高度尺、样冲、手锤、千分尺、游标卡尺、万能角度尺、锉刀、弓锯、刀口角尺、台钻、钻头、丝锥等。 3.根据所备材料首先选择两基准面。 4.划线 步骤: (1)准备好划线所用的工量具,并对工件表面进行清理。 (2)划线:首先根据图 2 分别划出各已知水平位置线和垂直位置线,然后用样冲在 10mm 及 M8 螺纹孔的圆心上冲眼,为钻孔做准备。 5.钻孔和攻丝:在 10mm 及M8 螺纹孔的圆心处钻孔,并在φ8mm 孔处进行攻丝。 6.锯:根据图纸及划线将余量过大之处锯掉,注意留出锉削余量。 7.锉:根据图纸及划线进行锉削,锉的过程中注意尺寸的测量和检验。 8.检验:对加工的凸形块进行整体检验,至符合标准为止。 9.考核标准 凸形块考核标准如表2 所示。 凸形块评分标准 考核项目 考核内容 考核要求 配 分 评分标准 扣分 得分 主 要 项 目 尺寸精度 尺寸精度 对称度公差 尺寸精度 尺寸精度 平行度公差 30±0.15 20±0.04 0.06 26±0.20 40±0.04(两处) 0.04(三处) 10 8 10 8 10 15 每超差0.05 扣1 分 每超差0.02 扣1 分 每超差0.02 扣1 分 每超差0.05 扣1 分 每超差0.02 扣1 分 每超差0.02 扣1 分 一 般 项 目 表面粗糙度 垂直度公差 螺纹孔 两孔精度 表面粗糙度 尺寸精度 Ra3.2μm(7处) 0.04(5 处) M8 2×φ10 Ra1.6 μ m(2处) 12±0.2 14 12 2 4 4 3 每降一个等级扣2 分 尺寸公差每超 0.02扣1 分 不合格不得分 每超 0.02 扣1 分 每降一个等级扣2 分 每超差0.05 扣1 分 安 全 及 文 明 生 产 1、 按国家颁布的有关法规或行业(企业)的规定 2、 按行业(企业)自定的有关规定 扣分不超过10 分 工 时 定 额 3h 根据超工时定额情况扣分 二、锉配T 形体 一、工件图样 工件图如图1 所示。 三、使用的刀具、量具 划针,游标卡尺,游标高度尺,千分尺,钻头,刀口形直尺,塞尺,整形锉,异形锉,钳工锉等。 四、实训步骤 (1)T 形体加工 ①划线锉正四方,达到尺寸公差、垂直度、平面度、表面粗糙度的要求。 ②粗、细锉 A、B 面,使 AB 面垂直度和大平面的垂直度都控制在 0.02mm范围内,再以 A、B 两基面作划线基准,划出 T 形体各平面加工线条。 图1 锉配T 形体 ③按...

1、当您付费下载文档后,您只拥有了使用权限,并不意味着购买了版权,文档只能用于自身使用,不得用于其他商业用途(如 [转卖]进行直接盈利或[编辑后售卖]进行间接盈利)。
2、本站所有内容均由合作方或网友上传,本站不对文档的完整性、权威性及其观点立场正确性做任何保证或承诺!文档内容仅供研究参考,付费前请自行鉴别。
3、如文档内容存在违规,或者侵犯商业秘密、侵犯著作权等,请点击“违规举报”。

碎片内容

机修钳工实操

确认删除?
VIP
微信客服
  • 扫码咨询
会员Q群
  • 会员专属群点击这里加入QQ群
客服邮箱
回到顶部