电脑桌面
添加小米粒文库到电脑桌面
安装后可以在桌面快捷访问

机械制造技术基础期末简答题复习汇编

机械制造技术基础期末简答题复习汇编_第1页
1/10
机械制造技术基础期末简答题复习汇编_第2页
2/10
机械制造技术基础期末简答题复习汇编_第3页
3/10
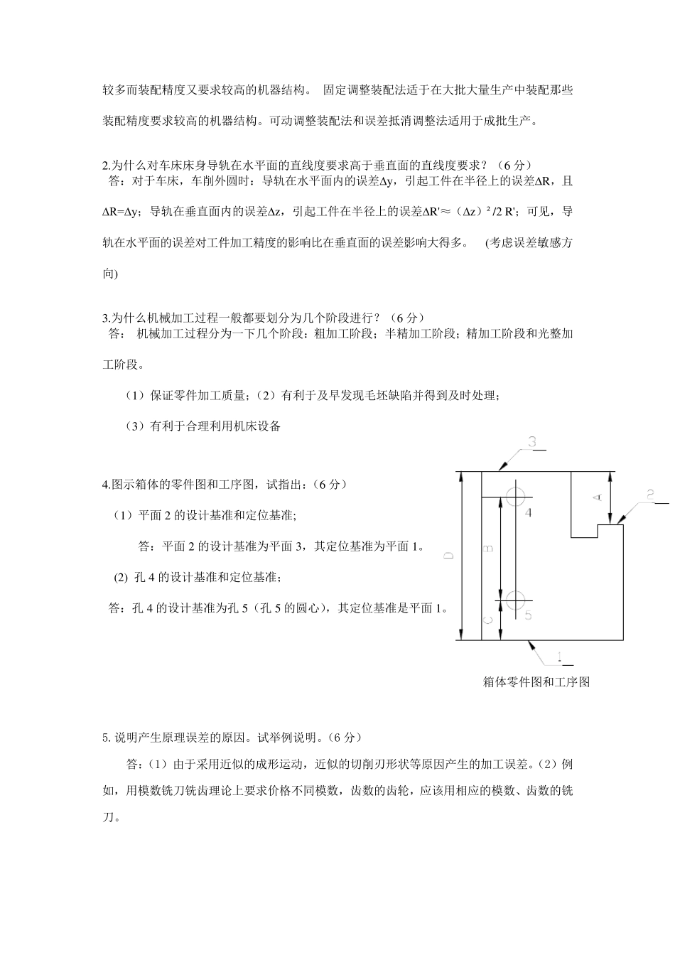
1. 已加工表面变形对表面质量的影响有哪些? 答:对表面质量的影响有三个方面:(1)加工硬化。(2)残余应力。(3)表面粗糙度。 2. 简述合理前角的选择因素有哪些?并说出如何选择前角的大小? 答:选择因素有工件材料、粗、精加工、刀具材料。 工件材料强度高、硬度大选用小前角,反之选大前角。加工塑性材料前角增大,加工脆性材料前角减小。粗加工、断续切削,取小前角,精加工应取大前角。刀具材料韧性好,抗弯强度大,取大前角,反之,取小前角。 3. 请写出下列机床型号的含义。 T6112 Z3040 答:T6112 卧式镗床,镗轴直径 120 毫米。 Z3040 摇臂钻床,最大钻孔直径 40 毫米。 4. 什么是工序?划分工序的主要依据是什么? 答:工序是指一个或一组工人,在一个工作地对一个或同时对几个工件所连续完成的那部分工艺过程。划分工序的主要依据是工作地点是否改变和加工是否连续。 5. 什么是装夹、定位和夹紧? 答:装夹是工件在机床或夹具中定位夹紧的过程。定位是确定工件在机床上或夹具中有正确位置的过程,夹紧是工件定位后将其固定,使其在加工中保持定位位置不变的操作。 6. 何谓加工精度?它有哪几部分组成? 答:加工精度是指加工后零件在形状、尺寸、表面相 互 位置等 方面与 理想 零件的符 合程度。 它由 尺寸精度、形状精度和位置精度组成。 1 .利 用尺寸链 达 到 机器 或部件装配 精度的主要方法 有哪几种 ?每 种 的应用范 围 。(7 分) 答: 互 换 装配 法 、分组装配 法 、修 配 装配 法 、调 整 装配 法 完全 互 换 装配 法 适 于 在成批 生 产 、大量生 产 中装配 那些组成环 数 较 少 或组成环 数 虽 多 但装配 精度要求 不高的机器 结 构 ;统 计 互 换 装配 法 适 于 在大批 大量生 产 中装配 那些装配 精度要求 较 高且 组成环 数 又 多 的机器 结 构 ;分组装配 法 适 于 在大批 大量生 产 中装配 那些组成环 数 少而 装配 精度又 要求 特 别 高的机器 结 构 ;修 配 装配 法 常 用于 单 件小批 生 产 中装配 那些组成环 数较多而装配精度又要求较高的机器结构。 固定调整装配法适于在大批大量生产中装配那些装配精度要求较高的机器结构。可动调整装配法和误差抵消调整法适用于成批生产。 2.为什么对车床床身导轨在水平面的直线度要求高于垂直面的直线度要求?(6...

1、当您付费下载文档后,您只拥有了使用权限,并不意味着购买了版权,文档只能用于自身使用,不得用于其他商业用途(如 [转卖]进行直接盈利或[编辑后售卖]进行间接盈利)。
2、本站所有内容均由合作方或网友上传,本站不对文档的完整性、权威性及其观点立场正确性做任何保证或承诺!文档内容仅供研究参考,付费前请自行鉴别。
3、如文档内容存在违规,或者侵犯商业秘密、侵犯著作权等,请点击“违规举报”。

碎片内容

机械制造技术基础期末简答题复习汇编

小辰7+ 关注
实名认证
内容提供者

出售各种资料和文档

相关文档

确认删除?
VIP
微信客服
  • 扫码咨询
会员Q群
  • 会员专属群点击这里加入QQ群
客服邮箱
回到顶部