电脑桌面
添加小米粒文库到电脑桌面
安装后可以在桌面快捷访问

机械设计课程设计展开式二级圆柱齿轮减速器

机械设计课程设计展开式二级圆柱齿轮减速器_第1页
1/22
机械设计课程设计展开式二级圆柱齿轮减速器_第2页
2/22
机械设计课程设计展开式二级圆柱齿轮减速器_第3页
3/22
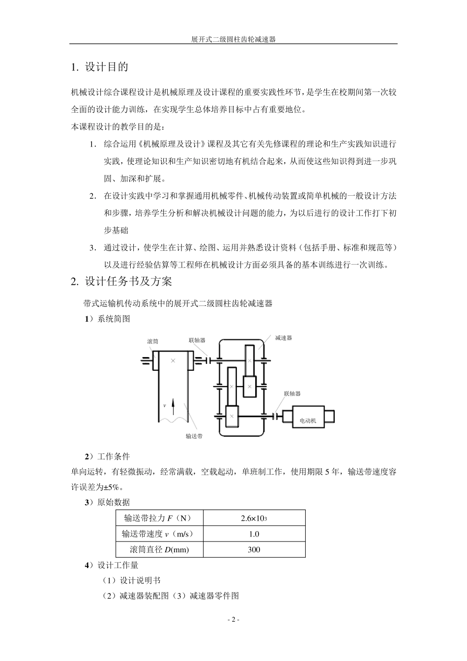
机械设计课程设计 2 0 1 1 -2 0 1 2 第1 学期 姓 名: 班 级: 指导教师: 成 绩: 日期:2 0 1 1 年 6 月 展开式二级圆柱齿轮减速器 - 1 - 目 录 1. 设计目的 ········································································ 2 2. 设计任务书及方案 ················· ·········································· 2 3. 电机选择和传动装置的运动、动力参数计算 ··························· 3 4. 齿轮的设计计算 ···················· ·········································· 5 5. 轴的设计计算 ······················· ········································ 10 6. 高速轴键的校核计算 ·············· ········································ 16 7. 高速轴轴承寿命计算 ·············· ········································ 17 8. 联轴器的选择 ······················· ········································ 17 9. 减速器的润滑和密封 ·············· ········································ 18 10. 箱体的结构设计 ·················· ········································ 18 11. 设计总结 ··························· ········································ 20 12. 参考资料 ··························· ········································ 21 展开式二级圆柱齿轮减速器 - 2 - 1. 设计目的 机械设计综合课程设计是机械原理及...

1、当您付费下载文档后,您只拥有了使用权限,并不意味着购买了版权,文档只能用于自身使用,不得用于其他商业用途(如 [转卖]进行直接盈利或[编辑后售卖]进行间接盈利)。
2、本站所有内容均由合作方或网友上传,本站不对文档的完整性、权威性及其观点立场正确性做任何保证或承诺!文档内容仅供研究参考,付费前请自行鉴别。
3、如文档内容存在违规,或者侵犯商业秘密、侵犯著作权等,请点击“违规举报”。

碎片内容

机械设计课程设计展开式二级圆柱齿轮减速器

小辰3+ 关注
实名认证
内容提供者

出售各种资料和文档

确认删除?
VIP
微信客服
  • 扫码咨询
会员Q群
  • 会员专属群点击这里加入QQ群
客服邮箱
回到顶部