电脑桌面
添加小米粒文库到电脑桌面
安装后可以在桌面快捷访问

机械设计课程设计带式输送机的传动装置设计

机械设计课程设计带式输送机的传动装置设计_第1页
1/29
机械设计课程设计带式输送机的传动装置设计_第2页
2/29
机械设计课程设计带式输送机的传动装置设计_第3页
3/29
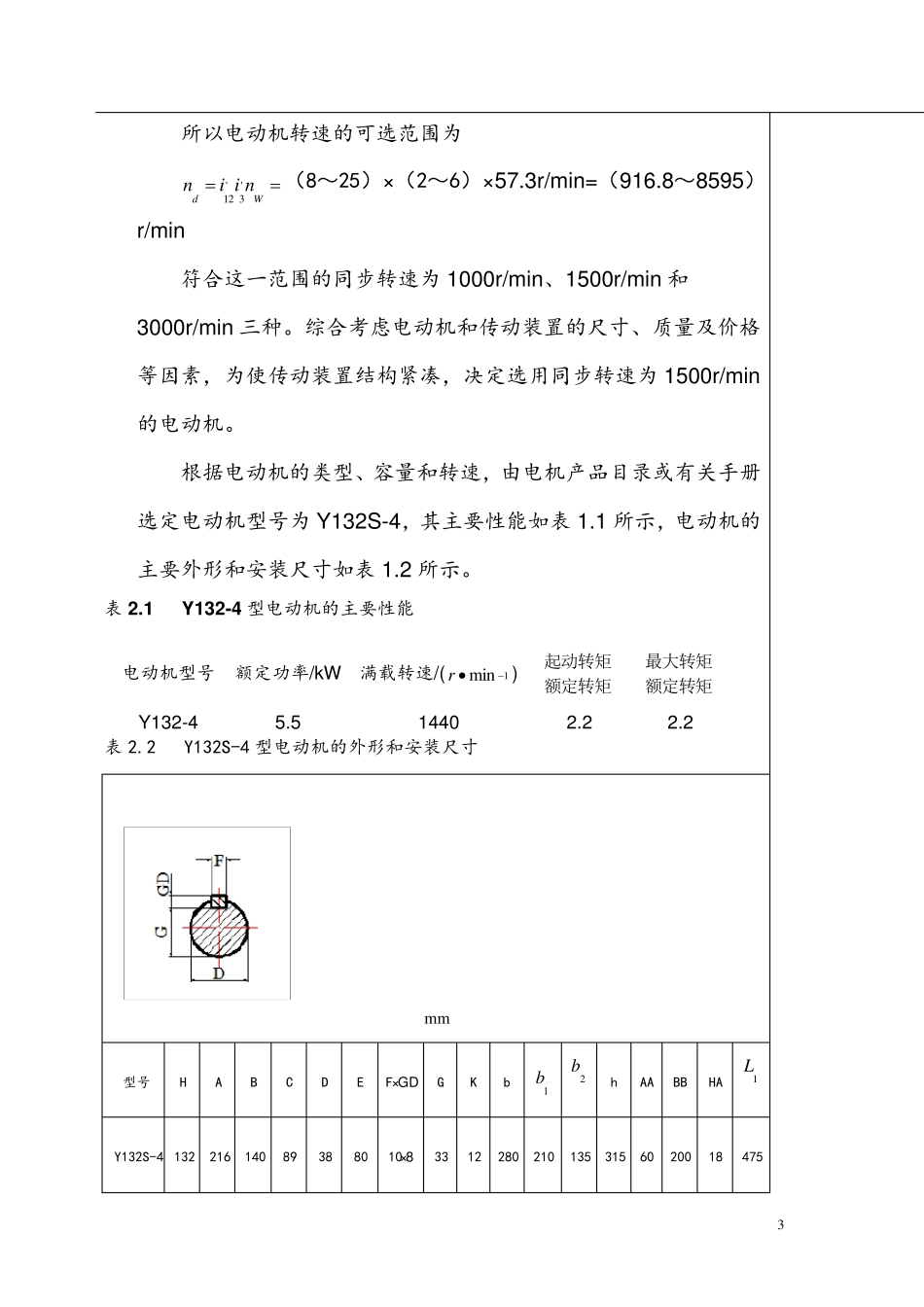
1 第一节 设计任务书 北京交通大学海滨学院 课程设计任务书 课程名称:机械设计 设计题目:带式输送机的传动装置设计 1 。传动系统示意图 方案3 :电机→圆锥圆柱齿轮(斜齿)减速器→开式一级齿轮减速→工作机 1—电动机;2、4—联轴器;3—圆锥-圆柱斜齿轮减速器;5—输送带;6—滚筒 2. 原始数据 设计带式输送机传动装置中的二级圆柱齿轮减速器,原始数据如表 1.1 所示: 表 1.1 原始数据 3 皮带的有效拉力 F N 3000 输送带工作速度 v m/s 1.20 输送带滚筒直径 d mm 400 3. 设计条件 1.工作条件:机械装配车间;两班制,每班工作四小时;空载起动、连续、单向运转,载荷平稳; 2.使用期限及检修间隔:工作期限为 8 年,每年工作250 日;检修期定为三年; 3.生产批量及生产条件:生产数千台,有铸造设备; 4.设备要求:固定; 5.生产厂:减速机厂。 4. 工作量 1.减速器装配图零号图1 张; 2.零件图2 张(箱体或箱盖,1 号图;中间轴或大齿轮,1 号或 2 号图); 3.设计说明书一份约 6000~8000 字。2 第二节 电动机的选择和传动装置的运动、动力参数计算 计算过程与说明 结果 一、选择电动机 1.选择电动机类型 按工作要求和工作条件选用 Y 系列三相鼠笼型异步电动机,其结构为全封闭自扇冷式结构,电压为 380V。 2.选择电动机的容量 工作机的有效功率为 kwkwFvPW6.310002.130001000 从电动机到工作机输送带间的总效率为 65524321  式中,1 、2 、3 、4 、5 、6 分别为圆锥齿轮传动、圆柱斜齿轮传动、开式齿轮传动、联轴器、轴承和卷筒的传动效率。分别查表为1 =0.97,2 =0.98,3 =0.93,4 =0.99,5 =0.99,6 =0.96,则 791.096.099.099.093.098.097.05265524321 所以电动机所需工作效率为 kwkwPPWd55.4791.06.3 3.确定电动机转速 按推荐的传动比合理范围,圆锥圆柱二级减速器的传动比为'12i8~25,开式圆柱齿轮传动比为'3i2~6,而工作机卷筒轴的转速为 min/3.57min/4002.1100060100060rrdvnW kwPW6.3 791.0 kwPd55.4 3 所以电动机转速的可选范围为 Wdniin'3'12(8~25)× (2~6)× 57.3r/min=(916.8~8595)r/min 符合这一范围的同步转速为1000r/min、1500r/min 和3000r/min 三种。综合考虑电...

1、当您付费下载文档后,您只拥有了使用权限,并不意味着购买了版权,文档只能用于自身使用,不得用于其他商业用途(如 [转卖]进行直接盈利或[编辑后售卖]进行间接盈利)。
2、本站所有内容均由合作方或网友上传,本站不对文档的完整性、权威性及其观点立场正确性做任何保证或承诺!文档内容仅供研究参考,付费前请自行鉴别。
3、如文档内容存在违规,或者侵犯商业秘密、侵犯著作权等,请点击“违规举报”。

碎片内容

机械设计课程设计带式输送机的传动装置设计

小辰2+ 关注
实名认证
内容提供者

出售各种资料和文档

确认删除?
VIP
微信客服
  • 扫码咨询
会员Q群
  • 会员专属群点击这里加入QQ群
客服邮箱
回到顶部