电脑桌面
添加小米粒文库到电脑桌面
安装后可以在桌面快捷访问

杠杆设计说明书VIP专享

杠杆设计说明书_第1页
1/27
杠杆设计说明书_第2页
2/27
杠杆设计说明书_第3页
3/27
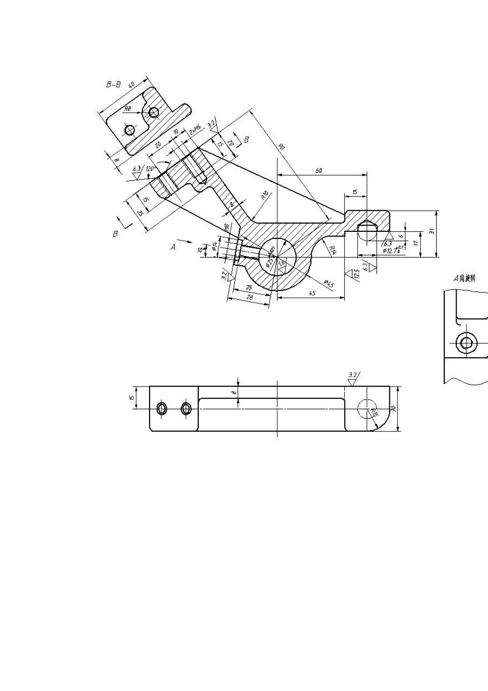
目录 1 序言 .................................................... 2 2 杠杆加工工艺规程设计 ....................................... 3 2.1零件的分析 .............................................. 4 2.1.1零件的作用 ............................................ 4 2.1.2零件的工艺分析 ........................................ 4 2.2杠杆加工的主要问题和工艺过程设计所应采取的相应措施 ...... 5 2.2.1确定毛坯的制造形式 .................................... 5 2.2.2基面的选择 ............................................ 5 2.2.3确定工艺路线 .......................................... 5 2.2.4机械加工余量、工序尺寸及毛坯尺寸的确定 ................ 6 2.2.5确定切削用量 .......................................... 7 2.2.6确定基本工时 ......................................... 17 2.3小结 ................................................... 21 3 专用夹具设计 ............................................ 22 3.1加工工艺孔Φ 25夹具设计 ................................. 22 3.1.1定位基准的选择 ....................................... 22 3.1.2切削力的计算与夹紧力分析 ............................. 22 3.1.3夹紧元件及动力装置确定 ............................... 23 3.1.4钻套、衬套、钻模板及夹具体设计 ....................... 23 3.1.5夹具精度分析 ......................................... 26 3.1.6夹具设计及操作的简要说明 ............................. 26 设计小结 ................................................... 27 参考文献................................................... 28 序言 机械制造技术基础课程设计是在学完了机械制造技术机车和大部分专业课,并进行了生产实习的基础上进行的又一个实践性教学环节。这次设计使我们能综合运用机械制造技术基础中的基本理论,并结合生产实习中学到的实践知识,独立地分析和解决了零件机械制造工艺问题,设计了机床专用夹具这一典型的工艺装备,提高了结构设计能力,为今后的毕业设计及未来从事的工作打下了良好的基础。 由于能力所限,经验不足,设计中还有许多不足之处,希望老师多加指教。 2 杠杆加工工艺规程设计 2.1 零件的分...

1、当您付费下载文档后,您只拥有了使用权限,并不意味着购买了版权,文档只能用于自身使用,不得用于其他商业用途(如 [转卖]进行直接盈利或[编辑后售卖]进行间接盈利)。
2、本站所有内容均由合作方或网友上传,本站不对文档的完整性、权威性及其观点立场正确性做任何保证或承诺!文档内容仅供研究参考,付费前请自行鉴别。
3、如文档内容存在违规,或者侵犯商业秘密、侵犯著作权等,请点击“违规举报”。

碎片内容

杠杆设计说明书

确认删除?
VIP
微信客服
  • 扫码咨询
会员Q群
  • 会员专属群点击这里加入QQ群
客服邮箱
回到顶部