电脑桌面
添加小米粒文库到电脑桌面
安装后可以在桌面快捷访问

条形码完全知识

条形码完全知识_第1页
1/6
条形码完全知识_第2页
2/6
条形码完全知识_第3页
3/6
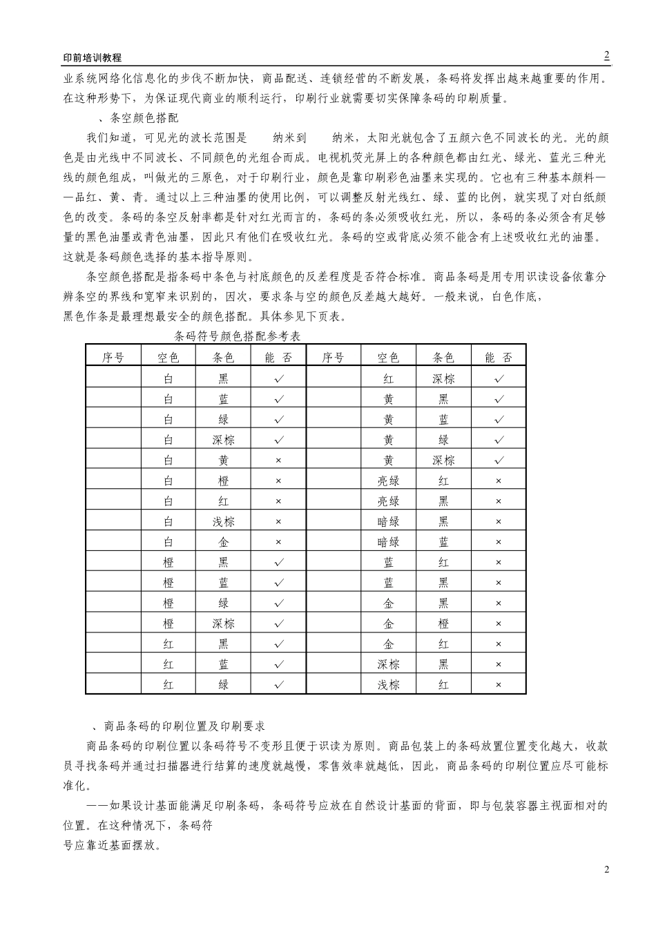
印 前培训教程 1 1 商品条码的质量要求 条码是一种传递信息的特殊图形,它的固有特性决定了印刷条码与印刷其他产品不同。条码符号必须符合条码国家标准中光学特性、尺寸精度的要求才能顺利地在各种条码阅读器上正确扫描识读,因此条码印刷技术已成为条码技术重要组成部分。 我们知道,条码是由深色条和浅色空组合起来的图形符号,条码的质量参数可以分两类,一类是条码的尺寸参数,另一类则为条码符号的反射率参数。从70年代中期以后,条码符号质量的评价都是用条码检测的专用仪器——条码检测仪来进行测试。这就是人们通常所说的传统检测方法。条码检测仪的出现使得条码检测的效率大大提高,性能全面的检测仪还能打印出列有详细质量参数值的质量检测结果,这就使得印刷企业能够根据检验结果调整印刷设备,充分发挥印刷设备的潜能,以提高条码符号的印制质量。 一、条码原版胶片的订制 企业在获得厂商识别代码并对需要印制条码的产品正确编码之后,要将条码印刷在响应的产品包装上。通常,这需要订制原版条码胶片以便制版印刷。原版条码胶片是正确印刷、使用条码的关键,在制版时不能随意放大或缩小。企业在订制原版条码胶片时,应特别注意以下几方面的内容: 1、条码符号原版胶片的质量 是指条码符号的精度应符合有关标准的要求,即条宽的误差应小于 0.010毫米。企业应对原版胶片的承制单位的技术、设备水平有一定的了解,最好是向专门机构订制,以确保条码原版胶片的质量。印刷出的条码符号不合格,除检查制版和印刷过程中的问题以外,还应检测条码胶片的质量。 2、条码原版胶片的大小与条码的放大系数有关 条码符号的设计主要包括三个方面的内容:条码尺寸的选择,在现有印刷材料的基础上选择条码的印刷颜色,再一个就是条码位臵的选择。商品条码符号尺寸的大小有若干种,用放大系数来表示。放大系数100%的条码是我们所称的标准条码。在实际生产中,人们根据包装的实际面积和印刷机的印刷精度,可以在一定范围内选择不同大小的条码符号,也就是选择不同放大系数的条码。条码符号的标准尺寸长 37.29mm、高26.26mm,放大系数为1。选择条码放大系数的原则是:在整个商品包装面积允许的情况下选择尽可能大的放大系数,以便于扫描器自动识读。其中放大系数的取值范围是0.80~2.00,一般为0.90~1.20。当放大系数小于 0.8时,不但印刷机难以印刷,条码识读设备也难以分辨。所以,条码的放大系数必须大于 0.8。 3、条宽减少量 印刷增...

1、当您付费下载文档后,您只拥有了使用权限,并不意味着购买了版权,文档只能用于自身使用,不得用于其他商业用途(如 [转卖]进行直接盈利或[编辑后售卖]进行间接盈利)。
2、本站所有内容均由合作方或网友上传,本站不对文档的完整性、权威性及其观点立场正确性做任何保证或承诺!文档内容仅供研究参考,付费前请自行鉴别。
3、如文档内容存在违规,或者侵犯商业秘密、侵犯著作权等,请点击“违规举报”。

碎片内容

条形码完全知识

小辰2+ 关注
实名认证
内容提供者

出售各种资料和文档

确认删除?
VIP
微信客服
  • 扫码咨询
会员Q群
  • 会员专属群点击这里加入QQ群
客服邮箱
回到顶部