电脑桌面
添加小米粒文库到电脑桌面
安装后可以在桌面快捷访问

样品试制流程VIP专享

样品试制流程_第1页
1/6
样品试制流程_第2页
2/6
样品试制流程_第3页
3/6
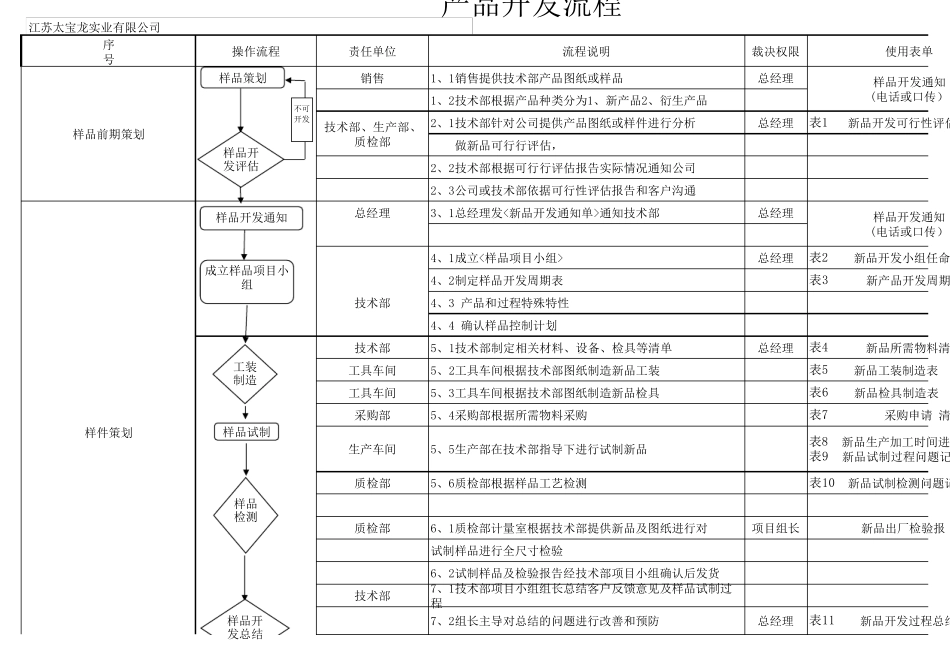
序号 产品开发流程技术部、生产部、质检部样品开发通知(电话或口传)样品开发通知(电话或口传)样品前期策划样件策划技术部 7、1技术部项目小组组长总结客户反馈意见及样品试制过程7、2组长主导对总结的问题进行改善和预防总经理表11 新品开发过程总结试制样品进行全尺寸检验6、2试制样品及检验报告经技术部项目小组确认后发货质检部 6、1质检部计量室根据技术部提供新品及图纸进行对项目组长新品出厂检验报生产车间5、5生产部在技术部指导下进行试制新品表8 新品生产加工时间进表9 新品试制过程问题记质检部 5、6质检部根据样品工艺检测表10 新品试制检测问题记工具车间5、3工具车间根据技术部图纸制造新品检具表6 新品检具制造表采购部 5、4采购部根据所需物料采购表7 采购申请 清技术部 5、1技术部制定相关材料、设备、检具等清单总经理表4 新品所需物料清工具车间5、2工具车间根据技术部图纸制造新品工装表5 新品工装制造表技术部 4、3 产品和过程特殊特性4、4 确认样品控制计划表2 新品开发小组任命4、2制定样品开发周期表表3 新产品开发周期4、1成立<样品项目小组>总经理2、3公司或技术部依据可行性评估报告和客户沟通总经理3、1总经理发<新品开发通知单>通知技术部总经理表1 新品开发可行性评估 做新品可行行评估,2、2技术部根据可行行评估报告实际情况通知公司1、2技术部根据产品种类分为1、新产品2、衍生产品2、1技术部针对公司提供产品图纸或样件进行分析总经理操作流程责任单位流程说明裁决权限使用表单销售1、1销售提供技术部产品图纸或样品总经理样品策划样品开发评估样品开发通知不可开发成立样品项目小组样品试制样品检测样品开发总结工装制造江苏 太 宝 龙 实业 有 限公司过程策划过程确认以据初始能力研究报告及测量系统分析报告,小组讨论评审,并完善过程流程图、PFEMA 、控制计划、工艺卡片和包装作业指导书表14 新品过程确认总结表 过程流程图 PFEMA 控制计划 工艺卡片总经理技术部技术部技术部安排人员在生产过程确认试验新品生产过程记录质检部质检部组织人员依据初始过程能力研究计划执行初始能力研究报告质检部依据测量系统分析计划执行测量系统分析报告(MSA)技术部产品试生产前依据初始控制计划和工艺卡片操作要求对检验员,操作工的培训表13 培训记录表生产车间生产车间组织工人进行试生产新品过程检测记录技术部设定包装规范包装作业指导书技术部小组讨论评审总经理表12 新品过...

1、当您付费下载文档后,您只拥有了使用权限,并不意味着购买了版权,文档只能用于自身使用,不得用于其他商业用途(如 [转卖]进行直接盈利或[编辑后售卖]进行间接盈利)。
2、本站所有内容均由合作方或网友上传,本站不对文档的完整性、权威性及其观点立场正确性做任何保证或承诺!文档内容仅供研究参考,付费前请自行鉴别。
3、如文档内容存在违规,或者侵犯商业秘密、侵犯著作权等,请点击“违规举报”。

碎片内容

样品试制流程

确认删除?
VIP
微信客服
  • 扫码咨询
会员Q群
  • 会员专属群点击这里加入QQ群
客服邮箱
回到顶部