电脑桌面
添加小米粒文库到电脑桌面
安装后可以在桌面快捷访问

桥梁抗震计算书

桥梁抗震计算书_第1页
1/87
桥梁抗震计算书_第2页
2/87
桥梁抗震计算书_第3页
3/87
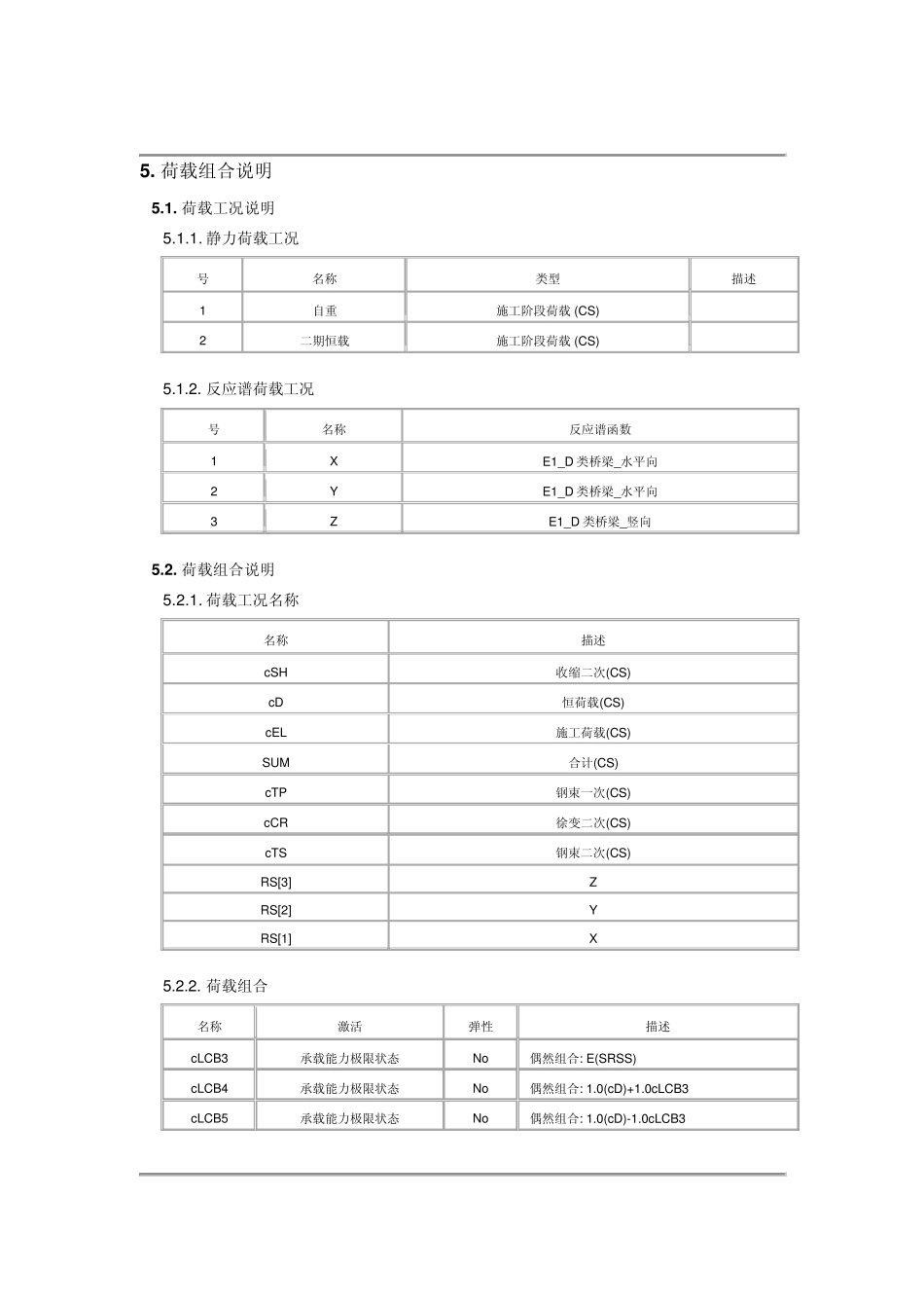
计算书 计算 : X X X 校核 : X X X 审核 : X X X 二零零九年 一二月 1. 设计规范 1.1. 公路工程技术标准(JTG B01-2003) 1.2. 公路桥涵设计通用规范 (JTG D60-2004) 1.3. 公路钢筋混凝土及预应力混凝土桥涵设计规范 (JTG D62-2004) 1.4. 公路桥涵地基与基础设计规范(JTG D63-2007) 1.5. 公路桥梁抗震设计细则(JTG/TB 02-01-2008) 2. 设计资料 2.1. 使用程序 : MIDAS/Civ il, Civ il 2006 ( Release No. 1 ) 2.2. 截面设计内力 : 3D 2.3. 构件类型 : 普通混凝土桥梁 2.4. 地震作用等级 : E1 作用 3. 主要材料指标 3.1. 混凝土 强度等级 弹性模量 (MPa) 容重 (kN/m3) 线膨胀系数 标准值 设计值 fck (MPa) ftk (MPa) fcd (MPa) ftd (MPa) C25 28000.00 25.00 1.000e-005 16.70 1.78 11.50 1.23 C30 30000.00 25.00 1.000e-005 20.10 2.01 13.80 1.39 C40 32500.00 25.00 1.000e-005 26.80 2.40 18.40 1.65 3.2. 普通钢筋 普通钢筋 弹性模量 (MPa) 容重 (kN/m3) fsk (MPa) fsd (MPa) f'sd (MPa) εy HRB335 200000.00 76.98 335.00 280.00 280.00 0.001675 R235 210000.00 76.98 235.00 195.00 195.00 0.001119 4. 模型简介 4.1. 单元数量 : 单元 42 个 4.2. 节点数量 : 112 个 4.3. 边界条件数量 : 6 个 4.4. 施工阶段 : 1 个 步骤名称 结构组 边界组 荷载组 激活 钝化 激活 钝化 激活 钝化 CS1 结构组 1 - 边界组 1 - 荷载组 1 - 5 . 荷载组合说明 5 .1 . 荷载工况说明 5.1.1. 静力荷载工况 号 名称 类型 描述 1 自重 施工阶段荷载 (CS) 2 二期恒载 施工阶段荷载 (CS) 5.1.2. 反应谱荷载工况 号 名称 反应谱函数 1 X E1_D 类桥梁_水平向 2 Y E1_D 类桥梁_水平向 3 Z E1_D 类桥梁_竖向 5 .2 . 荷载组合说明 5.2.1. 荷载工况名称 名称 描述 cSH 收缩二次(CS) cD 恒荷载(CS) cEL 施工荷载(CS) SUM 合计(CS) cTP 钢束一次(CS) cCR 徐变二次(CS) cTS 钢束二次(CS) RS[3] Z RS[2] Y RS[1] X 5.2.2. 荷载组合 名称 激活 弹性 描述 cLCB3 承载能力极限状态 No 偶然组合: E(SRSS) cLCB4 承载能力极限状态 No 偶然组合: 1.0(cD)+1.0cLCB3 cLCB5 承载能力极限状态 No 偶然组合:...

1、当您付费下载文档后,您只拥有了使用权限,并不意味着购买了版权,文档只能用于自身使用,不得用于其他商业用途(如 [转卖]进行直接盈利或[编辑后售卖]进行间接盈利)。
2、本站所有内容均由合作方或网友上传,本站不对文档的完整性、权威性及其观点立场正确性做任何保证或承诺!文档内容仅供研究参考,付费前请自行鉴别。
3、如文档内容存在违规,或者侵犯商业秘密、侵犯著作权等,请点击“违规举报”。

碎片内容

桥梁抗震计算书

您可能关注的文档

确认删除?
VIP
微信客服
  • 扫码咨询
会员Q群
  • 会员专属群点击这里加入QQ群
客服邮箱
回到顶部