电脑桌面
添加小米粒文库到电脑桌面
安装后可以在桌面快捷访问

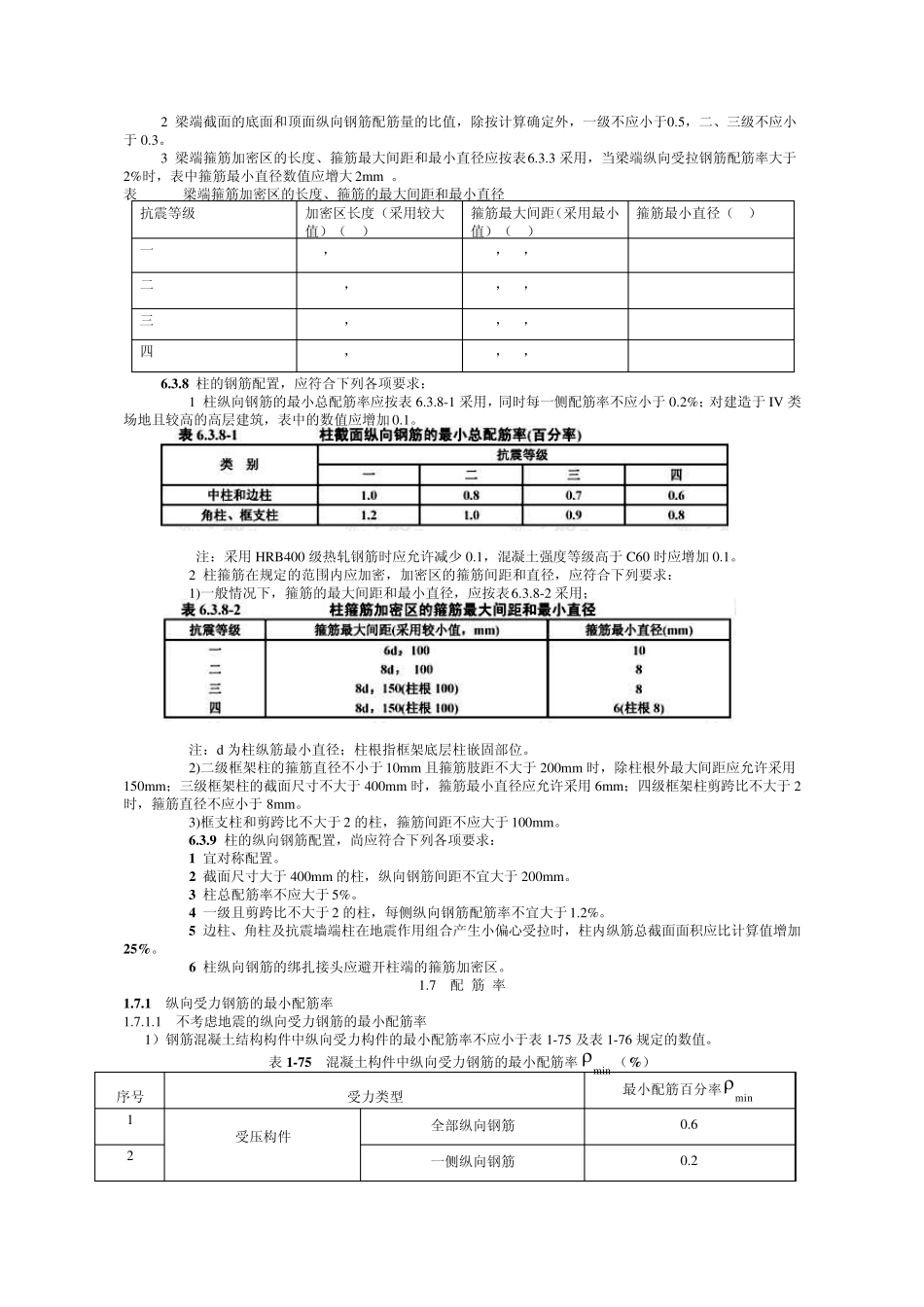
梁、柱最大最小配筋率

梁、柱最大最小配筋率_第1页
1/8
梁、柱最大最小配筋率_第2页
2/8
梁、柱最大最小配筋率_第3页
3/8
配筋率是指用钢筋的截面积除以梁或柱的截面积再乘以100%。钢筋的截面积可以查钢筋手册。4 根螺纹18 :10.18 平方厘米,6 根螺纹20:18.85 平方厘米,配筋率:(10.18+18.85)/40*80 =0.009,配筋率0.9%。 配筋率是钢筋混凝土构件中纵向受力(拉或压)钢筋的面积与构件的有效面积之比(轴心受压构件为全截面的面积)。受拉钢筋配筋率、受压钢筋配筋率分别计算. 计算公式:ρ =A(s)/bh(0)。 此处括号内实为角标 式中:A(s)为受拉或受压区纵向钢筋的截面面积; b 为矩形截面的宽度; h(0)为截面的有效高度。 配筋率是反映配筋数量的一个参数。 配筋率是影响构件受力特征的一个参数,控制配筋率可以控制结构构件的破坏形态,不发生超筋破坏和少筋破坏,配筋率又是反映经济效果的主要指标。 梁、柱最大最小配筋率 《混凝土结构设计规范》(GB50010-2002) 第 9.5.1条:钢筋混凝土结构构件中纵向受力钢筋的配筋百分率不应小于表9.5.1规定的数值。 钢筋混凝土结构构件中纵向受力钢筋的最小配筋百分率(%) 表 9.5.1受力类型 最小配筋百分率 受压构件 全部纵向钢筋 0.6 一侧纵向钢筋 0.2 受弯构件、偏心受拉、轴心受拉构件一侧的受拉钢筋 0.2和 45ft/fy中的较大值 注: 1 受压构件全部纵向钢筋最小配筋百分率,当采用HRB400 级、RRB400 级钢筋时,应按表中规定减小 0.1;当混凝土强度等级为C60 及以上时,应按表中规定增大 0.1; 2 偏心受拉构件中的受压钢筋,应按受压构件一侧纵向钢筋考虑; 3 受压构件的全部纵向钢筋和一侧纵向钢筋的配筋率以及轴心受拉构件和小偏心受拉构件一侧受拉钢筋的配筋率应按构件的全截面面积计算;受弯构件、大偏心受拉构件一侧受拉钢筋的配筋率应按全截面面积扣除受压翼缘面积(b'f-b)h'f 后的截面面积计算; 4 当钢筋沿构件截面周边布置时,"一侧纵向钢筋"系指沿受力方向两个对边中的一边布置的纵向钢筋。 第 8.2.3 条解释: ρ--纵向受拉钢筋配筋率:对钢筋混凝土受弯构件,取 ρ=As/(bh0); 对预应力混凝土受弯构件,取 ρ=(Ap+As)/(bh0)。 第 10.1.8 条 当按单向板设计时,除沿受力方向布置受力钢筋外,尚应在垂直受力方向布置分布钢筋。单位长度上分布钢筋的截面面积不宜小于单位宽度上受力钢筋截面面积的15%,且不宜小于该方向板截面面积的0.15%;分布钢筋的间距不宜大于 250mm,直径不宜小于 6mm;对集中荷载较大的情况,分布钢筋的截面面积应适当增加...

1、当您付费下载文档后,您只拥有了使用权限,并不意味着购买了版权,文档只能用于自身使用,不得用于其他商业用途(如 [转卖]进行直接盈利或[编辑后售卖]进行间接盈利)。
2、本站所有内容均由合作方或网友上传,本站不对文档的完整性、权威性及其观点立场正确性做任何保证或承诺!文档内容仅供研究参考,付费前请自行鉴别。
3、如文档内容存在违规,或者侵犯商业秘密、侵犯著作权等,请点击“违规举报”。

碎片内容

梁、柱最大最小配筋率

您可能关注的文档

确认删除?
VIP
微信客服
  • 扫码咨询
会员Q群
  • 会员专属群点击这里加入QQ群
客服邮箱
回到顶部