电脑桌面
添加小米粒文库到电脑桌面
安装后可以在桌面快捷访问

楼板强度的计算

楼板强度的计算_第1页
1/14
楼板强度的计算_第2页
2/14
楼板强度的计算_第3页
3/14
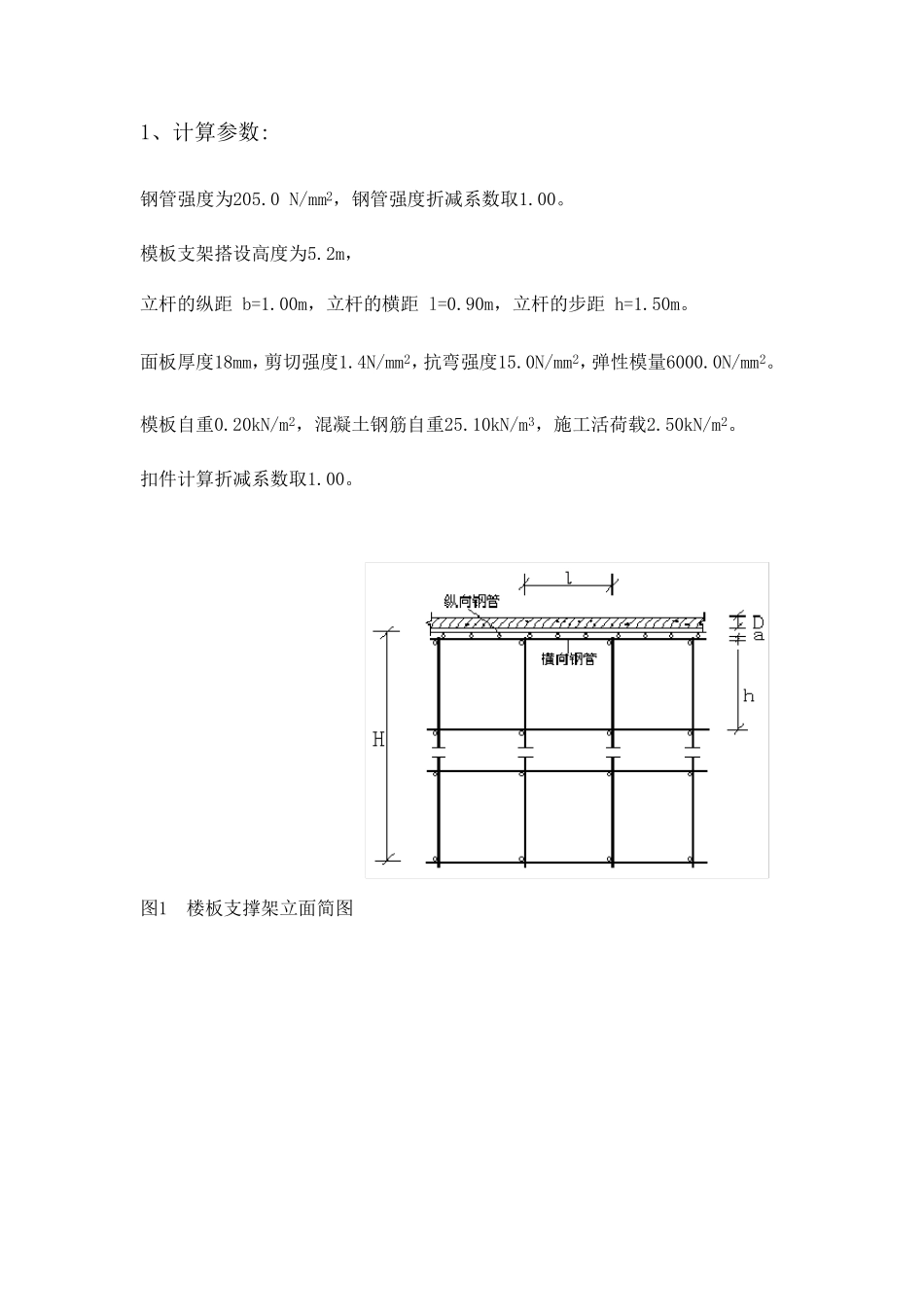
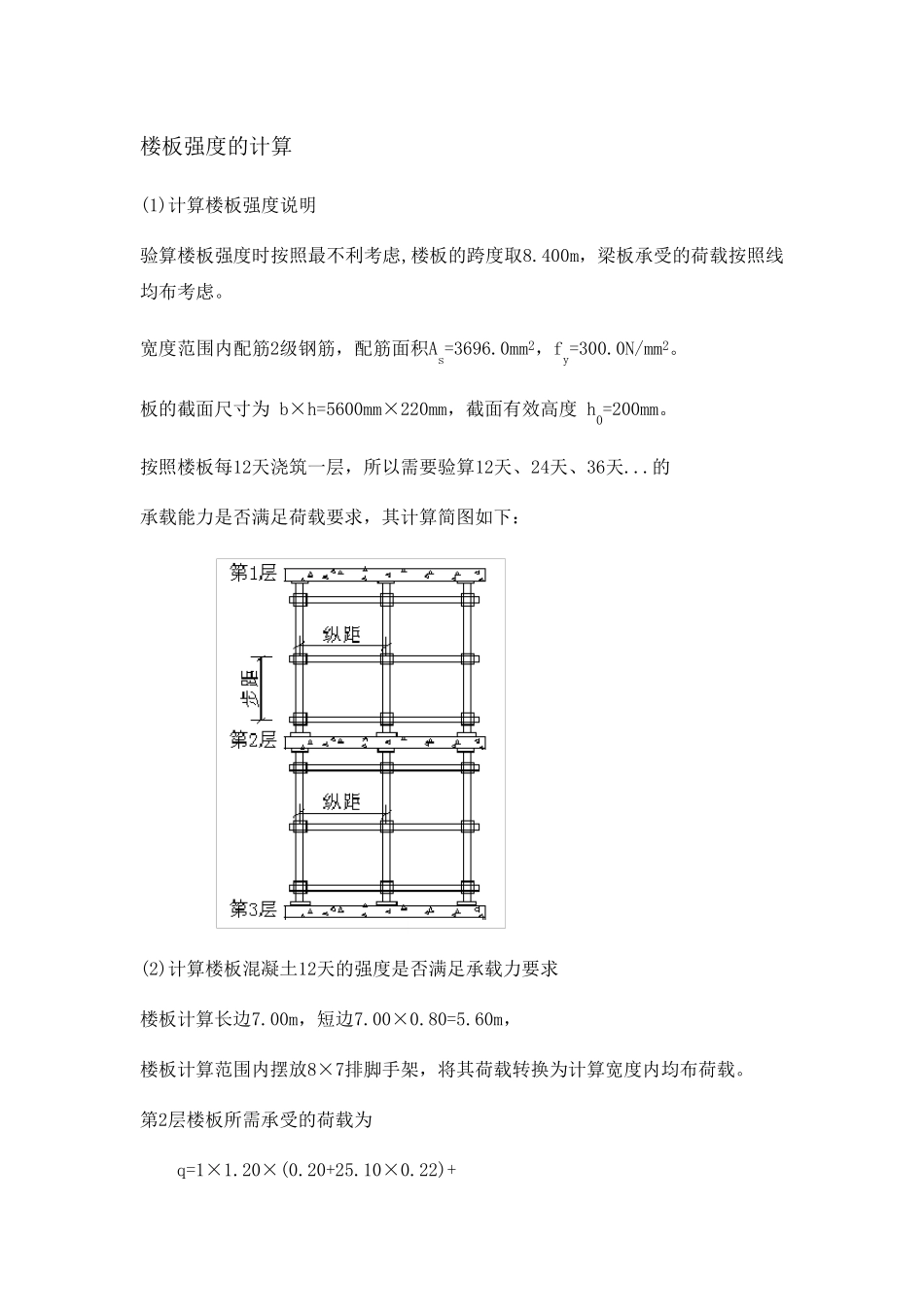
楼板强度的计算 (1)计算楼板强度说明 验算楼板强度时按照最不利考虑,楼板的跨度取8.400m,梁板承受的荷载按照线均布考虑。 宽度范围内配筋2级钢筋,配筋面积As=3696.0mm2,fy=300.0N/mm2。 板的截面尺寸为 b×h=5600mm×220mm,截面有效高度 h0=200mm。 按照楼板每12天浇筑一层,所以需要验算12天、24天、36天...的 承载能力是否满足荷载要求,其计算简图如下: (2)计算楼板混凝土12天的强度是否满足承载力要求 楼板计算长边7.00m,短边7.00×0.80=5.60m, 楼板计算范围内摆放8×7排脚手架,将其荷载转换为计算宽度内均布荷载。 第2层楼板所需承受的荷载为 q=1×1.20×(0.20+25.10×0.22)+ 1×1.20×(0.50×8×7/7.00/5.60)+ 1.40×(0.00+2.50)=11.22kN/m2 计算单元板带所承受均布荷载q=5.60×11.22=62.83kN/m 板带所需承担的最大弯矩按照四边固接双向板计算 Mmax=0.0664×ql2=0.0664×62.82×5.602=130.82kN.m 按照混凝土的强度换算 得到12天后混凝土强度达到74.57%,C40.0混凝土强度近似等效为C29.8。 混凝土弯曲抗压强度设计值为fcm=14.22N/mm2 则可以得到矩形截面相对受压区高度: ξ= Asfy/bh0fcm = 3696.00×300.00/(5600.00×200.00×14.22)=0.07 查表得到钢筋混凝土受弯构件正截面抗弯能力计算系数为 αs=0.067 此层楼板所能承受的最大弯矩为: M1=αsbh02fcm = 0.067×5600.000×200.0002×14.2×10-6=213.4kN.m 结论:由于∑Mi = 213.38=213.38 > Mmax=130.82 所以第12天以后的各层楼板强度和足以承受以上楼层传递下来的荷载。 第2层以下的模板支撑可以拆除。 钢管楼板模板支架计算满足要求! (十六)1 8 0 厚屋面板模板(扣件式)计算书 1、计算参数: 钢管强度为205.0 N/mm2,钢管强度折减系数取1.00。 模板支架搭设高度为5.2m, 立杆的纵距 b=1.00m,立杆的横距 l=0.90m,立杆的步距 h=1.50m。 面板厚度18mm,剪切强度1.4N/mm2,抗弯强度15.0N/mm2,弹性模量6000.0N/mm2。 模板自重0.20kN/m2,混凝土钢筋自重25.10kN/m3,施工活荷载2.50kN/m2。 扣件计算折减系数取1.00。 图1 楼板支撑架立面简图 图2 楼板支撑架荷载计算单元 按照模板规范4.3.1条规定确定荷载组合分项系数如下: 由可变荷载效应控制的组合S=1.2 × (25.10 × 0.18+0.20)+1.40 ×2.50=9.162kN/m2 由永 久 荷载效应控制的组合S=1.35 × 25.10 × 0.18+0.7 × 1.40 ×2.50=8.549kN/m2 由于可...

1、当您付费下载文档后,您只拥有了使用权限,并不意味着购买了版权,文档只能用于自身使用,不得用于其他商业用途(如 [转卖]进行直接盈利或[编辑后售卖]进行间接盈利)。
2、本站所有内容均由合作方或网友上传,本站不对文档的完整性、权威性及其观点立场正确性做任何保证或承诺!文档内容仅供研究参考,付费前请自行鉴别。
3、如文档内容存在违规,或者侵犯商业秘密、侵犯著作权等,请点击“违规举报”。

碎片内容

楼板强度的计算

小辰2+ 关注
实名认证
内容提供者

出售各种资料和文档

相关文档

确认删除?
VIP
微信客服
  • 扫码咨询
会员Q群
  • 会员专属群点击这里加入QQ群
客服邮箱
回到顶部