电脑桌面
添加小米粒文库到电脑桌面
安装后可以在桌面快捷访问

氯碱生产工艺流程

氯碱生产工艺流程_第1页
1/9
氯碱生产工艺流程_第2页
2/9
氯碱生产工艺流程_第3页
3/9
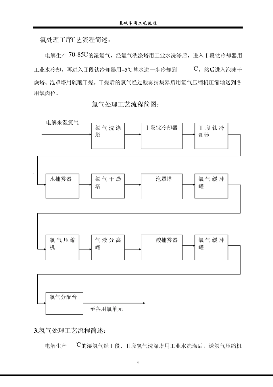
氯碱车间工艺流程 1 氯碱生产工艺流程总述 永祥树脂有限公司生产系统是由氯碱系统, PVC 系统,三氯氢硅系统,及公用系统组成。公用系统又包括水,电,汽。水,电,汽的正常供应是确保生产平稳运行的关键。这里我就谈谈氯碱系统的生产流程。 永祥树脂有限公司的氯碱系统是由电解,盐水,氯氢,液氯,冷冻,盐酸,漂液,蒸发,循环水组成的系统。其主要流程是盐水生产的精盐水经电解生成主要成分是Nao H,NaCl 的电解液和氯气,氢气三种物质。电解液由蒸发经浓缩,并分离其中的NaCl,加水溶解后供盐水工序生产精盐水用。Nao H 经冷却沉降后,送成品桶作为成品销售。氯气在氯氢工序通过洗涤冷却,干燥,压缩输送到液氯,盐酸,PVC,三氯氢硅。氯碱片区主要是送液氯和盐酸。氯气在液氯经冷冻送来的-35℃冷冻盐水液化为液氯,液氯尾气送盐酸和漂液生产盐酸和漂液用。氢气是经氯氢工序洗涤冷却,压缩输送到PVC,三氯氢硅,盐酸。氯碱片区送盐酸,在合成炉与氯气燃烧生成氯化氢气体,经水吸收后生成成品盐酸供销售出售。液氯尾气在漂液生产池中与石灰水生成漂液供销售出售。 氯碱车间工艺流程 2 氯碱车间工艺流程简述 一.氯碱车间基本概况 1.自然条件: 氯碱车间位于公司的东部,西部为乙炔车间,南部为聚合乙烯车间,西南为氯乙烯车间,东西向 220米,南北向 220米。人员构成:员工 212人,其中管理人员18人,一般员工194人,倒班员工为168人。最高气温3 9℃,最低气温约0 ℃,平均气温1 6 .5—1 8℃。平均风速为0 .5—2 .0 米/秒。 2.生产装置规模: 最初设计能力为1万吨/年隔膜碱,正式投产时间1990年,经过多次技改扩产,产量达到约9万吨/年隔膜碱。 3.氯碱车间工艺特点: 车间压力容器较多,压力控制要求高;工艺介质为有毒有害物质。 二.工艺流程简述: 1.电解工序工艺流程简述: 符合工艺要求的精制盐水由盐水工序送入精盐水贮槽,用精盐水泵送入高位槽,自流入盐水预热器,加热至8 0℃±2℃后注入电解槽内,当供给直流电后,盐水进行电化学反应,在阳极室生成的氯气和在阴极室生成的氢气分别送往氯氢工序处理,阴极室生成的电解碱液断电后经管道流入电解液集中槽,用泵送至蒸发工序。 电解工艺流程简图: 直流电 氢气 氯气 蒸 汽 泵 送蒸发 冷凝水 精 盐 水精 盐 水 高盐 水 预 热电解槽 电 解 液 受氯碱车间工艺流程 3 2.氯处理工序工艺流程简述: 电解生产7 0 -8 5℃的湿氯...

1、当您付费下载文档后,您只拥有了使用权限,并不意味着购买了版权,文档只能用于自身使用,不得用于其他商业用途(如 [转卖]进行直接盈利或[编辑后售卖]进行间接盈利)。
2、本站所有内容均由合作方或网友上传,本站不对文档的完整性、权威性及其观点立场正确性做任何保证或承诺!文档内容仅供研究参考,付费前请自行鉴别。
3、如文档内容存在违规,或者侵犯商业秘密、侵犯著作权等,请点击“违规举报”。

碎片内容

氯碱生产工艺流程

确认删除?
VIP
微信客服
  • 扫码咨询
会员Q群
  • 会员专属群点击这里加入QQ群
客服邮箱
回到顶部