电脑桌面
添加小米粒文库到电脑桌面
安装后可以在桌面快捷访问

水利水电工程施工质量评定表(大红本)

水利水电工程施工质量评定表(大红本)_第1页
1/148
水利水电工程施工质量评定表(大红本)_第2页
2/148
水利水电工程施工质量评定表(大红本)_第3页
3/148
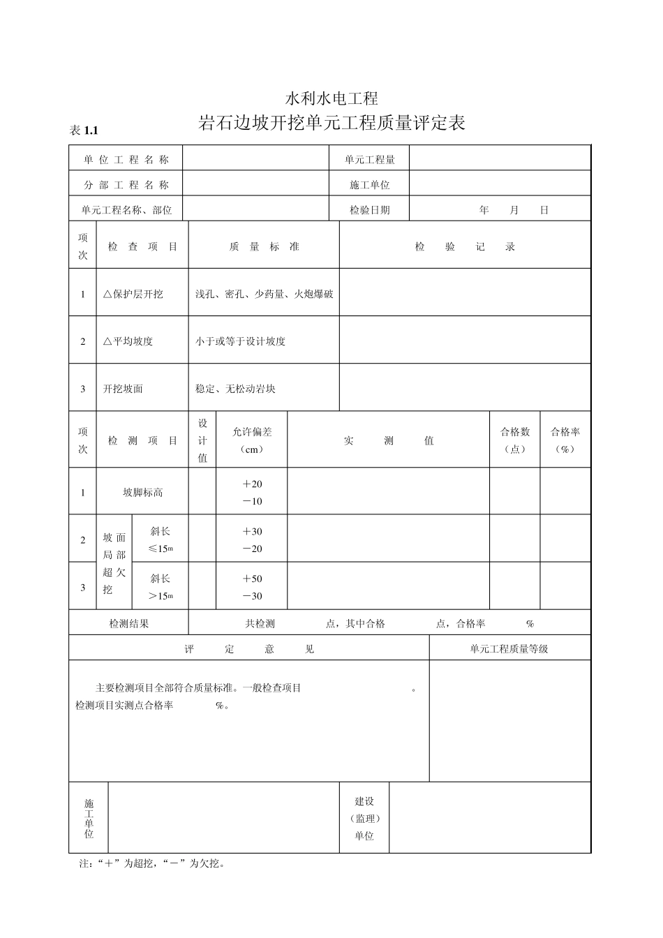
单位工程外观质量评定表 (共2 个表式) 水利水电工程外观质量评定办法:单位工程完工后,由建设(监理)单位组织,负责该项工程的质量监督部门主持,由建设(监理)及质量检测等单位参加的工程外观质量评定组进行现场检验评定。 参加工程外观量评定的人员应具有工程师及其以上技术职称。评定组人数不应少于5 人,大型工程不宜少于7 人。 各评定项目的质量标准,应根据所评工程特点及使用要求,再评定前由设计、建设监理及施工单位共同研究提出方案,经负责该项工程的质量监督部门确认后执行。 水工建筑工程单元工程质量评定表 (共30 个表式) 本部分系根据水利电力颁发的《水利水电基本建设工程大元工程质量等级评定标准》S DJ249.1-88 水利水电行业现行施工规范编制。适用于大中型水利水电工程,小型工程可参照使用。 单元工程或工序质量检验内容按表中所列内容由施工单位自检,建设监理单位复核。 检测数量及单元工程或工序质量等级评定标准按照S DJ249.1-88 执行。 评定表中加“△”的项目为主要检查(检测)项目。工序名称前加“△”者为主要工序。 “质量标准”栏中凡写有“应符合设计要求”或“设计规定”的项目,应注明设计的具体要求。 水利水电工程 表1 .1 岩石边坡开挖单元工程质量评定表 单 位 工 程 名 称 单元工程量 分 部 工 程 名 称 施工单位 单元工程名称、部位 检验日期 年 月 日 项次 检 查 项 目 质 量 标 准 检 验 记 录 1 △保护层开挖 浅孔、密孔、少药量、火炮爆破 2 △平均坡度 小于或等于设计坡度 3 开挖坡面 稳定、无松动岩块 项次 检 测 项 目 设计值 允许偏差 (cm ) 实 测 值 合格数 (点) 合格率 (%) 1 坡脚标高 +20 -10 2 坡面局部超欠挖 斜长 ≤15m +30 -20 3 斜长 >15m +50 -30 检测结果 共检测 点,其中合格 点,合格率 % 评 定 意 见 单元工程质量等级 主要检测项目全部符合质量标准。一般检查项目 。 检测项目实测点合格率 %。 施工单位 建设 (监理) 单位 注:“+”为超挖,“-”为欠挖。 水利水电工程 表1 .2 岩石地基开挖单元工程质量评定表 单 位 工 程 名 称 单元工程量 分 部 工 程 名 称 施工单位 单元工程名称、部位 检验日期 年 月 日 项次 检 查 项 目 质 量 标 准 检 验 记 录 1 △保护层开挖 浅孔、密孔、少药量、...

1、当您付费下载文档后,您只拥有了使用权限,并不意味着购买了版权,文档只能用于自身使用,不得用于其他商业用途(如 [转卖]进行直接盈利或[编辑后售卖]进行间接盈利)。
2、本站所有内容均由合作方或网友上传,本站不对文档的完整性、权威性及其观点立场正确性做任何保证或承诺!文档内容仅供研究参考,付费前请自行鉴别。
3、如文档内容存在违规,或者侵犯商业秘密、侵犯著作权等,请点击“违规举报”。

碎片内容

水利水电工程施工质量评定表(大红本)

确认删除?
VIP
微信客服
  • 扫码咨询
会员Q群
  • 会员专属群点击这里加入QQ群
客服邮箱
回到顶部