电脑桌面
添加小米粒文库到电脑桌面
安装后可以在桌面快捷访问

水泥砂浆配合比表

水泥砂浆配合比表_第1页
1/7
水泥砂浆配合比表_第2页
2/7
水泥砂浆配合比表_第3页
3/7
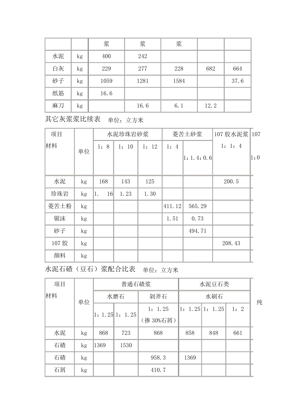
水泥砂浆配合比表 单位:立方米 项目 材料 单位 1:1 抹灰用 1:2 1:2.5 1:3 1:3.5 1:4 水泥 kg 792 544 458 401 350 322 砂子 kg 1052 1442 1517 1593 1605 1707 石灰砂浆配合比表 单位:立方米 项目 材料 单位 1:1 1:2 1:2.5 1:3 1:3.5 白灰 kg 439 302 258 228 75.41 砂子 kg 1020 1399 1501 1584 1652 混合砂浆配合比表 单位:立方米 项目 材料 单位 1:1:1 1:1:2 1:1:4 1:1:6 1:2:1 1:3:9 1:0.1:2.:水泥 kg 501 400 263 204 368 122 430 白灰 kg 285 229 150 116 417 210 25 砂子 kg 663 1059 1391 1622 488 1457 1420 石英砂 kg 混合砂浆配合比续表 单位:立方米 项目 材料 单位 1:0.2:2 1:0.3:3 1:0.5:1 1:0.5:3 1:0.5:4 1:0.5:5 1:水泥 kg 512 366 661 361 284 242 白灰 kg 58 63 186 103 81 69 砂子 kg 1364 1453 876 1434 1503 1604 其它灰浆浆比表 单位:立方米 项目 材料 单位 1:1:2 纸筋混合砂1:2:4 麻刀混合砂1:3 石灰麻刀砂麻刀灰 纸筋灰 浆 浆 浆 水泥 kg 400 242 白灰 kg 229 277 228 682 664 砂子 kg 1059 1281 1584 37.6 纸筋 kg 16.6 麻刀 kg 16.6 6.1 12.2 其它灰浆浆比续表 单位:立方米 项目 材料 单位 水泥珍珠岩砂浆 菱苦土砂浆 107 胶水泥浆 1:1:4 1071:01:8 1:10 1:12 1:4 1:1.4:0.6 水泥 kg 168 143 125 200.5 珍珠岩 kg 1. 16 1.23 1.30 菱苦土粉 kg 411.12 565.29 锯沫 kg 1.51 0.73 砂子 kg 494.71 107 胶 kg 208.43 颜料 kg 水泥石碴(豆石)浆配合比表 单位:立方米 项目 材料 单位 普通石碴浆 水泥豆石类 纯水磨石 剁斧石 水刷石 1:1.25 1:1.25 1:1.25 (掺 30%石屑) 1:1.25 1:1.25 1:2 水泥 kg 868 723 868 858 848 661 石碴 kg 1369 1530 石碴 kg 958.3 1369 石屑 kg 410.7 豆石 kg 1427 1632 豆石砼及灰土配合比表 单位:立方米 项目 材料 单位 豆石砼(体积比) 灰土 1:2:4 1:2:3 1:2:2 3:7 2:8 水泥 kg 267 311 379 豆石 kg 1432 1256 1022 砂子 kg 665 776 946 白灰 kg 226 151 水泥蛭石(珍珠岩)配合比表 单位:立方米 项目 材...

1、当您付费下载文档后,您只拥有了使用权限,并不意味着购买了版权,文档只能用于自身使用,不得用于其他商业用途(如 [转卖]进行直接盈利或[编辑后售卖]进行间接盈利)。
2、本站所有内容均由合作方或网友上传,本站不对文档的完整性、权威性及其观点立场正确性做任何保证或承诺!文档内容仅供研究参考,付费前请自行鉴别。
3、如文档内容存在违规,或者侵犯商业秘密、侵犯著作权等,请点击“违规举报”。

碎片内容

水泥砂浆配合比表

您可能关注的文档

小辰8+ 关注
实名认证
内容提供者

出售各种资料和文档

确认删除?
VIP
微信客服
  • 扫码咨询
会员Q群
  • 会员专属群点击这里加入QQ群
客服邮箱
回到顶部