电脑桌面
添加小米粒文库到电脑桌面
安装后可以在桌面快捷访问

沥青路面用沥青混合料的分类

沥青路面用沥青混合料的分类_第1页
1/17
沥青路面用沥青混合料的分类_第2页
2/17
沥青路面用沥青混合料的分类_第3页
3/17
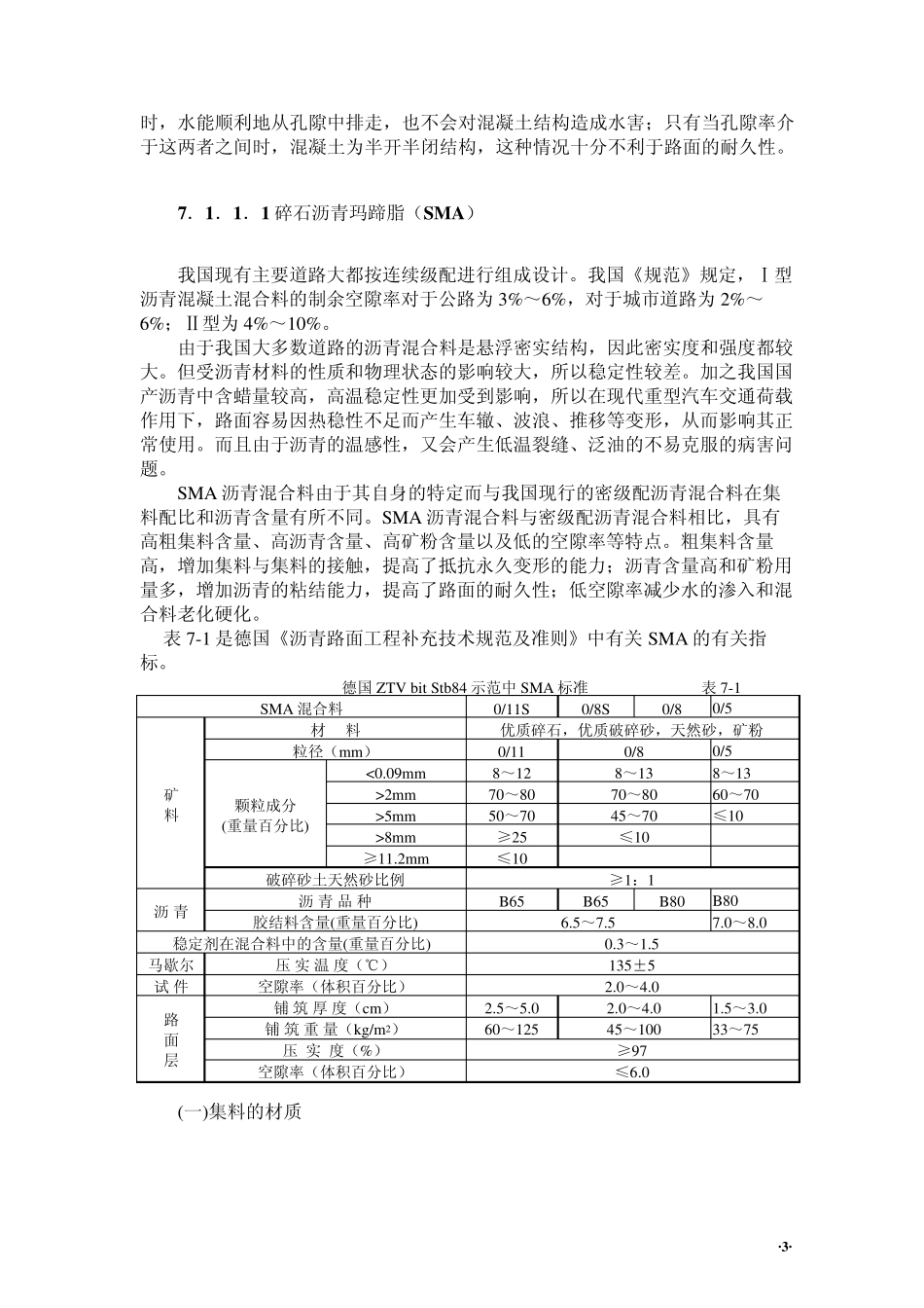
·1· 第七章 沥青混合料的组成设计 沥青混合料从颗粒均匀预涂沥青的沥青涂层碎石(coated stone)到沥青玛碲脂(mastic asphalt)其成分变化无穷。然而,沥青混合料大体上可以分为沥青混凝土(asphalt)和沥青碎石(macadam)两大类。 沥青混凝土与碎石的主要区别如下:  沥青混凝土的集料级配一般由颗粒大致均匀的粗集料加上大量的细集料和很少量的中等大小的集料组成。  沥青混凝土的强度与砂/填料/沥青成份的劲度即沥青砂浆有关;为了砂浆要有足够的劲度,制造沥青混凝土时要用比较硬的沥青和含量高的填料;至于沥青碎石的强度,主要是依靠摩擦和集料颗粒间的机械互锁力,因此可以用较软等级的沥青。  由于沥青混凝土含的填料比例很大,也即是集料有大幅的表面积要用沥青裹覆,因而沥青用量较高;而沥青碎石含细小的集料少,因此用以裹覆集料的沥青少量也够了;沥青碎石内的沥青主要功能是在压实时作为润滑剂和在使用过程中粘结着集料颗粒。  沥青混凝土的空隙率低,基本上不透水并且用予繁重交通的道路上非常耐久;沥青碎石的空隙率相对较高而具透水性,并不如前者耐久。从沥青涂层碎石到沥青玛蹄脂各种沥青合料中,使用的沥青等级愈来愈硬,沥青、矿料和砂的含量增加,粗集料含量减少。 图 7-1 各种沥青混合料的典型级配曲线 ·2· §7 .1 道路沥青混合料的种类与性质 7.1.1 沥青混凝土 用不同粒径的碎石、天然砂、矿粉和沥青按一定比例以及最佳密实级配原则设计、在拌和机中热拌所得的混合料称沥青混凝土混合料。这种混合料的矿料部分应有严格的级配要求。它们经过压实后所得的材料具有规定的强度和孔隙率时称作沥青混凝土。沥青混凝土的强度和密实度是一般沥青混合料中最大的,但它们在常温或高温下都具有一定的塑性。沥青混凝土的高密实度使得它水稳性好,因此有较强的抗自然侵蚀能力,故寿命长、耐久性好,适合作为现代高速公路的柔性面层。从国外以及国内的工程实践来看,以沥青混凝土作为高等级公路或城市道路的路面材料已经相当普遍。 由于沥青混凝土的胶结料主要为沥青,沥青是一种对温度十分敏感的材料,这就导致了沥青混凝土的性质(主要为力学性能)受温度的影响十分突出(这也是沥青混合料最大的特点),如它们的劈裂强度随温度的变化可从零下温度的几兆帕到高温的零点几兆帕而不同。 沥青混凝土的分类从广义来说,可包括沥青玛碲脂(MA)、热压式沥青混凝土(HRA)、传统的密级配沥青混凝土(HMA)、...

1、当您付费下载文档后,您只拥有了使用权限,并不意味着购买了版权,文档只能用于自身使用,不得用于其他商业用途(如 [转卖]进行直接盈利或[编辑后售卖]进行间接盈利)。
2、本站所有内容均由合作方或网友上传,本站不对文档的完整性、权威性及其观点立场正确性做任何保证或承诺!文档内容仅供研究参考,付费前请自行鉴别。
3、如文档内容存在违规,或者侵犯商业秘密、侵犯著作权等,请点击“违规举报”。

碎片内容

沥青路面用沥青混合料的分类

确认删除?
VIP
微信客服
  • 扫码咨询
会员Q群
  • 会员专属群点击这里加入QQ群
客服邮箱
回到顶部