电脑桌面
添加小米粒文库到电脑桌面
安装后可以在桌面快捷访问

油冷式电动滚筒设计

油冷式电动滚筒设计_第1页
1/47
油冷式电动滚筒设计_第2页
2/47
油冷式电动滚筒设计_第3页
3/47
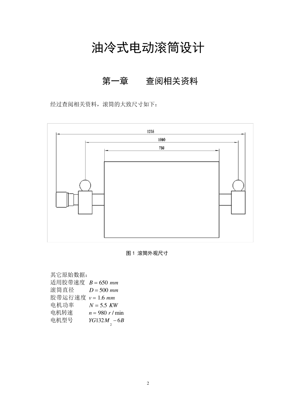
目 录 绪论·······························1 第一章 查阅相关资料·······················2 第二章 装置整体方案设计·····················3 第三章 传动方案设计·······················4 第四章 分配传动比························4 一、电动机选择······················4 二、确定传动装置的总传动比················4 第五章 传动机构结构设计·····················5 一、高速级齿轮传动的几何计算···············5 二、低速级齿轮传动的几何计算···············14 三、齿轮轴的设计计算···················25 四、齿轮轴上的轴承设计计算················29 五、法兰轴的设计计算···················31 六、法兰轴上的轴承设计计算················35 七、弹性挡圈的选用····················37 八、吊环的选用及几何参数·················38 九、键的选用及几何参数··················39 十、螺栓的计算······················39 第六章 滚筒其它结构设计·····················40 一、滚筒设计·······················40 二、端盖设计·······················41 总结·······························44 致谢·······························45 参考文献·····························46 1 绪 论 经过大学四年的时间,我们先后学习了公共文化、设计基础和零件设计等课程,比较系统地学习了所需的专业知识,已初步掌握本专业的各类专门技能,根据教学目标和教学计划要求,我们进行了这次毕业设计课程。 毕业设计是教学计划中最后一个综合性实践环节,是学生在教师的指导下,独立从事设计工作的又一次尝试,其基本目的是培养学生综合运用所学的基础理论、专业知识、基本技能研究和处理问题的能力。是我们对所学知识进行系统化、综合化运用、总结和...

1、当您付费下载文档后,您只拥有了使用权限,并不意味着购买了版权,文档只能用于自身使用,不得用于其他商业用途(如 [转卖]进行直接盈利或[编辑后售卖]进行间接盈利)。
2、本站所有内容均由合作方或网友上传,本站不对文档的完整性、权威性及其观点立场正确性做任何保证或承诺!文档内容仅供研究参考,付费前请自行鉴别。
3、如文档内容存在违规,或者侵犯商业秘密、侵犯著作权等,请点击“违规举报”。

碎片内容

油冷式电动滚筒设计

确认删除?
VIP
微信客服
  • 扫码咨询
会员Q群
  • 会员专属群点击这里加入QQ群
客服邮箱
回到顶部