电脑桌面
添加小米粒文库到电脑桌面
安装后可以在桌面快捷访问

电动葫芦安装施工工艺标准

电动葫芦安装施工工艺标准_第1页
1/6
电动葫芦安装施工工艺标准_第2页
2/6
电动葫芦安装施工工艺标准_第3页
3/6
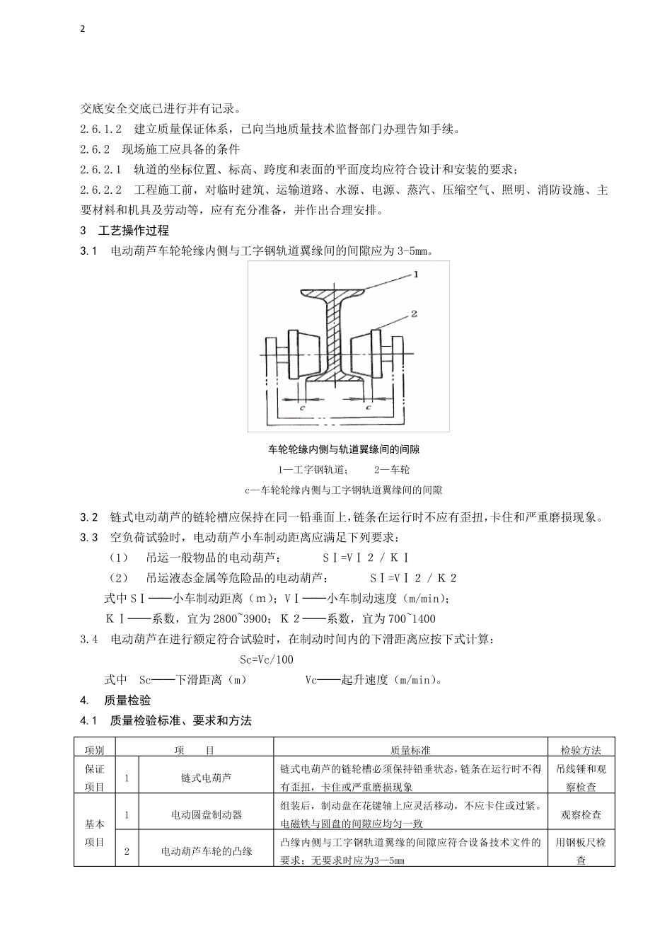
1 电动葫芦安装施工工艺标准 1 适用范围 本施工工艺标准适用于电动葫芦安装施工。 2 施工准备 2.1 技术准备 2.1.1 施工技术资料 设计院的工艺设备布置图、设备制造厂的装配图、安装、使用、维护说明书、 设备制造厂的企业标准。 2.1.2 施工技术规范 2.1.2.1 《机械设备安装工程施工及验收通用规范》 GB50231 2.1.2.2 《起重设备安装工程施工及验收规范》 GB50278 2.1.2.3 《工业安装工程质量检验评定统一标准》 GB50252 2.1.3 施工方案 电动葫芦安装施工方案 2.2 作业人员 序号 工种 持证上岗要求 备注 1 设备安装工程师 2 安装钳工 增加持证上岗 3 起重工 持证上岗 4 电工 持证上岗 5 辅助工 2.3 设备、材料的验收及保管 2.3.1 按设备装箱清单检查设备、材料及附件的型号、规格和数量、且应符合设计和设备技术文件的要求,并应有出厂合格证书及必要的出厂试验记录; 2.3.2 机、电设备应无变形、损伤和锈蚀,其中钢丝绳不得有锈蚀、损伤、弯折、打环、扭结、列嘴和松散现象; 2.3.3 其他辅助材料,应符合相应产品质量标准的要求,并按其品种、规格、牌号分类摆放和标识,以防损伤、腐蚀、变形、丢失等。 2.4 主要施工机具 手拉葫芦 电焊机 电动磨光机 2.5 施工测量及计量器具 塞尺 内径千分尺 外径千分尺 不锈钢平尺 不锈钢角尺 游 标卡 尺 2.6 作业条件 2.6.1 开 工审 批 及质保 体 系 的建 立 2.6.1.1 所 需 图纸 资料和技术文件齐 全 ,图纸 会 审 和设计交 底 已 进 行 ,施工方案已 编 制并审 批 ,技术 2 交底安全交底已进行并有记录。 2.6.1.2 建立质量保证体系,已向当地质量技术监督部门办理告知手续。 2.6.2 现场施工应具备的条件 2.6.2.1 轨道的坐标位置、标高、跨度和表面的平面度均应符合设计和安装的要求; 2.6.2.2 工程施工前,对临时建筑、运输道路、水源、电源、蒸汽、压缩空气、照明、消防设施、主要材料和机具及劳动等,应有充分准备,并作出合理安排。 3 工艺操作过程 3.1 电动葫芦车轮轮缘内侧与工字钢轨道翼缘间的间隙应为3-5mm。 车轮轮缘内侧与轨道翼缘间的间隙 1—工字钢轨道; 2—车轮 c—车轮轮缘内侧与工字钢轨道翼缘间的间隙 3.2 链式电动葫芦的链轮槽应保持在同一铅垂面上,链条在运行时不应有歪扭,卡住和严重磨损现象。 3.3 空负荷试验时,电动葫芦小车制动距离应满足下列要求: (1...

1、当您付费下载文档后,您只拥有了使用权限,并不意味着购买了版权,文档只能用于自身使用,不得用于其他商业用途(如 [转卖]进行直接盈利或[编辑后售卖]进行间接盈利)。
2、本站所有内容均由合作方或网友上传,本站不对文档的完整性、权威性及其观点立场正确性做任何保证或承诺!文档内容仅供研究参考,付费前请自行鉴别。
3、如文档内容存在违规,或者侵犯商业秘密、侵犯著作权等,请点击“违规举报”。

碎片内容

电动葫芦安装施工工艺标准

确认删除?
VIP
微信客服
  • 扫码咨询
会员Q群
  • 会员专属群点击这里加入QQ群
客服邮箱
回到顶部