电脑桌面
添加小米粒文库到电脑桌面
安装后可以在桌面快捷访问

电子元件检测标准

电子元件检测标准_第1页
1/8
电子元件检测标准_第2页
2/8
电子元件检测标准_第3页
3/8
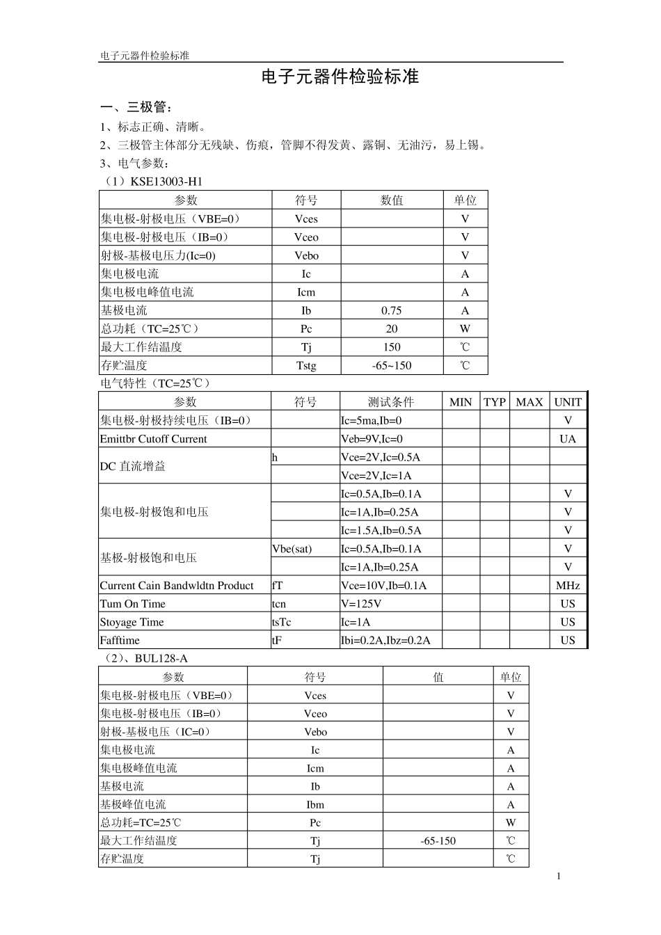
电子元器件检验标准 1 电子元器件检验标准 一、三极管: 1、标志正确、清晰。 2、三极管主体部分无残缺、伤痕,管脚不得发黄、露铜、无油污,易上锡。 3、电气参数: (1)KSE13003-H1 参数 符号 数值 单位 集电极-射极电压(VBE=0) Vces 700 V 集电极-射极电压(IB=0) Vceo 400 V 射极-基极电压力(Ic=0) Vebo 9 V 集电极电流 Ic 1.5 A 集电极电峰值电流 Icm 3 A 基极电流 Ib 0.75 A 总功耗(TC=25℃) Pc 20 W 最大工作结温度 Tj 150 ℃ 存贮温度 Tstg -65~150 ℃ 电气特性(TC=25℃) 参数 符号 测试条件 MIN TYP MAX UNIT 集电极-射极持续电压(IB=0) Vceo(sus) Ic=5ma,Ib=0 400 V Emittbr Cutoff Current Iebo Veb=9V,Ic=0 10 UA DC 直流增益 hfe Vce=2V,Ic=0.5A 8 20 Vce=2V,Ic=1A 5 25 集电极-射极饱和电压 Vce(sat) Ic=0.5A,Ib=0.1A 0.5 V Ic=1A,Ib=0.25A 1 V Ic=1.5A,Ib=0.5A 3 V 基极-射极饱和电压 Vbe(sat) Ic=0.5A,Ib=0.1A 1 V Ic=1A,Ib=0.25A 1.2 V Current Cain Bandwldtn Product fT Vce=10V,Ib=0.1A 4 MHz Tum On Time tcn V=125V 1.1 US Stoyage Time tsTc Ic=1A 4 US Fafftime tF Ibi=0.2A,Ibz=0.2A 0.7 US (2)、BUL128-A 参数 符号 值 单位 集电极-射极电压(VBE=0) Vces 700 V 集电极-射极电压(IB=0) Vceo 400 V 射极-基极电压(IC=0) Vebo 9 V 集电极电流 Ic 4 A 集电极峰值电流 Icm 8 A 基极电流 Ib 2 A 基极峰值电流 Ibm 4 A 总功耗=TC=25℃ Pc 70 W 最大工作结温度 Tj -65-150 ℃ 存贮温度 Tj 150 ℃ 电子元器件检验标准 2 热数据: Rthj-case 热阻结—壳(最大) 1.78 ℃/W Rthj-amb 热阻结—环境(最大) 62.5 ℃/W 电气特性 (Tcase=25℃): Stmbol Parameter Test Conditions Min. Ty p Max . Unit Ices 集电极断开电流 Vce=700V 100 üA (Vbe=1.5V) Vce=700V Tj=125℃ 500 üA Vebo 射极-基极电压 Ie=10mA 9 üA Vceo(svs) 集电极-射极持续电压 Ic=100mA 400 V (Ib=0) L=25mH Iceo 基极开路集电极断开电流 Vce=400V 250 üA Vce(sat) Collector-Emitter Ic=0.5A, Ib=0.1A 0.5 0.7 V Satu ration v oltage Ic=1A, Ib=0.2A 1 V 集电极-射极饱和电压 Ic=2.5...

1、当您付费下载文档后,您只拥有了使用权限,并不意味着购买了版权,文档只能用于自身使用,不得用于其他商业用途(如 [转卖]进行直接盈利或[编辑后售卖]进行间接盈利)。
2、本站所有内容均由合作方或网友上传,本站不对文档的完整性、权威性及其观点立场正确性做任何保证或承诺!文档内容仅供研究参考,付费前请自行鉴别。
3、如文档内容存在违规,或者侵犯商业秘密、侵犯著作权等,请点击“违规举报”。

碎片内容

电子元件检测标准

确认删除?
VIP
微信客服
  • 扫码咨询
会员Q群
  • 会员专属群点击这里加入QQ群
客服邮箱
回到顶部