电脑桌面
添加小米粒文库到电脑桌面
安装后可以在桌面快捷访问

电子初学者电路图如何看

电子初学者电路图如何看_第1页
1/45
电子初学者电路图如何看_第2页
2/45
电子初学者电路图如何看_第3页
3/45
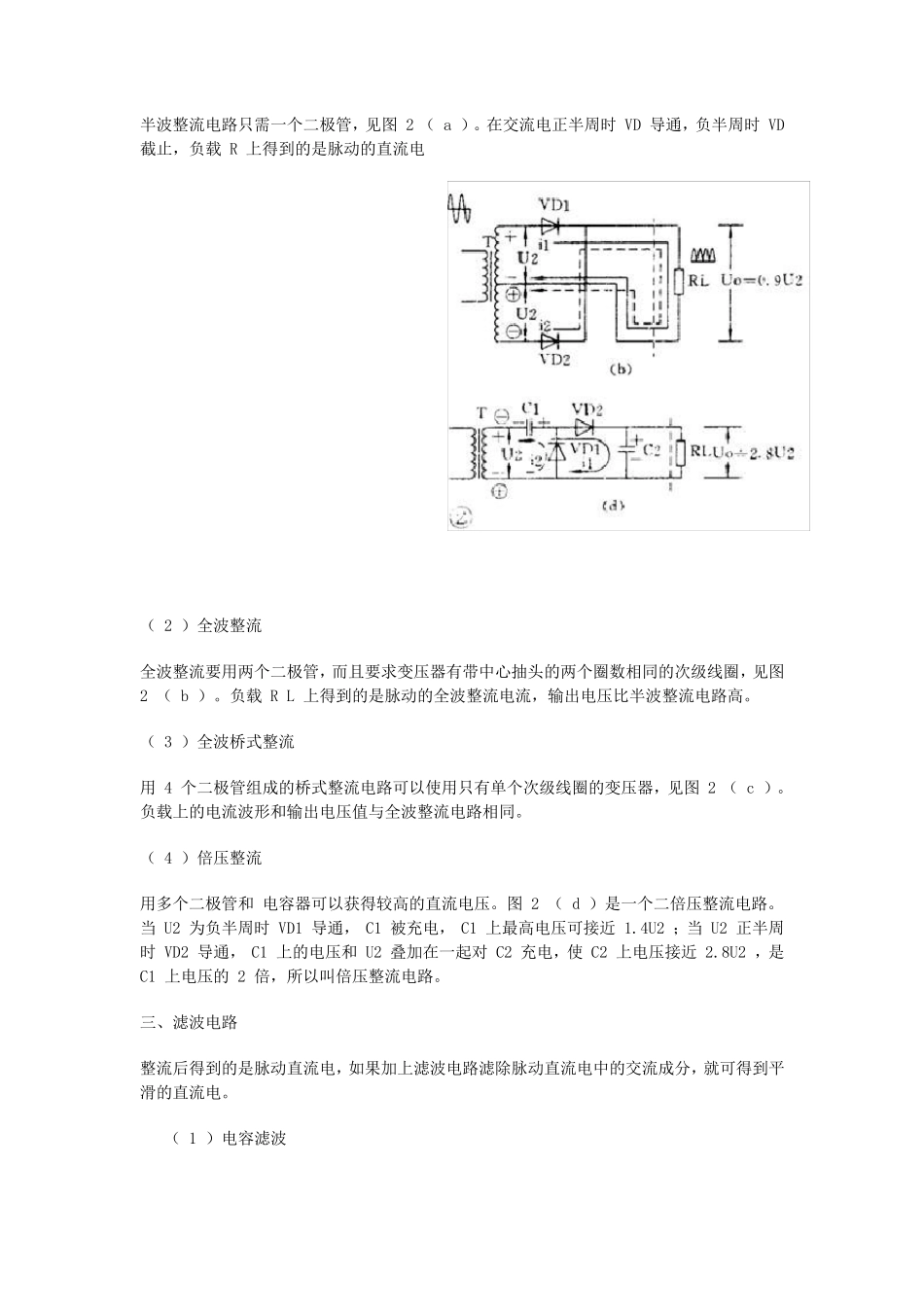
教 你 轻 松 读 懂 电 路 图 大 家 可 能 对 有 的 电 路 图 还 是 有 些 捉 摸 不 透 , 此 文 系 统的 讲 解 一 下 电 路 图 的 读 法 , 希 望 对 您 有 所 帮 助 前 面 介 绍 了 电 路 图 中 的 元 器 件 的 作 用 和 符 号 。 一 张 电 路 图 通 常 有 几 十 乃 至 几 百 个 元 器件 , 它 们 的 连 线 纵 横 交 叉 , 形 式 变 化 多 端 , 初 学 者 往 往 不 知 道 该 从 什 么 地 方 开 始 , 怎 样 才能 读 懂 它 。 其 实 电 子 电 路 本 身 有 很 强 的 规 律 性 , 不 管 多 复 杂 的 电 路 , 经 过 分 析 可 以 发 现 , 它是 由 少 数 几 个 单 元 电 路 组 成 的 。 好 象 孩 子 们 玩 的 积 木 , 虽 然 只有 十 来种或二三十 种块块,可 是 在孩 子 们 手中 却可 以 搭成 几 十 乃 至 几 百 种平面 图 形 或立体模型。 同样 道 理, 再复 杂 的 电路 , 经 过 分 析 就可 发 现 , 它 也是 由 少 数 几 个 单 元 电 路 组 成 的 。 因此 初 学 者 只要先熟悉常 用的 基本 单 元 电 路 , 再学 会分 析 和 分 解 电 路 的 本 领, 看懂 一 般的 电 路 图 应该 是 不 难的 。 按单 元 电 路 的 功能 可 以 把它 们 分 成 若干类, 每一 类又有 好 多 种, 全部单 元 电 路 大 概总有 几 百 种。 下 面 我们 选最常 用 的 基本 单 元 电 路 来介 绍 。 让我们 从 电 源电 路 开 始 。 一 、电 源电 路 的 功能 和 组 成 每 个 电 子 设备都有 一 个 供给能 量的 电 源电 路 。 电 源电 路 有 整流电 源、逆变 电 源和 变 频器 三种。 常 见的 家 用 电 器 中 多 数 要用 到直流电 源。 直流电 源的 最简单 的 供电 方 法 是 用 电 池。 但电 池有 成 本 高、体积 大 、需要不 时更换(蓄电 池则要经 常 充电 )的 缺点, 因此 最经 济可 靠而又方 便的 是 使用 整流电 源。 电 子 电 路 中 的 电 源一 般是 低压直流电 , 所 以 要想从 220 伏市电 变 换成 直流电 , 应该 先...

1、当您付费下载文档后,您只拥有了使用权限,并不意味着购买了版权,文档只能用于自身使用,不得用于其他商业用途(如 [转卖]进行直接盈利或[编辑后售卖]进行间接盈利)。
2、本站所有内容均由合作方或网友上传,本站不对文档的完整性、权威性及其观点立场正确性做任何保证或承诺!文档内容仅供研究参考,付费前请自行鉴别。
3、如文档内容存在违规,或者侵犯商业秘密、侵犯著作权等,请点击“违规举报”。

碎片内容

电子初学者电路图如何看

您可能关注的文档

确认删除?
VIP
微信客服
  • 扫码咨询
会员Q群
  • 会员专属群点击这里加入QQ群
客服邮箱
回到顶部