电脑桌面
添加小米粒文库到电脑桌面
安装后可以在桌面快捷访问

电工常用电路图

电工常用电路图_第1页
1/16
电工常用电路图_第2页
2/16
电工常用电路图_第3页
3/16
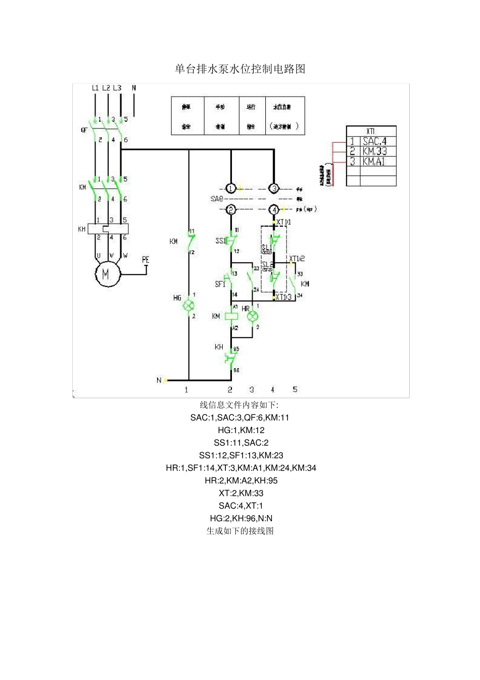
单台排水泵水位控制电路图 线信息文件内容如下: SAC:1,SAC:3,QF:6,KM:11 HG:1,KM:12 SS1:11,SAC:2 SS1:12,SF1:13,KM:23 HR:1,SF1:14,XT:3,KM:A1,KM:24,KM:34 HR:2,KM:A2,KH:95 XT:2,KM:33 SAC:4,XT:1 HG:2,KH:96,N:N 生成如下的接线图 项 目 一 点 动 与 长 动 控 制 线 路 及 绘 图 规 则 知 识 点 部 分 一 、 图 形 、 文 字 符 号 1 、 图 形 符 号 图 形 符 号 通 常 用 于 图 样 或 其 它 文 件 , 用 以 表 示 一 个 设 备 或 概 念 的 图 形 、 标 记 或 字 符 。 电 气 控 制 系 统 图 中 的 图 形 符 号 必 须 按 国 家 标 准 绘 制 。 2 、 文 字 符 号 文 字 符 号 分 为 基 本 文 字 符 号 和 辅 助 文 字 符 号 。文 字 符 号 适 用 于 电 气 技 术 领 域 中 技 术 文 件的 编 制 , 也 可 表 示 在 电 气 设 备 、 装 置 和 元 件 上 或 其 近 旁 以 标 明 它 们 的 名 称 、 功 能 、 状 态 和 特征 。 3 、 主 电 路 各 接 点 标 记 三 相 交 流 电 源 引 入 线 采 用 L1、 L2、 L3 标 记 。 电 源 开 关 之 后 的 三 相 交 流 电 源 主 电 路 分 别按 U、 V、 W 顺 序 标 记 。 分 级 三 相 交 流 电 源 主 电 路 采 用 三 相 文 字 代 号 U、 V、 W 的 前 边 加 上 阿拉 伯 数 字 1、 2、 3 等 来 标 记 , 如 1U、 1V、 1W; 2U、 2V、 2W 等 。 二 、 绘 图 原 则 电 气 控 制 系 统 图 包 括 电 气 原 理图 、 电 气 安装 图 (电 器安装 图 、 互连图 )和 框图 等 。 各 种图 的 图 纸尺寸一 般选用 297 × 210 、 297 × 420 、 297 × 630 、 297 × 840 ( mm )四种幅面, 特 殊需要可 按 GB126 — 74 《机械制 图 》国 家 标 准 选用 其 他尺寸。 三 、 电 器控 制 线 路 的 构成和 基 本 保护 1、 继电 器-接 触 器控 制 电 路 的 表 示 方 法 继电 器-接 触 器控 制 电 路 一 般有 安装 接 线 图 和 工 作 原 理图 两 种表 示 方 法 。 安装 接 线 图 :这 种表...

1、当您付费下载文档后,您只拥有了使用权限,并不意味着购买了版权,文档只能用于自身使用,不得用于其他商业用途(如 [转卖]进行直接盈利或[编辑后售卖]进行间接盈利)。
2、本站所有内容均由合作方或网友上传,本站不对文档的完整性、权威性及其观点立场正确性做任何保证或承诺!文档内容仅供研究参考,付费前请自行鉴别。
3、如文档内容存在违规,或者侵犯商业秘密、侵犯著作权等,请点击“违规举报”。

碎片内容

电工常用电路图

您可能关注的文档

确认删除?
VIP
微信客服
  • 扫码咨询
会员Q群
  • 会员专属群点击这里加入QQ群
客服邮箱
回到顶部