电脑桌面
添加小米粒文库到电脑桌面
安装后可以在桌面快捷访问

电工技能实训报告(xy)

电工技能实训报告(xy)_第1页
1/11
电工技能实训报告(xy)_第2页
2/11
电工技能实训报告(xy)_第3页
3/11
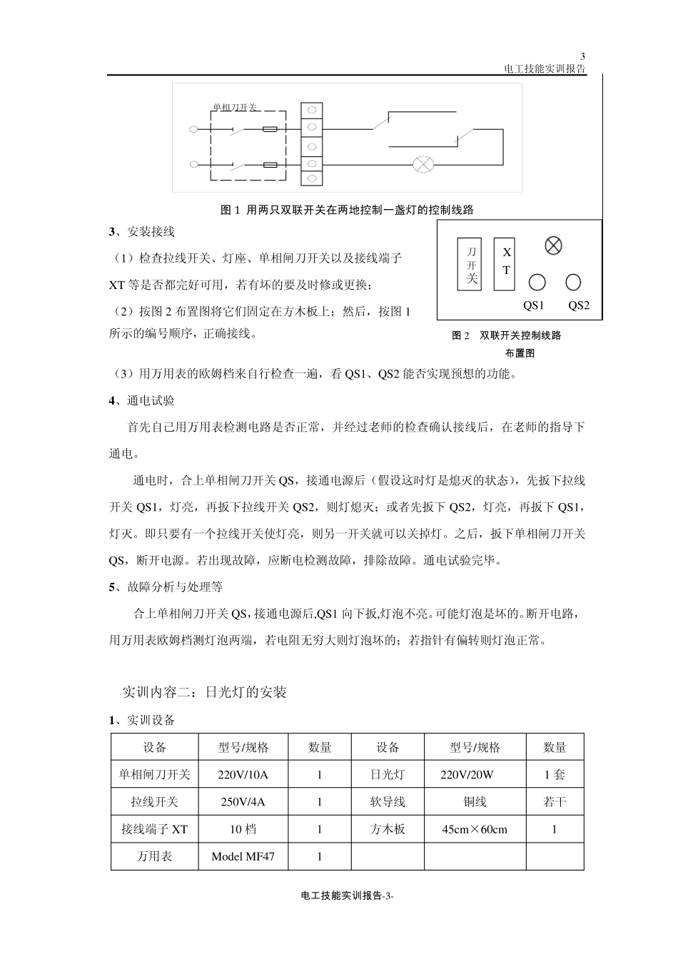
1 电工技能实训报告 电 工 技 能 实 训 报 告 -1 - 目 录 一、实训目的 „„„„„„„„„„„„„„„„„„„„„2 二、实训要求 „„„„„„„„„„„„„„„„„„„„„2 三、实训内容 „„„„„„„„„„„„„„„„„„„„„2 实训内容一:双联开关在两地控制一盏灯 „„„„„„„„„„2 实训内容二:日光灯的安装 „„„„„„„„„„„„„„„3 实训内容三:三相异步电动机的点动、自锁控制 „„„„„„„5 实训内容四:三相异步电动机的正反转控制 „„„„„„„„„6 实训内容五:三相异步电动机星-三角自动降压起动控制 „„„„8 四、参考文献 „„„„„„„„„„„„„„„„„„„„„„1 0 五、实训总结 „„„„„„„„„„„„„„„„„„„„„„1 0 2 电工技能实训报告 电 工 技 能 实 训 报 告 -2- 电工技能实训报告 一、实训目的 通过实训培养学生的读图能力,使学生全面掌握电工的基本知识,基本操作,线路与布线的合理布局与安装工艺,常用设备的使用,安装,检测,调试与维护,电路故障的分析与处理,同时使学生通过电工基本操作技能训练,注意与生产劳动相结合,重视工艺规程,促进理论联系实际,为今后从事专业打下良好的基础。 二、实训要求 1.本实训要求每人一组完成实训项目; 2.严格遵守作息制度,不得迟到缺课,如确需要临时到图书馆查找资料,报告指导教师; 3.根据安装接线图连接好后,先自我检查,再经老师检查确认接线正确后,方可进行通电调试;若有故障则判断故障的可能原因及排除故障。 三、实训内容 实训内容一:双联开关在两地控制一盏灯 1 、实训设备 设备 型号/规格 数量 设备 型号/规格 数量 单相闸刀开关 220V10A 1 灯泡 220V/25W 1 双联开关 250V/6A 2 软导线 铜线 若干 灯座 插口式 1 接线端子 10 档 1 万用表 Model MF47 1 方木板 45cm×60cm 1 2 、控制原理 用两只双联开关在两地控制一盏灯的控制线路如图 1 所示,QS1 安装在甲地、QS2 安装在乙地。假设刚开始时,灯是熄灭的。如图 1 先将甲地将开关QS1 向下扳,电路通路灯亮,则再将乙地将开关QS2 向上扳,电路断路,灯就会熄灭。同样地,如图 1,先在乙地向上扳QS2,灯亮了,则再在甲地向下扳 QS1,灯就熄灭了。 3 电工技能实训报告 电 工 技 能 实 训 报 告 -3- QS2QS1185183NU 1851837316EL 84XT...

1、当您付费下载文档后,您只拥有了使用权限,并不意味着购买了版权,文档只能用于自身使用,不得用于其他商业用途(如 [转卖]进行直接盈利或[编辑后售卖]进行间接盈利)。
2、本站所有内容均由合作方或网友上传,本站不对文档的完整性、权威性及其观点立场正确性做任何保证或承诺!文档内容仅供研究参考,付费前请自行鉴别。
3、如文档内容存在违规,或者侵犯商业秘密、侵犯著作权等,请点击“违规举报”。

碎片内容

电工技能实训报告(xy)

确认删除?
VIP
微信客服
  • 扫码咨询
会员Q群
  • 会员专属群点击这里加入QQ群
客服邮箱
回到顶部