电脑桌面
添加小米粒文库到电脑桌面
安装后可以在桌面快捷访问

电机学复习总结重庆大学电气工程学院

电机学复习总结重庆大学电气工程学院_第1页
1/11
电机学复习总结重庆大学电气工程学院_第2页
2/11
电机学复习总结重庆大学电气工程学院_第3页
3/11
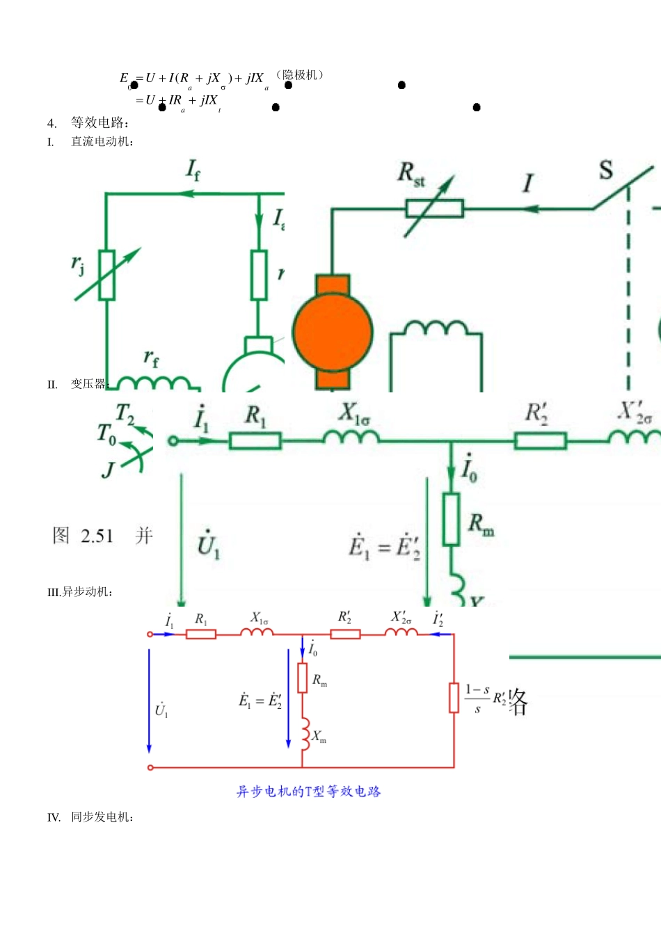
一、电机学共同问题 1. 空载、负载磁场、漏磁场的产生: 直流电机、变压器、异步电机、同步电机空载时的主磁场各是由什么产生的? 直流电机、变压器、异步电机、同步电机负载时的合成磁场各是由什么产生的? 漏磁场是如何产生的?何时有?何时无? 2. 磁势平衡方程、电枢反应问题 变压器、异步电机中,磁势平衡方程说明了什么? 直流电机、同步电机中,电枢反应的物理意义是是什么? 磁势平衡和电枢反应有何联系? 3. 数学模型问题: I. 直流电机: u = E + I×ra (+ 2Ub)(电动) E = u + I×ra (+ 2Ub)(发电) E = CE n CE = PNa/60/a TE = CM Ia CM = PNa/2/a 其中Na 上总导体数 II. 变压器: 折算前11112222120121022/mLUEI ZUEI ZIIkIEkEEI ZUI Z  折算后 11112222012121022'''''''''mLUEI ZUEIZIIIEEEI ZUIZ  III. 异步电机:f 折算后11112222σ012121mm//ieUEI ZEIRsjXIIIkEk EEI Z   w 折算后11112222σ1021210m/jUEI ZEIRsXIIIEEEI Z    未折算时 111122222201212221mm, , sssssesUEI ZEIRjXXsXFFFEk EEsEEI Z   IV. 同步电机:0()adadqaqaddqqEUI RjXjI XjI XUIRjI XjI X(凸极机、双反应理论) 0()aaatEUI RjXjIXUIRjIX(隐极机) 4. 等效电路: I. 直流电动机: II. 变压器: III.异步动机: IV . 同步发电机: 隐极机 5. 相量图及其绘制 I. 直流电机: (无) II. 变压器: 6. 异步电机: IV .同步电机 隐极机(不计饱和) 6. 交流绕组与直流绕组 共同的概念 直流电机独有 交流电机独有 单层、双层绕组 叠绕组、波绕组 y 1、y2、y 短距、长距、整距 集中、分布 换向器节距 yk 电刷 电刷移位 几何中性线 物理中性线 绕组系数:111Nyqkk k 短距系数:11sin90yyk 分布系数:111sin 2sin 2qqkq 分数槽绕组 单一闭合回路 并联支路对数 a 三相星形、三角形 并联支路数 a 主磁场、漏磁场、励磁磁场 圆形旋磁: 椭圆旋磁: 脉振磁场: 磁场旋转速度:6...

1、当您付费下载文档后,您只拥有了使用权限,并不意味着购买了版权,文档只能用于自身使用,不得用于其他商业用途(如 [转卖]进行直接盈利或[编辑后售卖]进行间接盈利)。
2、本站所有内容均由合作方或网友上传,本站不对文档的完整性、权威性及其观点立场正确性做任何保证或承诺!文档内容仅供研究参考,付费前请自行鉴别。
3、如文档内容存在违规,或者侵犯商业秘密、侵犯著作权等,请点击“违规举报”。

碎片内容

电机学复习总结重庆大学电气工程学院

小辰5+ 关注
实名认证
内容提供者

出售各种资料和文档

确认删除?
VIP
微信客服
  • 扫码咨询
会员Q群
  • 会员专属群点击这里加入QQ群
客服邮箱
回到顶部