电脑桌面
添加小米粒文库到电脑桌面
安装后可以在桌面快捷访问

电梯交付使用前的验收标准及程序

电梯交付使用前的验收标准及程序_第1页
1/8
电梯交付使用前的验收标准及程序_第2页
2/8
电梯交付使用前的验收标准及程序_第3页
3/8
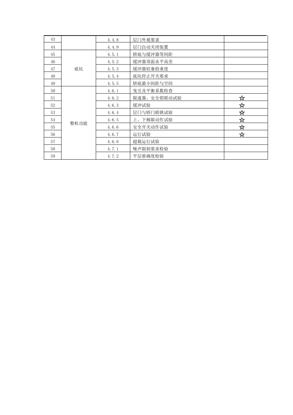
电梯交付使用前的验收标准及程序 一、验收依据 (一)GB7588-2003 的《电梯制造与安装安全规范》中的“附录 D交付使用前的检验及试验”;GB/T10060— 93 中的《电梯安装验收规范》;国家质量监督检验检疫总局发布的《电梯监督检验规程》已于2005 年 1 月 1 日实施及DB11/420— 2007《电梯安装、改造、重大维修和维护保养自检规则》 中的“附录 B 北京市电梯施工自检记录” 二、安装验收条件 (一)验收电梯的工作条件应符合 GB10058 的规定 (二)提交验收的电梯应具备完整的资料和文件 1、制造企业应提供的资料和文件: a、装箱单(一册) b、产品出厂合格证及产品合格证(各一份) c、机房井道布置图(一份) d、使用维护说明书(应含电梯润滑汇总图表和电梯功能表)(一册) e、动力电路和安全电路的电气线路示意图及符号说明 f、电气敷设图 g、部件安装图(在随机图册中包含) h 安装说明书(在“安装使用维护说明”书中包含) i、安全部件:门锁装置、限速器、安全钳及缓冲器型式试验报告结论副本各一份 2、安装企业应提供的的资料和文件 a、安装自检记录和检验报告(各一份) b、电梯验收检验报告(一份) c、安装过程中事故记录与处理报告(如果有) d、由电梯使用单位提出的经制造企业同意的变更设计的证明文件(如果有) 三、检验项目内容及顺序 一般总是从机房开始 井道轿厢;层轿门 井道底坑 整机性能检验。 见(附件 1、2) 附件1 : 电梯验收检验项目分类表 序号 项类 规范条目 检验项目 备注 1 机房 4.1.1 主电源开关要求 2 4.1.2 断错相保护装置 3 4.1.3 敷设与接地要求 4 4.1.4 线管、槽敷设要求 5 4.1.5 控制柜屏、安装位置 6 4.1.6 楼板钢丝绳洞孔 7 4.1.7 曳引机承重梁要求 8 4.1.8 旋转轮等涂色标志 9 4.1.9 旋转部件润滑要求 10 4.1.10 制动器松、合闸要求 11 4.1.11 绳、带轮铅垂度要求 12 4.1.12 限速器运转等要求 13 4.1.13 停电或故障应急措施 14 井道 4.2.1 导轨安装要求 15 4.2.2 导轨上端位置要求 16 4.2.3 导轨侧工作面直线度 17 4.2.4 导轨接头要求 18 4.2.5 导轨顶面间距 19 4.2.6 导轨固定要求 20 4.2.7 导轨下端支承地面要求 21 4.2.8 对重装置要求 22 4.2.9 限速器绳至导轨面偏差 23 4.2.10 轿厢与对重距离等要求 24 4.2.11 轿顶最小空间要求 25 4.2.12 井道照明要求 26 4...

1、当您付费下载文档后,您只拥有了使用权限,并不意味着购买了版权,文档只能用于自身使用,不得用于其他商业用途(如 [转卖]进行直接盈利或[编辑后售卖]进行间接盈利)。
2、本站所有内容均由合作方或网友上传,本站不对文档的完整性、权威性及其观点立场正确性做任何保证或承诺!文档内容仅供研究参考,付费前请自行鉴别。
3、如文档内容存在违规,或者侵犯商业秘密、侵犯著作权等,请点击“违规举报”。

碎片内容

电梯交付使用前的验收标准及程序

确认删除?
VIP
微信客服
  • 扫码咨询
会员Q群
  • 会员专属群点击这里加入QQ群
客服邮箱
回到顶部