电脑桌面
添加小米粒文库到电脑桌面
安装后可以在桌面快捷访问

电梯控制电路资料

电梯控制电路资料_第1页
1/22
电梯控制电路资料_第2页
2/22
电梯控制电路资料_第3页
3/22
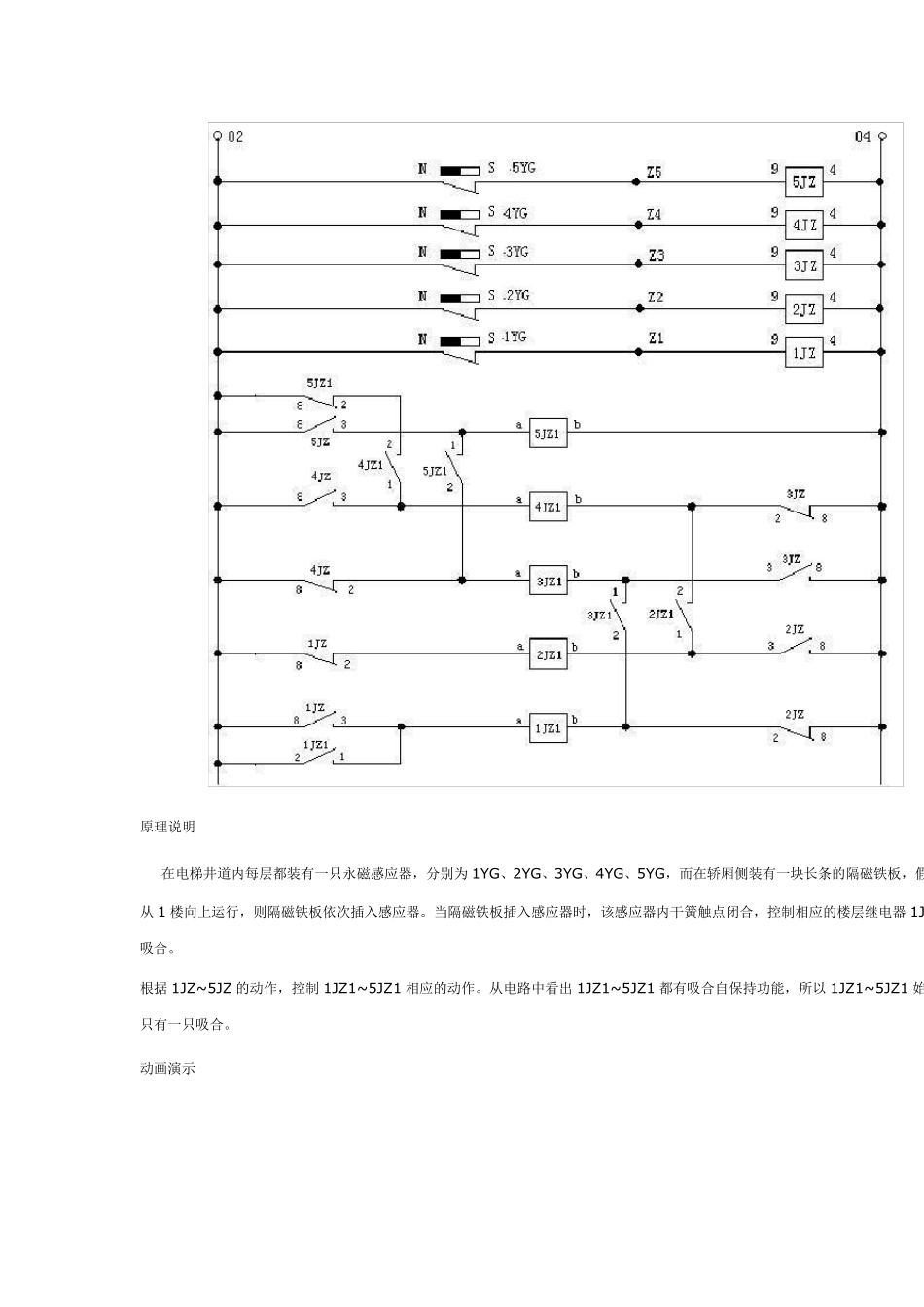
主回路 1、主回路原理图 2、原理说明 (1)电梯开始向上启动运行时,快车接触器 K 吸合,向上方向接触器 S 吸合。因为刚启动时接触器 1A 还未吸合,所以 380V 通过电阻电抗RQA、XQ 接通电动机快车绕阻,使电动机降压起动运行。 (2)约经过 2 秒左右延时,接触器 1A 吸合,短接电阻电抗,使电动机电压上升到 380V。电梯再经过一个加速最后达到稳速快车运行状态。 (3)电梯运行到减速点时,上方向接触器 S 仍保持吸合,而快车 K 释放,1A 释放,慢车 M 吸合。因为此时电动机仍保持高速运转状态,电机进入发电制动状态。如果慢车绕阻直接以 380V 接入,则制动力矩太强,而使电梯速度急速下降,舒适感极差。所以必需要分级减速。最先让电源串联电阻电抗,减小慢车线圈对快速运行电动机的制动力。经过一定时间,接触器 2A 吸,短接一部分电阻,使制动力距增加一些。然后再 3A、4A 也分级吸合,使电梯速度逐级过渡到稳速慢车运行状态。 (4)电梯进入平层点,S、M、2A、3A、4A 同时释放,电动机失电,制动器抱闸,使电梯停止运行。 (相关资料:电动机特性曲线变化) 3、动画演示 安全回路 1、原理图 2、原理说明 由整流器出来的 110V 直流电源,正极接通过熔断丝 1RD 接到 02 号线,负极通过熔断丝 2RD 接到 01 号线。 把电梯中所有安全部件的开关串联一起,控制电源继电器 JY,只要安全部件中有任何一只起保护,将切断 JY 继电器线圈电源,使 JY释放。 02 号线通过 JY 继电器的常开点接到 04 号线,这样,当电梯正常有电时,04 号与 01 号之间应用 110V 直流电,否则切断 04 号线,使后面所有通过 04 号控制的继电器失电。 串联一个电阻 RY 是起到一个欠电压保护。大家知道,当继电器线圈得到 110V 电吸合后,如果 110V 电源降低到一定范围,继电器线圈仍能维持吸合。这里,当电梯初始得电时,通过 JY 常闭触点(15、16)使 JY 继电器有 110V 电压吸合,JY 一旦吸合,其常闭触点(15、16)立即数开,让电阻 RY 串入 JY 线圈回路,使 JY 在一个维持电压下吸合。 这样当外部电源出现电压不稳定时,如果 01、02 两端电压降低,JY 继电器就先于其它继电器率先断开,起一个欠电压保护作用。 楼层控制回路 1、原理图 原理说明 在电梯井道内每层都装有一只永磁感应器,分别为1YG、2YG、3YG、4YG、5YG,而在轿厢侧装有一块长条的隔磁铁板,假从 1 楼向...

1、当您付费下载文档后,您只拥有了使用权限,并不意味着购买了版权,文档只能用于自身使用,不得用于其他商业用途(如 [转卖]进行直接盈利或[编辑后售卖]进行间接盈利)。
2、本站所有内容均由合作方或网友上传,本站不对文档的完整性、权威性及其观点立场正确性做任何保证或承诺!文档内容仅供研究参考,付费前请自行鉴别。
3、如文档内容存在违规,或者侵犯商业秘密、侵犯著作权等,请点击“违规举报”。

碎片内容

电梯控制电路资料

您可能关注的文档

确认删除?
VIP
微信客服
  • 扫码咨询
会员Q群
  • 会员专属群点击这里加入QQ群
客服邮箱
回到顶部