电脑桌面
添加小米粒文库到电脑桌面
安装后可以在桌面快捷访问

电气工程图形符号A

电气工程图形符号A_第1页
1/26
电气工程图形符号A_第2页
2/26
电气工程图形符号A_第3页
3/26
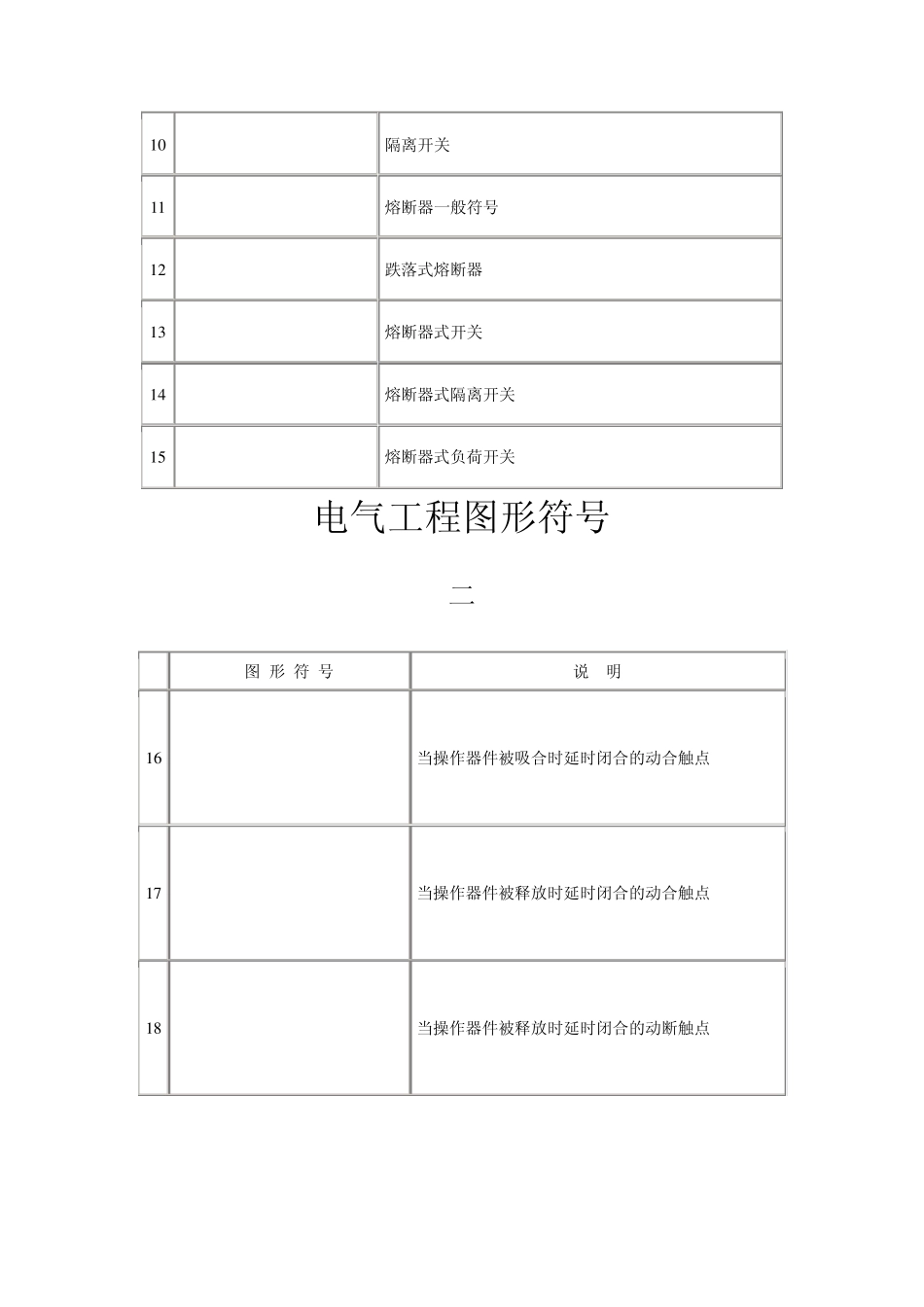
一、基本文字符号 符号 描述 符号 描述 符号 描述 C 电容器 EH 发热器件 EL 照明电 EV 空气调节器 FA 带瞬时动作的限流保护器件 FR 带延时动作的限流保护器件 FS 带瞬时、延时动作的限流保护器件 FU 熔断器 FV 限压保护器件 GS 同步发电机 GA 异步发电机 GB 蓄电池 HA 报警器 HL 指示灯 KA 过流继电器 KM 接触器 KR 热继电器 KT 延时继电器 L 电感器 M 电动机 MS 同步电动机 MT 力矩电动机 PA 电流表 PJ 电度表 PS 记录仪表 PV 电压表 QF 断路器 QM 电动机保护开关 QS 隔离开关 TA 电流互感器 TC 电源互感器 TV 电压互感器 XB 连接片 XJ 测试插孔 XP 插头 XS 插座 XT 端子排 YA 电磁铁 YM 电动阀 YV 电磁阀 电气工程图形符号 (一) 序号 图 形 符 号 说 明 1 开关(机械式) 2 多级开关一般符号单线表示 3 多级开关一般符号多线表示 4 接触器(在非动作位置触点断开) 5 接触器(在非动作位置触点闭合) 6 负荷开关(负荷隔离开关) 7 具有自动释放功能的负荷开关 8 熔断器式断路器 9 断路器 1 0 隔离开关 1 1 熔断器一般符号 1 2 跌落式熔断器 1 3 熔断器式开关 1 4 熔断器式隔离开关 1 5 熔断器式负荷开关 电气工程图形符号 (二) 图 形 符 号 说 明 1 6 当操作器件被吸合时延时闭合的动合触点 1 7 当操作器件被释放时延时闭合的动合触点 1 8 当操作器件被释放时延时闭合的动断触点 19 当操作器件被吸合时延时闭合的动断触点 20 当操作器件被吸合时延时闭合和释放时延时断开的动合触点 21 按钮开关(不闭锁) 22 旋钮开关、旋转开关(闭锁) 23 位置开关,动合触点 限制开关,动合触点 24 位置开关,动断触点 限制开关,动断触点 25 热敏开关,动合触点 注:θ 可用动作温度代替 26 热敏自动开关,动断触点 注:注意区别此触点和下图所示热继电器的触点 27 具有热元件的气体放电管荧光灯起动器 28 动合(常开)触点 注:本符号也可用作开关一般符号 29 动断(常闭)触点 3 0 先断后合的转换触点 电气工程图形符号 (三) 号 图 形 符 号 说 明 3 1 当操作器件被吸合或释放时,暂时闭合的过渡动合触点 3 2 座(内孔的)或插座的一个极 3 3 插头(凸头的)或插头的一个极 3 4 插头和插座(凸头的和内孔的) 3 5 接通的连接片 3 6 换接片 3 7 双绕组变压器 3 8...

1、当您付费下载文档后,您只拥有了使用权限,并不意味着购买了版权,文档只能用于自身使用,不得用于其他商业用途(如 [转卖]进行直接盈利或[编辑后售卖]进行间接盈利)。
2、本站所有内容均由合作方或网友上传,本站不对文档的完整性、权威性及其观点立场正确性做任何保证或承诺!文档内容仅供研究参考,付费前请自行鉴别。
3、如文档内容存在违规,或者侵犯商业秘密、侵犯著作权等,请点击“违规举报”。

碎片内容

电气工程图形符号A

小辰9+ 关注
实名认证
内容提供者

出售各种资料和文档

相关文档

确认删除?
VIP
微信客服
  • 扫码咨询
会员Q群
  • 会员专属群点击这里加入QQ群
客服邮箱
回到顶部