电脑桌面
添加小米粒文库到电脑桌面
安装后可以在桌面快捷访问

电除尘器基础载荷计算

电除尘器基础载荷计算_第1页
1/16
电除尘器基础载荷计算_第2页
2/16
电除尘器基础载荷计算_第3页
3/16
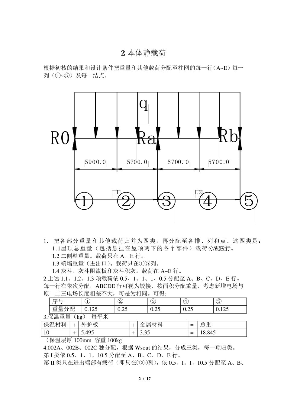
1 / 17 除尘器基础载荷计算 1电除尘器结构尺寸: 5900 5700 5700 5700170008900GASGASABCDE51805180518051802590023000① ② ③ ④ ⑤ 2 / 17 2 本体静载荷 根据初核的结果和设计条件把重量和其他载荷分配至柱网的每一行(A~E)每一列(①~⑤)及每一结点。 Raq①②③④⑤RbR0L15900.05700.05700.05700.0L2 1. 把各部分重量和其他载荷归并为四类,再分配至各排、列和点。这四类是: 1.1屋顶总重量(包括悬挂在屋顶两下的各个部件)载荷分配至A~E 行。 1.2 二侧壁重量。载荷只在 A、E 行。 1.3 端墙重量(进出口)。载荷只在①⑤列。 1.4 灰斗、灰斗阻流板和灰斗积灰。载荷在 A~E 行。 2.上述 1.1、1.2、1.3 项载荷依 0.5、1、1、1、0.5 分配至A、B、C、D、E 行。 每一行在依次分配,ABCDE 行可视为铰接,按面积分配重量,考虑新增电场与原一二三电场长度相差不大,可是为相同。可得: 序号 ① ② ③ ④ ⑤ 重量分配 0.125 0.25 0.25 0.25 0.125 3.保温重量(kg) 每平米 保温材料 + 外护板 + 金属材料 = 总重 10 + 5.495 + 3.35 = 18.845 (保温层厚 100mm 容重100kg 4.002A、002B、002C 独分配,根据Wsout 的结果,分成三类,每一项归类。 第 I 类依 0.5、1、1、10.5 分配至A、B、C、D、E 行。 第 II 类只在进出端部有载荷(即只在①⑤列),依 0.5、1、1、10.5 分配至A、B、 3 / 17 C、D、E 行。 第III 类Column按实际位置,重量分配。 002A 中纵梁只在B、C、D 行纵向斜撑只在C 行,属两侧墙部分只在AE 行。 002B 钢板重量按面积分配至屋顶面、两侧面、两端面,两侧面只在A、E 行,两端面只在①⑤列。 5.保温按屋顶面、两侧面、两端面面积估算。 表 1 第I 类 002A A B C D E 小计 纵梁 2599 3069 2599 8266 屋顶梁 2654 5308 5308 5308 2654 21231 屋顶肋 1833 3668 3668 3668 1833 14669 横撑 2708 5415 5415 5415 2708 21664 纵向横撑 8117 8117 侧墙 16194 16194 32388 灰斗梁 755 1510 1510 1510 755 1510 002B 屋顶面 2861 5721 5721 5721 2861 22880 二边侧墙 14094 14094 28188 壳体保温 屋顶面 1335 2671 2671 2671 1335 10684 二边侧墙 6583 6583 13167 002C 897 1794 1794 1794 897 7176 I 类总计 49914 28686 37273 28686 49914...

1、当您付费下载文档后,您只拥有了使用权限,并不意味着购买了版权,文档只能用于自身使用,不得用于其他商业用途(如 [转卖]进行直接盈利或[编辑后售卖]进行间接盈利)。
2、本站所有内容均由合作方或网友上传,本站不对文档的完整性、权威性及其观点立场正确性做任何保证或承诺!文档内容仅供研究参考,付费前请自行鉴别。
3、如文档内容存在违规,或者侵犯商业秘密、侵犯著作权等,请点击“违规举报”。

碎片内容

电除尘器基础载荷计算

小辰3+ 关注
实名认证
内容提供者

出售各种资料和文档

确认删除?
VIP
微信客服
  • 扫码咨询
会员Q群
  • 会员专属群点击这里加入QQ群
客服邮箱
回到顶部