电脑桌面
添加小米粒文库到电脑桌面
安装后可以在桌面快捷访问

皮带硫化培训材料

皮带硫化培训材料_第1页
1/15
皮带硫化培训材料_第2页
2/15
皮带硫化培训材料_第3页
3/15
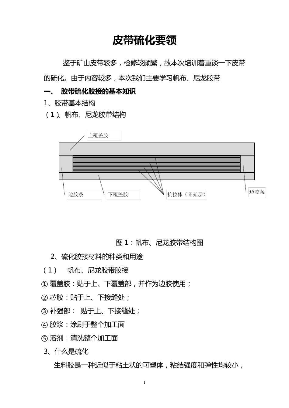
1 皮 带 硫 化 要 领 鉴 于 矿 山 皮 带 较 多 , 检 修 较 频 繁 , 故 本 次 培 训 着 重 谈 一 下 皮 带的 硫 化 。 由 于 内 容 较 多 , 本 次 我 们 主 要 学 习 帆 布 、 尼 龙 胶 带 一 、 胶带 硫 化 胶接的基本知识 1、 胶 带 基 本 结 构 ( 1)、 帆 布 、 尼 龙 胶 带 结 构 图 1: 帆 布 、 尼 龙 胶 带 结 构 图 2、 硫 化 胶 接 材 料 的 种 类 和 用 途 ( 1) 帆 布 、 尼 龙 胶 带 胶 接 ① 覆盖胶 : 贴于 上、 下 覆盖部, 并作为边胶 使用 ; ② 芯胶 : 贴于 上、 下 接 缝处; ③ 补强部: 贴于 上、 下 接 缝处; ④ 胶 浆: 涂刷于 整个加工面 ⑤ 溶剂: 清洗整个加工面 3、 什么是硫 化 生料 胶 是一 种 近似于 粘土状的 可塑体, 粘结 强度和 弹性均较 小,上覆盖胶 下覆盖胶 边胶条 边胶条 抗拉体(骨架层) 2 但 是 生 料 体 在 加 硫 磺 , 加 热 进 行 混 炼 后 , 经 过 化 学 变 化 而 成 为 具 有 弹性 的 橡 胶 。即 硫 磺 原 子 在 橡 胶 分 子 和 分 子 之 间 起 了 架 起 一 座 桥 梁 的 作用 , 使 橡 胶 分 子 结 合 在 一 起 , 这 一 过 程 叫 硫 化 4、 硫 化 胶 接 原 理 ( 1) 帆 布 芯 、 尼 龙 芯 胶 带 帆 布 芯 、 尼 龙 芯 胶 带 的 硫 化 胶 接 , 是 将 胶 带 接 头 部 的 胶 层 和 芯 层按 一 定 的 形 式 和 角 度 , 剖 剥 成 阶 梯 , 涂 以 胶 浆 使 其 粘 合 。 然 后 在 一 定的 压 力 、 温 度 和 时 间 条 件 下 , 经 过 硫 化 反 应 , 把 接 头 部 胶 粘 在 一 起 ,使 接 头 获 得 最 佳 的 粘 着 强 度 。 5、 胶 带 胶 接 硫 化 条 件 胶 带 胶 接 的 硫 化 条 件 , 是 指 硫 化 温 度 、 硫 化 时 间 和 硫 化 压 力 。 一 般统 称 胶 带 硫 化 胶 接 三 要 素 。 有 时 将 升 温 方 式 , 在 硫 化 胶 接 中 也 要 认 真加 以 控 制 。 ( 1) 硫 化 温 度 胶 带 硫 化 胶 接 时 的 硫 ...

1、当您付费下载文档后,您只拥有了使用权限,并不意味着购买了版权,文档只能用于自身使用,不得用于其他商业用途(如 [转卖]进行直接盈利或[编辑后售卖]进行间接盈利)。
2、本站所有内容均由合作方或网友上传,本站不对文档的完整性、权威性及其观点立场正确性做任何保证或承诺!文档内容仅供研究参考,付费前请自行鉴别。
3、如文档内容存在违规,或者侵犯商业秘密、侵犯著作权等,请点击“违规举报”。

碎片内容

皮带硫化培训材料

您可能关注的文档

确认删除?
VIP
微信客服
  • 扫码咨询
会员Q群
  • 会员专属群点击这里加入QQ群
客服邮箱
回到顶部