电脑桌面
添加小米粒文库到电脑桌面
安装后可以在桌面快捷访问

研发部新产品开发设计准则

研发部新产品开发设计准则_第1页
1/7
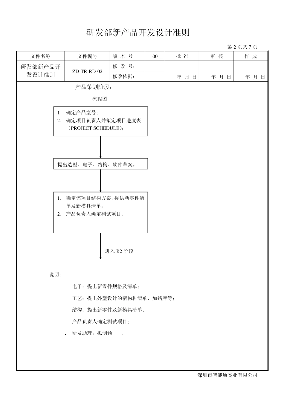
研发部新产品开发设计准则_第2页
2/7
研发部新产品开发设计准则_第3页
3/7
研发部新产品开发设计准则 第1 页共7 页 文件名称 文件编号 版本号: 00 批 准 审 核 作 成 研发部新产品开发设计准则 ZD-TR-RD-02 修改号: 年 月 日 年 月 日 年 月 日 修改依据: 1. 目的: 为确保经开发之产品符合产品规格要求。 规范每一开发阶段作业内容、职责和文件输出,使设计流程作业有所遵循,提升开发品质,确保产品开发绩效。 2. 范围: 新开发之各类产品或机种包括:(1)新产品(2)ODM订货新机种(3)衍生机种。 3. 参考资料: 品质手册 工程变更准则 4. 定义: 5. 内容: 5.1 权责: 5.1.1 营销部负责提供产品任务书; 5.1.2 研发部负责产品的研发(包括造型、电子、软件、结构的设计); 5.1.3 采购负责研发过程中的新物料的打样及开模等事宜; 5.1.4 品质部负责样品的检验、样机的高低温测试等; 5.1.5 生产部负责安排试作等; 5.1.6 工程部负责制作作业指导书及制具等。 5.2 产品开发控制流程(共分 4个阶段): (1)R1:产品策划阶段; (2)R2:产品初设计阶段; (3)R3:产品设计发展阶段; (4)R4:产品试产阶段; 深圳市智能通实业有限公司 研发部新产品开发设计准则 第2 页共7 页 文件名称 文件编号 版 本 号 00 批 准 审 核 作 成 研发部新产品开发设计准则 ZD-TR-RD-02 修 改 号: 年 月 日 年 月 日 年 月 日 修改依据: 5.2.1 R1 产品策划阶段: 流程图 进入R2 阶段 说明: 1. 电子:提出新零件规格及清单; 2. 工艺:提出外型设计的新物料清单,如铭牌等; 3. 结构:提出新零件及新模具清单; 4. 产品负责人确定测试项目; 5. 研发助理:拟制预BOM。 深圳市智能通实业有限公司 1. 确定该项目结构方案,提供新零件清单及新模具清单; 2. 产品负责人确定测试项目; 1. 确定产品型号; 2. 确定项目负责人并拟定项目进度表 (PROJECT SCHEDULE); 提出造型、电子、结构、软件草案。 研发部新产品开发设计准则 第3 页共7 页 文件编号 文件名称 版本号: 00 批 准 审 核 作 成 研发部新产品开发设计准则 ZD-TR-RD-02 修改号: 年 月 日 年 月 日 年 月 日 修改依据: 5.2.2 R2 产品设计阶段: 流程图 R1完成后 YES 接下页 深圳市智能通实业有限公司 开始细部架构设计: (1) 电子:1、架构原理图;2、线路图;3、初始产品规格书(含电子、结...

1、当您付费下载文档后,您只拥有了使用权限,并不意味着购买了版权,文档只能用于自身使用,不得用于其他商业用途(如 [转卖]进行直接盈利或[编辑后售卖]进行间接盈利)。
2、本站所有内容均由合作方或网友上传,本站不对文档的完整性、权威性及其观点立场正确性做任何保证或承诺!文档内容仅供研究参考,付费前请自行鉴别。
3、如文档内容存在违规,或者侵犯商业秘密、侵犯著作权等,请点击“违规举报”。

碎片内容

研发部新产品开发设计准则

确认删除?
VIP
微信客服
  • 扫码咨询
会员Q群
  • 会员专属群点击这里加入QQ群
客服邮箱
回到顶部