电脑桌面
添加小米粒文库到电脑桌面
安装后可以在桌面快捷访问

磨煤机的工作原理

磨煤机的工作原理_第1页
1/24
磨煤机的工作原理_第2页
2/24
磨煤机的工作原理_第3页
3/24
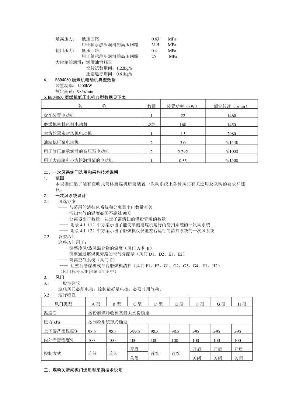
BBD 双进双出磨煤机 一、双进双出磨煤机的工作原理 双进双出磨煤机具有两个完全对称的粉磨回路,其工作原理如下:原煤通过能自动控制速度的给煤机进入落煤管,靠重力的作用落入输送装置的下方,被旋转的绞笼送入磨煤机的筒体,旋转的筒体内装有一定量的钢球,把原煤研磨成煤粉。一次风从磨煤机两侧的中空管进入磨机的筒体,对原煤和煤粉进行干燥,并将磨制好的煤粉通过绞笼体的环形通道输送到磨煤机上方的分离器中,不合格的粗煤粉返回筒体内重新粉磨,合格的细粉被送到锅炉的燃烧器。部分一次风进入混料箱,对原煤进行充分预干燥后进入磨煤机分离器,与入磨一次风混合,共同完成对煤粉的进一步干燥和输送。 二、双进双出磨煤机控制原理 与其它形式磨煤机不同,双进双出磨煤机不是通过给煤机来调节控制出力,而是靠调整通过磨煤机的一次风量进行控制。在运行中双进双出磨煤机无论负荷如何,磨内风煤比始终保持不变。这就是说在给定负荷下,如果想增减磨煤机出力,只需增减一次风量即可实现,这是双进双出磨煤机的独有特点。因此双进双出磨煤机响应锅炉负荷的调节时间非常短,可与燃油和燃气锅炉相媲美。恒定不变的磨内风煤比在低负荷情况下会导致输粉管道内的煤粉流速过低。为保证煤粉输送的通畅,通过附加风量(称作旁路风)保证煤粉的正常输送。 BBD双进双出磨煤机制粉系统系统的独到之处,是利用旁路风将预干燥和输粉的两个功能完美地结合起来。自动控制优化选择旁路风,使原煤的预干燥风能保持在需要值。旁路风具有预干燥和最终干燥的作用,它与原煤在混料箱内强烈混合,对原煤预干燥后进入分离器底部继续对煤粉进行最终干燥。煤的水份越高,优点就越突出。双进双出磨煤机的风煤比大大低于中速磨煤机的风煤比,能够保证锅炉在低负荷下正常运行,可减少锅炉在维持低负荷时燃用昂贵的燃油或天然气的费用。为保证双进双出磨煤机的正常运转,必需保持磨内有稳定的煤量。为此,采用一个单独的测量控制回路,通过测量磨内压差来调节给煤量。磨内煤量可通过噪音(电耳)测量控制装置(磨内的煤越多,发出的噪音越小)或压差测量控制装置(磨内的煤越多,压差越高)来控制。双进双出磨煤机在正常运行时磨内有很大的原煤储存量(约为装球量的15%),相当于磨煤机额定负荷 1/4 的煤量。它与采用一次风调节负荷的原理相结合,保证了双进双出磨煤机负荷响应时间很短。双进双出磨煤机的另一独到之处是具有两个完全对称的工作回路,运行时可同时使用两...

1、当您付费下载文档后,您只拥有了使用权限,并不意味着购买了版权,文档只能用于自身使用,不得用于其他商业用途(如 [转卖]进行直接盈利或[编辑后售卖]进行间接盈利)。
2、本站所有内容均由合作方或网友上传,本站不对文档的完整性、权威性及其观点立场正确性做任何保证或承诺!文档内容仅供研究参考,付费前请自行鉴别。
3、如文档内容存在违规,或者侵犯商业秘密、侵犯著作权等,请点击“违规举报”。

碎片内容

磨煤机的工作原理

您可能关注的文档

确认删除?
VIP
微信客服
  • 扫码咨询
会员Q群
  • 会员专属群点击这里加入QQ群
客服邮箱
回到顶部