电脑桌面
添加小米粒文库到电脑桌面
安装后可以在桌面快捷访问

童游隧道双侧壁导坑法施工方案

童游隧道双侧壁导坑法施工方案_第1页
1/17
童游隧道双侧壁导坑法施工方案_第2页
2/17
童游隧道双侧壁导坑法施工方案_第3页
3/17
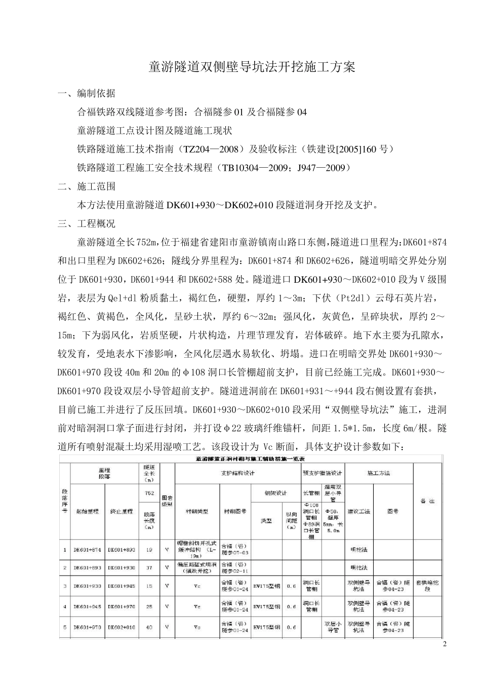
0 新建合福铁路客运专线(闽赣段)HFMG-5标 童游隧道 双侧壁导坑法开挖施工方案 编制: 复核: 审核: 中铁一局京福铁路客专闽赣V 标项目经理部 2010 年 12 月 1 目 录 一、编制依据 ............................................................................................................. 2 二、施工范围 ............................................................................................................. 2 三、工程概况 ............................................................................................................. 2 四、施工步骤 ............................................................................................................. 3 五、施工工艺 ............................................................................................................. 3 1、洞身开挖 ...................................................................................................................................................... 3 2、初期支护 ...................................................................................................................................................... 5 (1)初期支护施工程序 .............................................................................................................................. 5 (2 )施工方法 .......................................................................................................................................... 5 (3 )湿喷法喷射砼 .................................................................................................................................. 5 (4)型钢拱架施工 .................................................................................................................................. 8 (5)钢筋网施工 ...................................................................................................................................... 9 (6)中空锚杆、砂浆锚杆及锁脚钢管 ......................................

1、当您付费下载文档后,您只拥有了使用权限,并不意味着购买了版权,文档只能用于自身使用,不得用于其他商业用途(如 [转卖]进行直接盈利或[编辑后售卖]进行间接盈利)。
2、本站所有内容均由合作方或网友上传,本站不对文档的完整性、权威性及其观点立场正确性做任何保证或承诺!文档内容仅供研究参考,付费前请自行鉴别。
3、如文档内容存在违规,或者侵犯商业秘密、侵犯著作权等,请点击“违规举报”。

碎片内容

童游隧道双侧壁导坑法施工方案

您可能关注的文档

确认删除?
VIP
微信客服
  • 扫码咨询
会员Q群
  • 会员专属群点击这里加入QQ群
客服邮箱
回到顶部