电脑桌面
添加小米粒文库到电脑桌面
安装后可以在桌面快捷访问

第14章1上海帕萨特B5轿车全车电路图

第14章1上海帕萨特B5轿车全车电路图_第1页
1/19
第14章1上海帕萨特B5轿车全车电路图_第2页
2/19
第14章1上海帕萨特B5轿车全车电路图_第3页
3/19
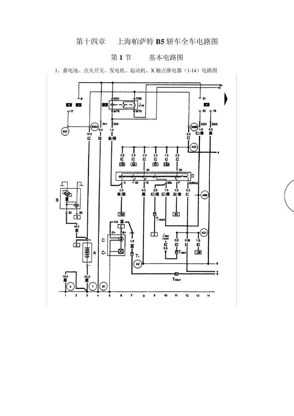
第十四章 上海帕萨特B 5 轿车全车电路图 第1 节 基本电路图 1、蓄电池、点火开关、发电机、起动机、X 触点继电器(1-14)电路图 A-蓄电池 B-起动机 C-发电机 C1-调压器 J59-X 触点继电器 J393-舒适电子的控制单元 T1-单针插头,蓝色,在发动机缸线体的右侧 T10d-10 针插头,棕色,在发动机室中的控制单元防护罩的左侧 T10f-10 针插头,蓝色,在左A 柱处(6 号位) T23-23 针插头,舒适电子的控制单元的连接插头 A2 -正极连接点(15),在仪表线束内 A17 –连接线(61),在仪表线束内 A21 –连接线(86S),在仪表线束内 A32 –正极连接线(30)在仪表板线束内 A86 –连接线(50b),在仪表板线束内 500A-螺栓连接点1(30c 火线),在继电器板上 500B -螺栓连接点1(30c 火线),在继电器板上 ①-接地点,蓄电池与车身 ②-接地点,变速器车身 81-接地连接点,在仪表板线束内 502-螺栓连接点3(30 火线),在继电器板上 2、电子防盗器、防盗器报警灯、自诊断接口、发电机充电指示灯(15-28)电路图 D2-防盗器识读线圈 J220-电喷控制单元 J285-仪表板显示控制单元 J362-防止盗器控制单元 K2-发电机充电指示灯 K117-防盗器报警灯 S12-保险丝 12,10A,在保险丝架上 S13-保险丝 13,10A,在保险丝架上 S15-保险丝 15,10A,在保险丝架上 S239-保险丝 39,15A,在保险丝架上 S240-保险丝 40,25A,在保险丝架上 T10b-10 针插头,黑色,在发动机室中的控制单元防护罩中的右侧(1 号位) T10d-10 针插头,棕色,在发动机室中的控制单元防护罩中的右侧(2 号位) T10e-10 针插头,橙色,在发动机室中的控制单元防护罩中的左侧(4 号位) T16-16 针插头,在换档操纵杆处,自诊断接口 T(16+3)-19 针插头,橙/红色,在发动机室中的控制单元防护罩中的右侧(3 号位) T32a-32 针插头,蓝色,在仪表板内 T32b-32 针插头,绿色,在仪表板内 A1 -正极连接线(30),在仪表线束内 A2 -正极连接线(15),在仪表线束内 A76 –K 诊断连接线,在仪表板线束内 81 -接地连接点,在仪表板内 3、仪表板、数字钟、里程表、灯光打开时报警蜂鸣器等(29-42)电路图 C22-里程表传感器,在变速器内 H16-灯光打开时的报警蜂鸣器 J220-电喷控制单元 J104-ABS 制动防打抱死系统的控制单元 J234-安全气囊的控制单元 J393-舒适电子的控制单元 L75-数字钟显示照明灯 S22-保险丝 22,5A...

1、当您付费下载文档后,您只拥有了使用权限,并不意味着购买了版权,文档只能用于自身使用,不得用于其他商业用途(如 [转卖]进行直接盈利或[编辑后售卖]进行间接盈利)。
2、本站所有内容均由合作方或网友上传,本站不对文档的完整性、权威性及其观点立场正确性做任何保证或承诺!文档内容仅供研究参考,付费前请自行鉴别。
3、如文档内容存在违规,或者侵犯商业秘密、侵犯著作权等,请点击“违规举报”。

碎片内容

第14章1上海帕萨特B5轿车全车电路图

您可能关注的文档

确认删除?
VIP
微信客服
  • 扫码咨询
会员Q群
  • 会员专属群点击这里加入QQ群
客服邮箱
回到顶部