电脑桌面
添加小米粒文库到电脑桌面
安装后可以在桌面快捷访问

第7章岩石地基工程

第7章岩石地基工程_第1页
1/28
第7章岩石地基工程_第2页
2/28
第7章岩石地基工程_第3页
3/28
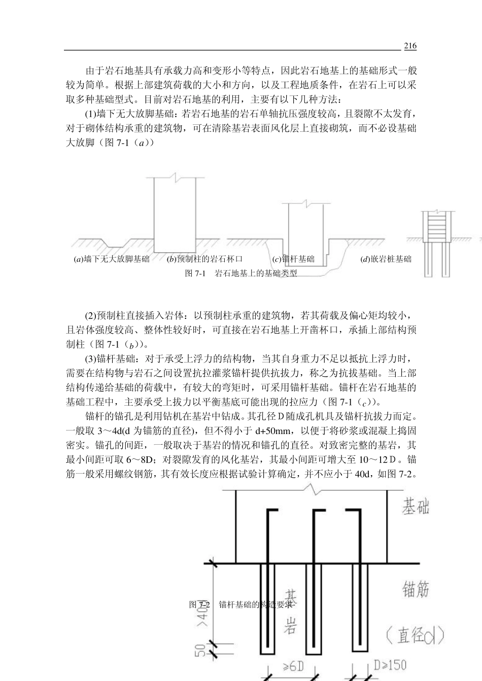
第7 章 岩石地基工程 §7.1 概 述 所谓岩石地基,是指建筑物以岩体作为持力层的地基。人们通常认为在土质地基上修建建筑物比在岩石地基上更具有挑战性,这是因为在大多数情况下,岩石相对于土体来说要坚硬很多,具有很高的强度以抵抗建筑物的荷载。例如,完整的中等强度岩石的承载力就足以承受来自于摩天大楼或大型桥梁产生的荷载。因此,国内外基础工程的关注重点一般都在土质地基上,对于岩石地基工程的研究相对来说就少得多,而且工程师们都倾向认为岩石地基上的基础不会存在沉降与失稳的问题。然而,工程师们在实际工程中面对的岩石在大多数情况下都不是完整的岩块,而是具有各种不良地质结构面,包括各种断层、节理、裂隙及其填充物的复合体,称之为岩体。同时岩体还可能包含有洞穴或经历过不同程度的风化作用,甚至非常破碎。所有这些缺陷都有可能使表面上看起来有足够强度的岩石地基发生破坏,并导致灾难性的后果。 由此,我们可以总结出岩石地基工程的两大特征:第一,相对于土质地基,岩石地基可以承担大得多的外荷载;第二,岩石中各种缺陷的存在可能导致岩体强度远远小于完整岩块的强度。岩体强度的变化范围很大,从小于 5MPa到大于 200MPa都有。当岩石强度较高时,一个基底面积很小的扩展基础就有可能满足承载力的要求。然而,当岩石中包含有一条强度很低且方位较为特殊的裂隙时,地基就有可能发生滑动破坏,这生动地反映了岩石地基工程的两大特征。 由于岩石具有比土体更高的抗压、抗拉和抗剪强度,因此相对于土质地基,可以在岩石地基上修建更多类型的结构物,比如会产生倾斜荷载的大坝和拱桥,需要提供抗拔力的悬索桥,以及同时具有抗压和抗拉性能的嵌岩桩基础。 为了保证建筑物或构筑物的正常使用,对于支撑整个建筑荷载的岩石地基,设计中需要考虑以下三个方面的内容: (1)基岩体需要有足够的承载能力,以保证在上部建筑物荷载作用下不产生碎裂或蠕变破坏; (2)在外荷载作用下,由岩石的弹性应变和软弱夹层的非弹性压缩产生的岩石地基沉降值应该满足建筑物安全与正常使用的要求; (3)确保由交错结构面形成的岩石块体在外荷载作用下不会发生滑动破坏,这种情况通常发生在高陡岩石边坡上的基础工程中。 与一般土体中的基础工程相比,岩石地基除了应该满足前两点,即强度和变形方面的要求外,还应该满足第三点,即地基岩石块体稳定性方面的要求,这也是由岩石地基工程的重要特征——地基岩体中包含各种结构面决定的。...

1、当您付费下载文档后,您只拥有了使用权限,并不意味着购买了版权,文档只能用于自身使用,不得用于其他商业用途(如 [转卖]进行直接盈利或[编辑后售卖]进行间接盈利)。
2、本站所有内容均由合作方或网友上传,本站不对文档的完整性、权威性及其观点立场正确性做任何保证或承诺!文档内容仅供研究参考,付费前请自行鉴别。
3、如文档内容存在违规,或者侵犯商业秘密、侵犯著作权等,请点击“违规举报”。

碎片内容

第7章岩石地基工程

您可能关注的文档

确认删除?
VIP
微信客服
  • 扫码咨询
会员Q群
  • 会员专属群点击这里加入QQ群
客服邮箱
回到顶部