电脑桌面
添加小米粒文库到电脑桌面
安装后可以在桌面快捷访问

职业病危害警示标志样板

职业病危害警示标志样板_第1页
1/7
职业病危害警示标志样板_第2页
2/7
职业病危害警示标志样板_第3页
3/7
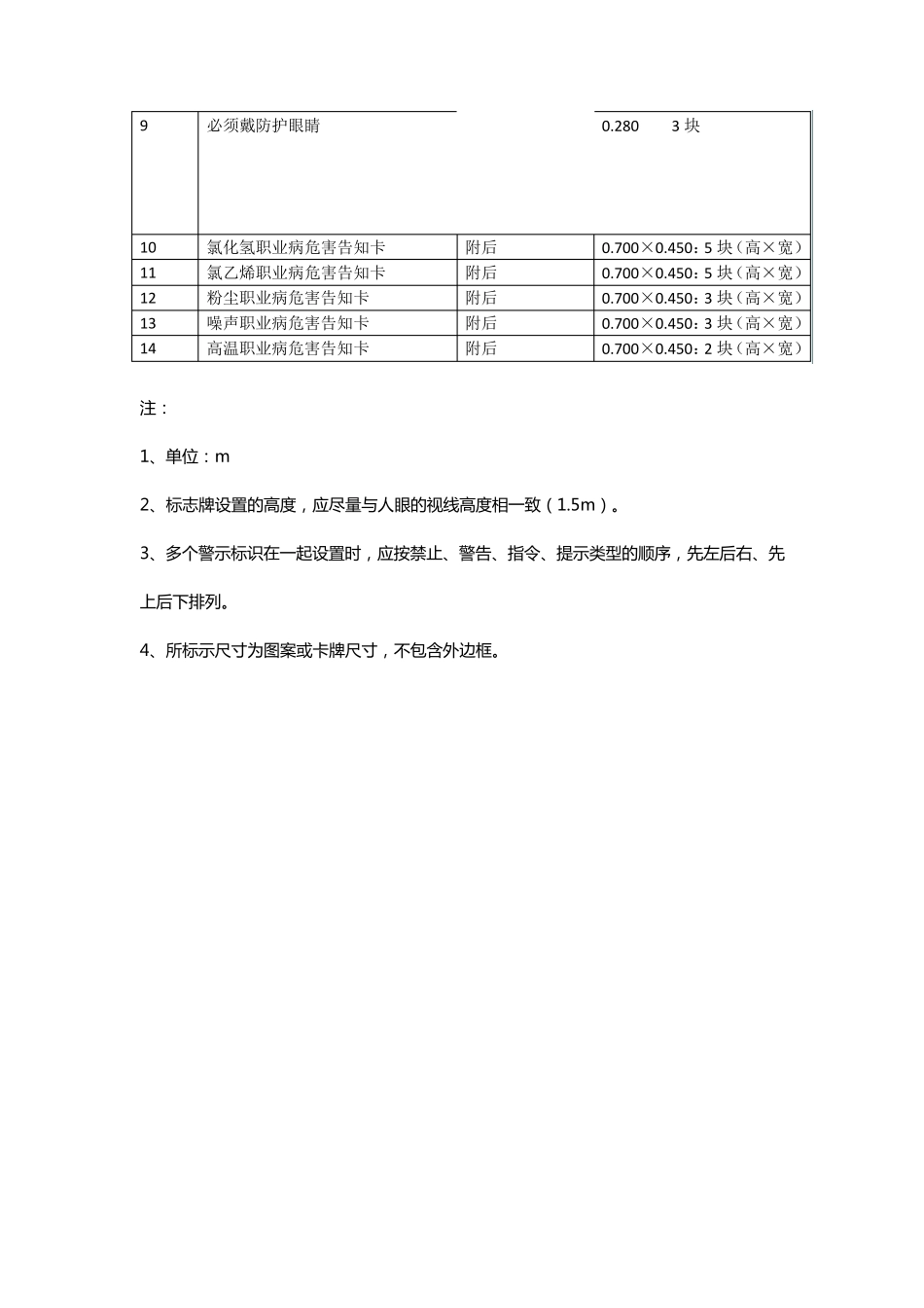
新材料职业病危害警示标志(2017.5.11) 序号 名称 图标 规格/数量 1 0.280 8 块 2 注意安全 0.350 8 块 3 注意粉尘 0.350 6 块 0.560 1 块 4 噪声有害 0.350 5 块 5 当心中毒 0.350 5 块 6 当心烫伤 0.350 6 块 7 必须戴防尘口罩 0.280 6 块 0.450 1 块 8 必须戴护耳器 0.280 5 块 9 必须戴防护眼睛 0.280 3 块 10 氯化氢职业病危害告知卡 附后 0.700×0.450:5 块(高×宽) 11 氯乙烯职业病危害告知卡 附后 0.700×0.450:5 块(高×宽) 12 粉尘职业病危害告知卡 附后 0.700×0.450:3 块(高×宽) 13 噪声职业病危害告知卡 附后 0.700×0.450:3 块(高×宽) 14 高温职业病危害告知卡 附后 0.700×0.450:2 块(高×宽) 注 : 1、单位: m 2、标志牌设置的高度,应尽量与人眼的视线高度相一致(1.5m)。 3、多个警示标识在一起设置时,应按禁止、警告、指令、提示类型的顺序,先左后右、先上后下排列。 4、所标示尺寸为图案或卡牌尺寸,不包含外边框。 职业病危害告知卡 工作场所存在氯化氢,对人体有损害,请注意防护 氯化氢 HYDROGEN CHLORIDE 理化特性 健康危害 无色、有刺鼻气味,比空气重。水溶液是一种强酸,与碱激烈反应,有腐蚀性。与氧化剂激烈反应,生成有毒氯气。有水存在时,浸蚀许多金属。 可通过皮肤和呼吸道引起皮肤灼伤、眼及呼吸道刺激症状。慢性影响:长期接触,引起慢性鼻炎、慢性支气管炎、牙齿酸蚀症及皮肤损害。 应急处理 一旦发生急性中毒,立即将中毒者移至空气新鲜处,如呼吸困难,给输氧。如呼吸停止,立即进行人工呼吸。并及时送医院抢救。食入:用水漱口,给饮牛奶或蛋清。就医。 防护措施 密闭操作,全面通风。操作人员必须经过专门培训,严格遵守 操作规 程 。密闭操作,注意通风。提 供 安 全淋 浴 和洗 眼设 备 。操作者必须穿 防护服 、戴 防毒面具 、防护手 套 。 标 准 限 值 : 检 测 数 据 : 检 测 日 期: 年 月 日 急救电 话 :120 消 防电 话 :119 职业卫 生咨 询 电 话 :xxxxxxxx 职业病危害告知卡 工作场所存在氯乙烯,对人体有损害,请注意防护 氯乙烯 VINYL CHLORIDE 理化特性 健康危害 无色、有醚样气味的气体,易燃,微溶于水,溶于乙醇、乙醚、丙酮等多数有机溶剂。 急性毒性表现为麻醉作用;长期接触可引起氯乙烯病。急...

1、当您付费下载文档后,您只拥有了使用权限,并不意味着购买了版权,文档只能用于自身使用,不得用于其他商业用途(如 [转卖]进行直接盈利或[编辑后售卖]进行间接盈利)。
2、本站所有内容均由合作方或网友上传,本站不对文档的完整性、权威性及其观点立场正确性做任何保证或承诺!文档内容仅供研究参考,付费前请自行鉴别。
3、如文档内容存在违规,或者侵犯商业秘密、侵犯著作权等,请点击“违规举报”。

碎片内容

职业病危害警示标志样板

确认删除?
VIP
微信客服
  • 扫码咨询
会员Q群
  • 会员专属群点击这里加入QQ群
客服邮箱
回到顶部