电脑桌面
添加小米粒文库到电脑桌面
安装后可以在桌面快捷访问

聚醚砜膜综述

聚醚砜膜综述_第1页
1/8
聚醚砜膜综述_第2页
2/8
聚醚砜膜综述_第3页
3/8
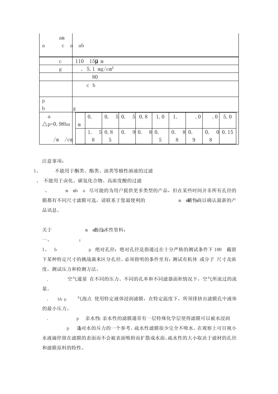
聚 醚 砜 膜 综 述 : Kenker Polyethersulfone聚 醚 砜 膜 (PESM)具 有 良 好 的 亲 水 性 和 通 量 , 很 好 的 化 学 稳 定 性 和惰 性 , 碱 性 PH稳 定 , 具 高 药 物 相 容 性 。 具 有 很 好 的 温 度 稳 定 性 能 , 整 片 滤 膜 可 以 在 保 证 完整 性 的 情 况 下 在 高 温 下 进 行 灭 菌 消 毒 。 并 在 此 过 程 中 保 持 良 好 的 抗 收 缩 性 能 , 避 免 在 滤 器 中发 生 膜 的 撕 裂 、流 速 的 降 低 和 整 个 过 滤 量 的 减 少 。Kenker Polyethersulfone聚 醚 砜 膜 (PESM)在 严 格 控 制 的 条 件 下 生 产 和 检 测 , 以 保 证 用 户 足 够 好 的 使 用 体 验 。 kenker membranes微 孔 滤 膜 具 有 多 种 不 同 的 材 质 和 规 格 , 给 实 验 者 提 供 了 更 多 的 选 择 , 并适 应 世 界 各 地 不 同 类 型 的 过 滤 器 , 即 使 客 户 使 用 的 是 非 Kenker或 非 标 准 的 过 滤 容 器 , 也 能在 kenker membranes中 发 现 合适 的 滤 膜 。 kenker membranes的 出色性 能 , 能 够 最大限度 的帮助实 验 者 获得所希望的 实 验 效果。 今天, 越来越多 的 用 户 倾向于选 择 kenker membranes的 产 品。 精确的 孔 径和 良 好 的 韧性 , 保 证 了 再现 性 和 一致性 的 良 好 表现 。 应 用 : ·离子色谱溶液过 滤 ·常规 过 滤 低 蛋白吸附过 滤 ·药 液过 滤 ·医药 行 业生 物 和 血清的 过 滤 、 大输液抗 菌 素等终端过 滤 ·食品行 业饮料、 酒等终端过 滤 ·超纯水 终端过 滤 ·对组织培养基、 添加剂、 缓冲液和 其它水 溶液进 行 快速 除菌 过 滤 技术指标 : PESM(Depending on the data obtained from sample testing, there may be differences between different individuals) Exterior White, smooth, pinhole-free hydrophilic Good Hydrophobic Poor Maximum working temperature 100℃ steam autoclavable yes Thickness 110-150μ m Weight 3.3-5.1 mg/cm² Porosity 72-80% Anti-soluble Exc...

1、当您付费下载文档后,您只拥有了使用权限,并不意味着购买了版权,文档只能用于自身使用,不得用于其他商业用途(如 [转卖]进行直接盈利或[编辑后售卖]进行间接盈利)。
2、本站所有内容均由合作方或网友上传,本站不对文档的完整性、权威性及其观点立场正确性做任何保证或承诺!文档内容仅供研究参考,付费前请自行鉴别。
3、如文档内容存在违规,或者侵犯商业秘密、侵犯著作权等,请点击“违规举报”。

碎片内容

聚醚砜膜综述

您可能关注的文档

确认删除?
VIP
微信客服
  • 扫码咨询
会员Q群
  • 会员专属群点击这里加入QQ群
客服邮箱
回到顶部