电脑桌面
添加小米粒文库到电脑桌面
安装后可以在桌面快捷访问

型钢悬挑防护棚计算书

型钢悬挑防护棚计算书_第1页
1/13
型钢悬挑防护棚计算书_第2页
2/13
型钢悬挑防护棚计算书_第3页
3/13
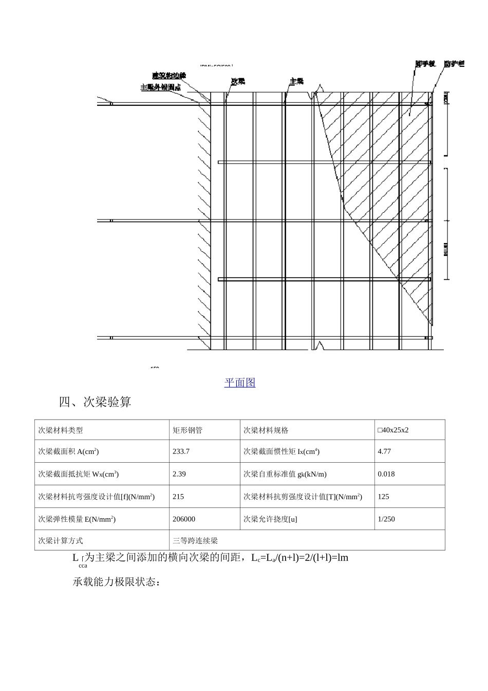
悬挑防护棚类型主梁上是否设置悬挑脚手架纵向次梁间距二、主梁布置及锚固参型钢悬挑防护棚计算书计算依据:1、《建筑施工扣件式钢管脚手架安全技术规范》JGJ130-20112、《建筑结构荷载规范》GB50009-20123、《钢结构设计规范》GB50017-2003、基本参数主梁与建筑物连接方式平铺在楼板上锚固点设置方式U 型锚固螺栓主梁建筑物内锚固长度 Lm(mm)1500主梁建筑物外悬挑长度 Lx(mm)4000主梁外锚固点到建筑物边缘的距离b(mm)200纵向次梁离墙水平距离 a(mm)250梁/楼板混凝土强度等级C351、防护棚荷载基本参数防护层内材料类型冲压钢脚手板防护层内材料自重标准值 gk1(kN/m2)0.35栏杆与挡脚板类型栏杆、冲压钢脚手板挡板栏杆与挡脚板自重标值 gk2(kN/m)0.16安全网自重 gk3(kN/m2)0.01冲击荷载 pk(kN)0.1示意图:剖立面示意图平面图四、次梁验算次梁材料类型矩形钢管次梁材料规格□40x25x2次梁截面积 A(cm2)233.7次梁截面惯性矩 Ix(cm4)4.77次梁截面抵抗矩 Wx(cm3)2.39次梁自重标准值 gk(kN/m)0.018次梁材料抗弯强度设计值[f](N/mm2)215次梁材料抗剪强度设计值[T](N/mm2)125次梁弹性模量 E(N/mm2)206000次梁允许挠度[u]1/250次梁计算方式三等跨连续梁L「为主梁之间添加的横向次梁的间距,Lc=La/(n+l)=2/(l+l)=lmcca承载能力极限状态:150|BM|a5Qj 500 」 q=1.2x(gk1+gk3)xLb+1.2xgk=1.2x(0.35+0.01)x0.5+1.2x0.018=0.238kN/m横向次梁的集中力:R=1.2xLbxgk=1.2x0.5x0.018=0.011kNPk=1.4pk=1.4x0.1=0.14kN正常使用极限状态:q'=(gk1+gk3)xLb+gk=(O.35+O.O1)x0.5+O.O18=O.198kN/m 横向次梁的集中力:R'=Lbxgk=O.5xO.O18=O.OO9kNPk'=°.1kN^.L4kPIID.aLlkM 血血止 ML- .■—4J 计计算简图弯矩图(kN・m)最大弯矩:M=0.129kN.m0.2530.261■3.CL1■:变形图(mm)最大挠度:v=7.014mmD.OIlkN心渤 N/m计算简图G.L190.11^Mmax=Max(0.129,0.119)=0.129kN.mo=Mmax/Wx=°.129xl06/(2.39xl03)=54.132N/mm2 口f]=215N/mm2次梁强度满足!2、抗剪验算Vmax=Max(0.374,0.314)=0.374kNTmaX=VmaX/(8Iz6)[bh02-(b-6)h2]=O.374x1OOOx[25x4O2-(25-2x2)x(40-2x2)2/(8x47700x2x2)=3.131N/mm2 口T]=125N/mm2满足要求!3、挠度验算vmax=Max(7.014,3.826)=7.014mm<[v]=La/250=2000/250=8mm 次梁挠度满足要求!4、支座反力计算极限状态下支座反力:R=Rmax=Max(0.635,0.614)=0.635kN次梁 max正常使用状态下支座反力:R 次梁=R'max=MaX(0.516,0.501)=0.516kN五、...

1、当您付费下载文档后,您只拥有了使用权限,并不意味着购买了版权,文档只能用于自身使用,不得用于其他商业用途(如 [转卖]进行直接盈利或[编辑后售卖]进行间接盈利)。
2、本站所有内容均由合作方或网友上传,本站不对文档的完整性、权威性及其观点立场正确性做任何保证或承诺!文档内容仅供研究参考,付费前请自行鉴别。
3、如文档内容存在违规,或者侵犯商业秘密、侵犯著作权等,请点击“违规举报”。

碎片内容

型钢悬挑防护棚计算书

wxg+ 关注
实名认证
内容提供者

该用户很懒,什么也没介绍

确认删除?
VIP
微信客服
  • 扫码咨询
会员Q群
  • 会员专属群点击这里加入QQ群
客服邮箱
回到顶部