电脑桌面
添加小米粒文库到电脑桌面
安装后可以在桌面快捷访问

医院后勤标准化管理流程图集VIP免费

医院后勤标准化管理流程图集_第1页
1/18
医院后勤标准化管理流程图集_第2页
2/18
医院后勤标准化管理流程图集_第3页
3/18
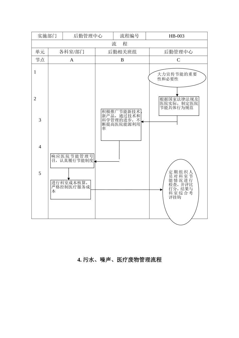
1.环境卫生管理流程2.内部道路、通道安全管理流程实施部门后勤管理中心流程编号HB-001流程单元各科室/部门劳动服务部后勤管理中心节点ABC123各科室负责督促保洁人员打扫本区域卫生打扫室内地面、墙面、桌面、门窗等按科室划分责任区域,负责本区域的卫生管理保持室外干净、花草检修等环境美化环境消毒,配置消毒液对门诊、病区等进行定期消毒垃圾收集及处理保洁人员负责全院日常环境卫生清洁定期组织人员对全院卫生状况进行检查,并评比打分,结果与科室综合考评挂钩3.节能管理流程实施部门后勤管理中心流程编号HB-002流程单元各科室/部门保安部/后勤管理中心节点AB123专人负责巡视道路畅通情况协助保持通道的畅通性与当地公安、城管、工商部门建立共建机制门前路口时刻保持畅通内部道路停车场救护车道、消防通道、楼内通道保持道路畅通引导车辆、行人有序安全通行为老弱残等需要帮助的人士给予及时帮助负责监督严禁烟火,定期检查消防器械的完好性内部职工车辆与外来车辆分开存放,确保车辆存放的有序,并按规定收取停车费设置并检查警示、指引标志是否完好定期检查通道的畅通及相关设施的完备性4.污水、噪声、医疗废物管理流程实施部门后勤管理中心流程编号HB-003流程单元各科室/部门后勤相关班组后勤管理中心节点ABC12345响应医院节能管理号召,认真履行节能制度根据国家法律法规及医院实际,制定医院节能具体行为规范大力宣传节能的重要性和必要性定期组织人员对科室节能情况进行检查,并评比打分,结果与科室综合考评挂钩积极推广节能新技术、新产品,通过技术和科学管理的进步,不断提高医院能源利用率进行科室成本核算,严格控制医疗服务成本6.建筑施工安全管理流程实施部门后勤管理中心流程编号HB-004流程单元各科室/部门后勤管理中心节点AB12345严格管理污水禁止污水直接排放污水处理按照规定,严格控制污水、噪声、医疗废物配合做好环保、卫生监督等部门执法检查工作应用过滤、混凝、活性炭吸附、离子交换等物理化学净化方法使之无害化爱护各种废水、废物、噪声控制设备,定期维护保养噪声处理医疗废物处理取样并化验,保证污水处理复核排放标准,并做好详细记录医院设计上考虑减低噪声设计,电梯、检查室、治疗室要考虑噪声因素减少病房噪声:医务人员穿软底鞋,减少陪护人员,为病床及各种推车加防撞轮,等等医疗废物收集由专车运送至政府指定的集中处理点统一集中销毁清理、消毒、封口,并认真做好过秤、交接及登记工作7.食品卫生安全管理流程实施部门后勤管理中心流程编号HB-006流程单元基建办保安部后勤管理中心/院领导节点ABC123456加强建筑施工安全检查和监督管理与施工单位签订安全责任书及安全生产协议书协助基建部开展防火防盗事务,协助处理突发事件记录备案做出批示发现重大安全隐患及时上报主管人员做出批示督促相关人员进行整改8.锅炉房安全管理流程实施部门后勤管理中心流程编号HB-007流程单元职工食堂后勤管理中心/院领导节点AB1234567891011按规定选择供货商工作人员严格执行《中华人民共和国食品卫生法》详细记录食品卫生安全情况,并定期汇报食品验收入库,并详细记录按食品卫生要求进行贮存按照卫生标准对餐具进行清洗和消毒食品采购的卫生安全管理发现重大食品安全事故时立即上报主管人员做出指示严格挑选食物严格管理食物运输按食物的特性进行烹饪,保证食品的安全在制定的地方及容器里销售食品,保证取放食品的卫生安全配合上级部门进行食品卫生检查按照指示处理事故10.供水排水管理流程实施部门后勤管理中心流程编号HB-008流程单元锅炉班后勤管理中心/院领导节点AB12345678910检查锅炉的各设施及部位,确认正常后方可开启锅炉定期更新锅炉及相关设施定期做排汽试验,保持气压稳定运行和压火时,必须严格监控按照领导指示抢救保护现场锅炉运行中,确保供水保持正常水位(60%-70%)当班领导做出指示冲洗水位表和点接点水位计,每班不少于2次发现重大异常情况时,必须立即采取紧急措施,并及时上报定期进行设备安全检验详细记录当班情况,并办好交接班手续11.卫生被服发放工作流程实施部门后勤管理中心流程编号HB-010流程单元水工班后勤管理中心/...

1、当您付费下载文档后,您只拥有了使用权限,并不意味着购买了版权,文档只能用于自身使用,不得用于其他商业用途(如 [转卖]进行直接盈利或[编辑后售卖]进行间接盈利)。
2、本站所有内容均由合作方或网友上传,本站不对文档的完整性、权威性及其观点立场正确性做任何保证或承诺!文档内容仅供研究参考,付费前请自行鉴别。
3、如文档内容存在违规,或者侵犯商业秘密、侵犯著作权等,请点击“违规举报”。

碎片内容

医院后勤标准化管理流程图集

您可能关注的文档

确认删除?
VIP
微信客服
  • 扫码咨询
会员Q群
  • 会员专属群点击这里加入QQ群
客服邮箱
回到顶部