电脑桌面
添加小米粒文库到电脑桌面
安装后可以在桌面快捷访问

变频器基本知识

变频器基本知识_第1页
1/22
变频器基本知识_第2页
2/22
变频器基本知识_第3页
3/22
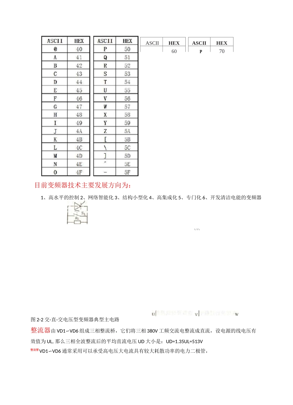
ASCIIHEXNUL.00SOH01STX02ETX03EOT04ENQ05ACK06BEL07ES08SH09LF0AVT'0BFFOCCR0DSO0ESIOFASCIIHEXASCIIHEXASCIIHEXDELJOSpace2G030.DCL11r21131DC212iW22232DC31323333DC!1$24434KAK15%25535SYN161&26E)36.ETB1?27137CAN.18(2883SEM19)29939SUB1A*2A3AESCIB+.2B.3BFS1C2C<3C;GSID2D3DRSIE2E>3EUSIF/2F?3F概述变频器就是利用电力半导体器件的通断作用将固定电压、频率的交流电变换为频率、电压都连续可调的交流电的装置,主要用于对异步电动机的调速控制,它与电动机之间连接框图如图 1-1 所示。按变频器的电路组成分类:从变频器的电路组成来看,变频器可分为交-交变频器和交-直-交变频器。1. 交-交变频器它是将频率固定的交流电源直接变换成频率连续可调的交流电源,其主要优点是没有中间环节,变换效率高。但其连续可调的频率范围窄,所采用的器件多,其应用收到很大限制。2、交-直-交变频器先将频率固定的交流电整流后变成直流,再经过逆变电路,把直流电逆变成频率连续可调的三相交流电,由于把直流电逆变成交流电较易控制,因此在频率的调节范围,以及变频后电动机特性改善等方面,都具有明显优势,目前使用最多的变频器均属于交-直-交变频器。根据直流环节的储能方式来分,交-直-交变频器又可分为电压型和交流电源变频器电动机负载电流型两种。1)电压型整流后若是靠电容来滤波,这种交-直-交变频器称为电压型变频器,而现在使用的变频器大部分为电压型。2)电流型整流后若是靠电感来滤波,这种交-直-交变频器称为电流型变频器,这种型式的变频器较为少见。根据调压方式的不同,交-直-交变频器又可分为脉幅调制(PAM)和脉宽调制(PWM)两种。3)脉幅调制(PAM)变频器输出电压的大小是通过改变直流电压(UD)来实现的,这种方法现在已经很少采用。4)脉宽调制(PWM)变频器输出电压的大小是通过改变输出脉冲的占空比来实现的。目前使用最多的是占空比按正弦规律变化的正弦波脉宽调制,即 SPWM 方式。按变频器的控制方式分类按不同的控制方式,变频器可分为 U/f 控制、矢量控制(VC)和直接转矩控制三种类型。按变频器的用途分类根据用途的不同变频器可分为通用变频器和专用变频器。ASCII 与 HEX 对照转换表ASCIIHEX60ASCIIHEXP70VD目前变频器技术主要发展方向为:1、高水平的控制 2、网络智能化 3、结构小型化 4、高集成化 5、专门化 6、开发清洁电能的变频器图 2-2 交-直-交电压型变频器典型主电路整流器由 VD1〜VD6 组...

1、当您付费下载文档后,您只拥有了使用权限,并不意味着购买了版权,文档只能用于自身使用,不得用于其他商业用途(如 [转卖]进行直接盈利或[编辑后售卖]进行间接盈利)。
2、本站所有内容均由合作方或网友上传,本站不对文档的完整性、权威性及其观点立场正确性做任何保证或承诺!文档内容仅供研究参考,付费前请自行鉴别。
3、如文档内容存在违规,或者侵犯商业秘密、侵犯著作权等,请点击“违规举报”。

碎片内容

变频器基本知识

确认删除?
VIP
微信客服
  • 扫码咨询
会员Q群
  • 会员专属群点击这里加入QQ群
客服邮箱
回到顶部