电脑桌面
添加小米粒文库到电脑桌面
安装后可以在桌面快捷访问

XX公司品质管理程序书——样品需求

XX公司品质管理程序书——样品需求_第1页
1/8
XX公司品质管理程序书——样品需求_第2页
2/8
XX公司品质管理程序书——样品需求_第3页
3/8
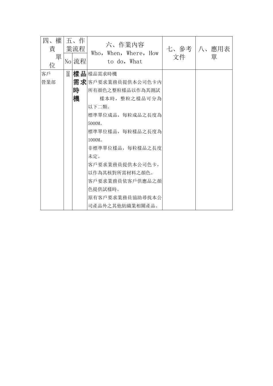
名翔恿線股份有限公司樣品需求管理程序書文件編號MS-S2-1902制訂日期:89 年11 月 1 日修訂日期: 年 月 日 版次:版頁 次第 1 頁共 4頁一、目的為提供客戶所需產品,爭取訂單,明確訂立樣品需求管理流程,以掌握其時效性。二、範圍為客戶試樣後,測試確認材質與顏色時,需本公司提供色卡或樣品時均適用之。三、定義1.規格品:本公司色卡上所有顏色之成品。2.打樣:客戶提供供應品,打樣員需於化驗室調配出相同顏色之色樣,供客戶確認。3.寶塔線:依形狀命名之成品。流程圖名翔恿線股份有限公司樣品需求管理程序書文件編號MS-S2-1902制訂日期:89 年 11月 1 日修訂日期: 年 月 日 版次:版頁 次第 2 頁共 4頁判定Y記錄存查A聯絡A樣品需求時機來源測狀況需求B申請 / 修改CCB查詢審核NNYNY製作 / 調貨/ 試樣交貨四、權責單位五、作業流程六、作業內容Who,When,Where,How to do,What七、參考文件八、應用表單No 流程客戶營業部1 樣品需求時機樣品需求時機客戶要求業務員提供本公司色卡內所有顏色之整粒樣品以作為其測試樣本時,整粒之樣品可分為以下二類。標準單位成品,每粒成品之長度為5000M。標準單位樣品,每粒樣品之長度為1000M。非標準單位樣品,每粒樣品之長度未定。客戶要求業務員提供本公司色卡,以作為其核對所需材料之顏色。客戶要求業務員依客戶供應品之顏色提供試樣時。原有客戶要求業務員協助尋找本公司產品外之其他紡織業相關產品。營業部2 申請/ 修改申請/修改業務員與貿易組主管應先了解客戶經營內容…等屬性及其要求之樣品項目與數量多寡及主要用途後,若為本公司產品外之其他紡織業相關產品,應確實了解產品特性後,填寫〝樣品申請單〞(MS-S4-1905)如附件 1,提出申請,呈請營業部主管審核,但以下條件由營業所主管核可,即可進入流程 5,進行查詢庫存量。寶塔線(1000M/粒),每色 1 個。色卡業務員或貿易組主管與客戶協商,修改客戶要求之樣品項目與數量。樣品申請單(MS-S4-1905)營業部3 審核 審核營業部主管若同意其申請,則進入流程 4,進行判定,若不同意,則回到流程 2,修改申請內容。名翔恿線股份有限公司樣品需求管理程序書文件編號MS-S2-1902制訂日期:89 年 11月 1 日修訂日期: 年 月 日版次:版 頁 次第 3 頁共 4頁四、權責單位五、作業流程六、作業內容Who,When,Where,How to do,What七、參考文件八、應用表單No 流程審核條件如下A 若是申請色卡...

1、当您付费下载文档后,您只拥有了使用权限,并不意味着购买了版权,文档只能用于自身使用,不得用于其他商业用途(如 [转卖]进行直接盈利或[编辑后售卖]进行间接盈利)。
2、本站所有内容均由合作方或网友上传,本站不对文档的完整性、权威性及其观点立场正确性做任何保证或承诺!文档内容仅供研究参考,付费前请自行鉴别。
3、如文档内容存在违规,或者侵犯商业秘密、侵犯著作权等,请点击“违规举报”。

碎片内容

XX公司品质管理程序书——样品需求

确认删除?
VIP
微信客服
  • 扫码咨询
会员Q群
  • 会员专属群点击这里加入QQ群
客服邮箱
回到顶部