电脑桌面
添加小米粒文库到电脑桌面
安装后可以在桌面快捷访问

XX公司品质管理程序书——进料检验

XX公司品质管理程序书——进料检验_第1页
1/9
XX公司品质管理程序书——进料检验_第2页
2/9
XX公司品质管理程序书——进料检验_第3页
3/9
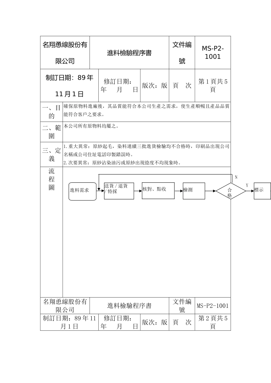
名翔恿線股份有限公司進料檢驗程序書文件編號MS-P2-1001制訂日期:89 年11 月 1 日修訂日期: 年 月 日 版次:版 頁 次第 1 頁共 5頁一、目的確保原物料進廠後,其品質能符合本公司生產之需求,使生產順暢且產品品質能符合客戶之要求。二、範圍本公司所有原物料均屬之。三、定義1.重大異常:原紗起毛,染料連續三批進貨檢驗均不合格時,印刷品出現公司名稱或公司住址電話印製錯誤時。2.次要異常:原紗沾染油污或原紗出現捻度不均現象時。流程圖名翔恿線股份有限公司進料檢驗程序書文件編號MS-P2-1001制訂日期:89 年 11月 1 日修訂日期: 年 月 日 版次:版 頁 次第 2 頁共 5頁Y記錄存查檢測標示入庫 / 移轉核對、點收合格送貨 / 退貨/ 特採進料需求N四、權責單位五、作業流程六、作業內容Who,When,Where,How to do,What七、參考文件八、應用表單No 流程廠務部營業部1 進 料需求進料需求依客戶訂單及庫存不足時,進行採購廠務部所需之原物料與營業部所需之物料。供應商廠務部2 送貨/退貨/特採送貨/退貨/特採供應商根據交貨日期交貨時,應檢附送貨單據。經判定不合格之原物料,打樣員開立〝異常處理聯絡單 〞(MS-G4-1401)如附件 1 並依【矯正與預防措施管理程序書】(MS-G2-1401)之相關規定處理,經會計員查証確實無法使用時,即通知供應商辦理退貨,由採購申請人會同製品組主管與供應商之相關人員於暫存區,依〝採購訂單〞(MS-M4-0604)如附件2 之第二聯與供應商之送貨單據,清點物品名稱與數量後,請供應商之相關人員將送貨單據註銷或補開退貨單,送交或寄給會計員,並於〝採購訂單〞(MS-M4-0604)如附件 2 之第二聯簽名並標註日期,以確認供應商已確實收到退貨,製品組主管將 〝 採 購 訂 單 〞 (MS-M4-0604)如附件 2 之第二聯交給會計員,作為付款與供應商評等之依據。不合格之原物料若因現場待料或其他因素急需使用此原物料,在不直接影響產品品質條件下,由相關單位主管依【特採處理程序書】(MS-P2-1304)之相關規定,提出特採申請。矯正與預防措施管理程序書(MS-G4-1401)特採處理程序書(MS-P2-1304)異常處理聯絡單(MS-G4-1401)採購訂單(MS-M4-0604)廠務部營業部3 核對 、點收核對、點收廠務部之原物料製品組主管請運輸公司或供應商之相關人員,將原物料分別搬運至採購訂單(MS-M4-0604)名翔恿線股份有限公司進料檢驗程序書文件編號MS-P2-1001制訂日期:89 年 11月 1 日修訂日期:...

1、当您付费下载文档后,您只拥有了使用权限,并不意味着购买了版权,文档只能用于自身使用,不得用于其他商业用途(如 [转卖]进行直接盈利或[编辑后售卖]进行间接盈利)。
2、本站所有内容均由合作方或网友上传,本站不对文档的完整性、权威性及其观点立场正确性做任何保证或承诺!文档内容仅供研究参考,付费前请自行鉴别。
3、如文档内容存在违规,或者侵犯商业秘密、侵犯著作权等,请点击“违规举报”。

碎片内容

XX公司品质管理程序书——进料检验

阳光书坊+ 关注
实名认证
内容提供者

阳光书坊,传播未来

确认删除?
VIP
微信客服
  • 扫码咨询
会员Q群
  • 会员专属群点击这里加入QQ群
客服邮箱
回到顶部