电脑桌面
添加小米粒文库到电脑桌面
安装后可以在桌面快捷访问

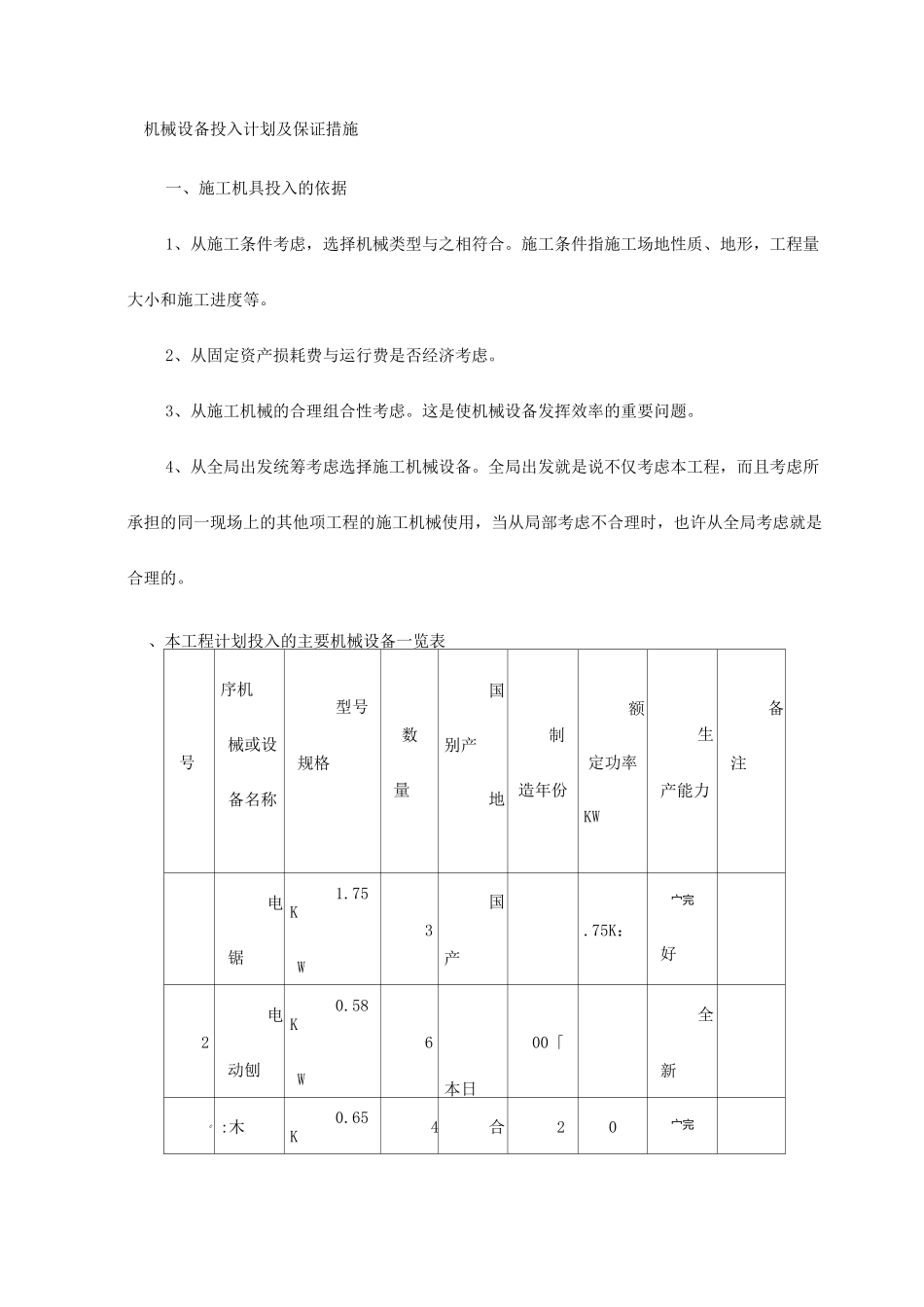
机械设备投入计划及保证措施

机械设备投入计划及保证措施_第1页
1/6
机械设备投入计划及保证措施_第2页
2/6
机械设备投入计划及保证措施_第3页
3/6
机械设备投入计划及保证措施一、施工机具投入的依据1、从施工条件考虑,选择机械类型与之相符合。施工条件指施工场地性质、地形,工程量大小和施工进度等。2、从固定资产损耗费与运行费是否经济考虑。3、从施工机械的合理组合性考虑。这是使机械设备发挥效率的重要问题。4、从全局出发统筹考虑选择施工机械设备。全局出发就是说不仅考虑本工程,而且考虑所承担的同一现场上的其他项工程的施工机械使用,当从局部考虑不合理时,也许从全局考虑就是合理的。、本工程计划投入的主要机械设备一览表号序机械或设备名称型号规格数量国别产地制造年份额定功率KW生产能力备注电锯1.75KW3国产.75K:宀完好2电动刨0.58KW6本日00「全新c :木0.65K4合20宀完工雕刻机W资001.65KW好4电动线锯0.72KW6合资合资20020.72KW全新5电焊机2.60KW8国产20022.60KW全新6空压机7.50KW8国产20037.50KW全新7云石切割机0.85KW12合资合资20020.85KW完好8角向磨光机0.50KW8合资合资20020.50KW完好9手提磨石机1.00KW8合资合资20021.00KW完好10电锤0.75KW12日本20030.75KW完好11手电钻FD10VA12合资合资20030.35KW全新12自攻钻6800PBV16合资合资20020.35KW全新13直钉枪F43013合资合资2003气动工具全新14码钉枪J42214合资合资2003气动工具全新序号机械或设备名称型号规格数量国别产地制造年份额定功率 KW生产能力备注15水准仪D62国产2001完好16高压喷涂机3955T5日本20023.00KW全新17电动打磨机DM220600MM6合资合资20031.25KW全新18环保喷枪W776合资合资2002气动工具全新19剪板机4X25001合资合资2002完好20联合角咬口机4合资合资2003全新21按扣式咬口机4合资合资2003全新22金属开孔器22合资合资2003全新23螺旋千3--512合资合资2003全新斤顶24弯头咬口机1合资合资2003全新25卷扬机It2合资合资2002完好26人字梯5—13 档2427套丝机2〃一 4〃6合资合资2003全新28台钻©13-^152合资合资2003全新三、施工机具管理计划施工设备管理主要是正确选择和使用机具设备,及时搞好施工设备的维护和保养,按计划检查和修理,建立现场施工设备使用管理制度等。其主要任务是采取技术、经济、组织措施对施工机具设备合理使用,用养结合,提高施工机具设备的使用效率,尽可能降低工程项目的机具使用成本,提高工程项目的经济效益。1、机具设备的合理使用1.1 实行人机固定和操作证制度为了使施工机具设备在最佳状态下运行使用,合理配备足够数量操作人员并实行机具使用、保养责任制是关键。现场的各种机...

1、当您付费下载文档后,您只拥有了使用权限,并不意味着购买了版权,文档只能用于自身使用,不得用于其他商业用途(如 [转卖]进行直接盈利或[编辑后售卖]进行间接盈利)。
2、本站所有内容均由合作方或网友上传,本站不对文档的完整性、权威性及其观点立场正确性做任何保证或承诺!文档内容仅供研究参考,付费前请自行鉴别。
3、如文档内容存在违规,或者侵犯商业秘密、侵犯著作权等,请点击“违规举报”。

碎片内容

机械设备投入计划及保证措施

确认删除?
VIP
微信客服
  • 扫码咨询
会员Q群
  • 会员专属群点击这里加入QQ群
客服邮箱
回到顶部