电脑桌面
添加小米粒文库到电脑桌面
安装后可以在桌面快捷访问

舵系计算书.龙de船人

舵系计算书.龙de船人_第1页
1/6
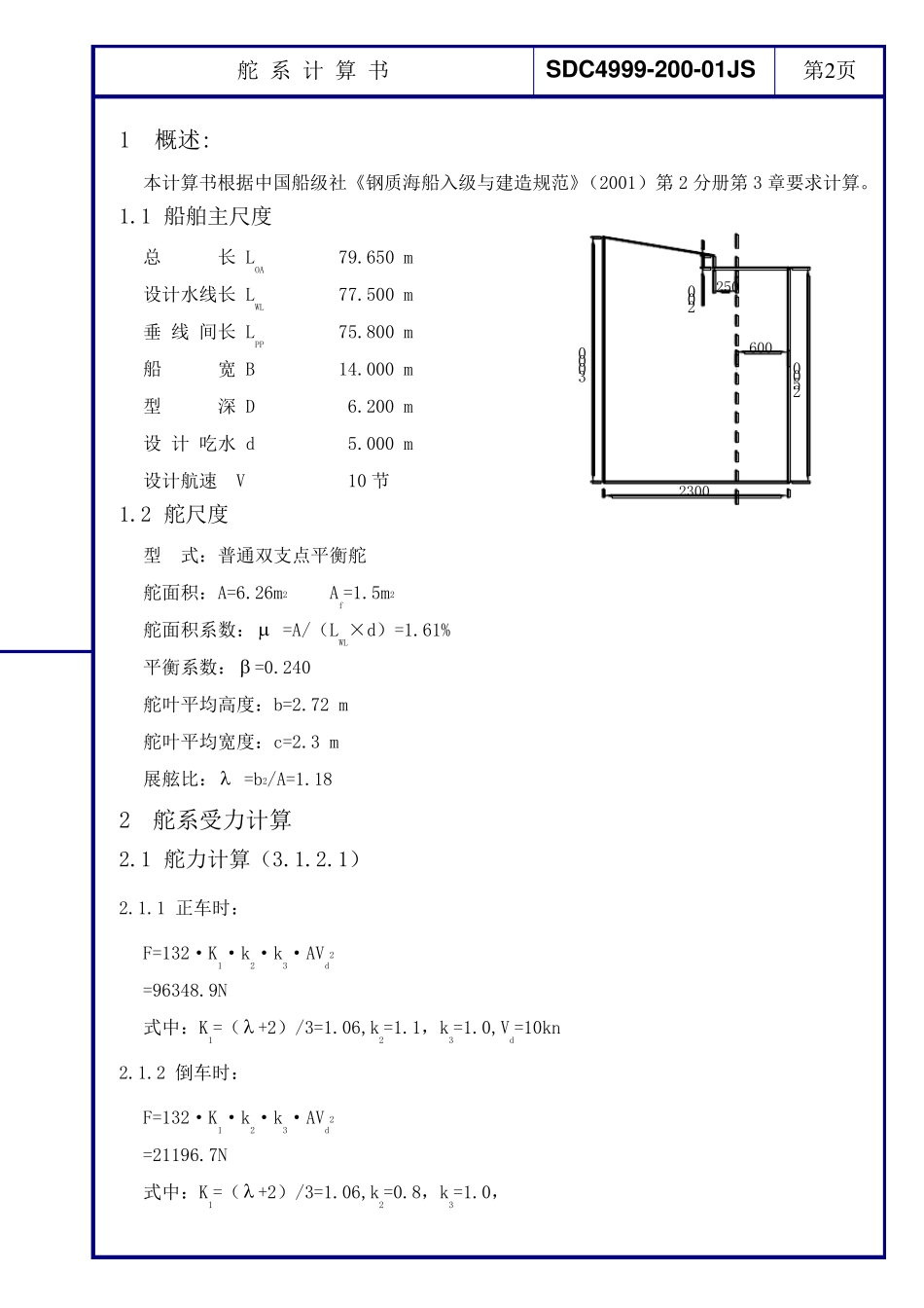
舵系计算书.龙de船人_第2页
2/6
舵系计算书.龙de船人_第3页
3/6
审 定 日 期 2004.09.02 审 核 标 检 校 对 描 校 编 制 描 打 陈希春 银河山 舵 系 计 算 书 SDC4999-200-01JS 南京顺达船舶设计有限公司 标记 数量 修改单号 签 字 日 期 总面积 m0.36 共 页 6 第 页 1 会 签 底图登记号 旧底图登记号 舵 系 计 算 书 SDC4999-200-01JS 第2 页 1 概述: 本计算书根据中国船级社《钢质海船入级与建造规范》(2001)第2 分册第3 章要求计算。 1.1 船舶主尺度 总 长 LOA 79.650 m 设计水线长 LWL 77.500 m 垂 线 间长 LPP 75.800 m 船 宽 B 14.000 m 型 深 D 6.200 m 设 计 吃水 d 5.000 m 设计航速 V 10 节 1.2 舵尺度 型 式:普通双支点平衡舵 舵面积:A=6.26m2 Af=1.5m2 舵面积系数: =A/(LWL×d)=1.61% 平衡系数: =0.240 舵叶平均高度:b=2.72 m 舵叶平均宽度:c=2.3 m 展舷比: =b2/A=1.18 2 舵系受力计算 2.1 舵力计算(3.1.2.1) 2.1.1 正车时: F=132·K1·k2·k3·AVd2 =96348.9N 式中:K1=( +2)/3=1.06,k2=1.1,k3=1.0,Vd=10kn 2.1.2 倒车时: F=132·K1·k2·k3·AVd2 =21196.7N 式中:K1=( +2)/3=1.06,k2=0.8,k3=1.0, 300020025060025002300 舵 系 计 算 书 SDC4999-200-01JS 第3 页 Vd应不小于0.5V,取Vd=0.55V=5.5KN 2.2 舵杆扭矩(3.1.3.1),(3.1.3.2) 2.2.1 正车时: T=F·R=22160.2 N·m 式 中:R=C( -  )=0.207 R 的取值应不小0.1C=0.23, 取R=0.23 其 中:C=2.3 m,  =0.33,  =0.24, F=96348.9 N 2.2.2 倒车时: T=F·R=20476.0 N·m 式 中:)(CR0.966 其 中:C=2.3m,  =0.66,  =0.24, F=21196.7 N 2.3 舵机选择 考虑风浪与舵系磨擦因素: T总=1.5T=33240.3N·m 选用 35KN·m 电动液压拨缸式舵机一台。 2.4 舵杆、舵叶系统的受力(3.1.4.5) 2.4.1 按如图所示的计算模型用直接计算法确定。 图中:l1=1.8m l2=0.52m l3=2.5m l4=0.22m l= l3+ l4+ l2=3.24m 计算载荷 P 正车:P=F/l3= 38539.56 N/m 倒车:P=F/l3= 8478.68 N/m 2.4.2 下舵承至舵叶间的最大弯矩MB(3.1.4.5) )2()(6.0.1.0234321llFlllFlFMB34107.5N·m 式中 F=96348.9N 取FA=0.1F FC=0.6F 舵 系 计 算 书 SDC4999-200-01JS 第4页 2.4.3 尾框底骨...

1、当您付费下载文档后,您只拥有了使用权限,并不意味着购买了版权,文档只能用于自身使用,不得用于其他商业用途(如 [转卖]进行直接盈利或[编辑后售卖]进行间接盈利)。
2、本站所有内容均由合作方或网友上传,本站不对文档的完整性、权威性及其观点立场正确性做任何保证或承诺!文档内容仅供研究参考,付费前请自行鉴别。
3、如文档内容存在违规,或者侵犯商业秘密、侵犯著作权等,请点击“违规举报”。

碎片内容

舵系计算书.龙de船人

小辰+ 关注
实名认证
内容提供者

出售各种文档和资料

相关文档

确认删除?
VIP
微信客服
  • 扫码咨询
会员Q群
  • 会员专属群点击这里加入QQ群
客服邮箱
回到顶部