电脑桌面
添加小米粒文库到电脑桌面
安装后可以在桌面快捷访问

船舶静水力曲线计算

船舶静水力曲线计算_第1页
1/9
船舶静水力曲线计算_第2页
2/9
船舶静水力曲线计算_第3页
3/9
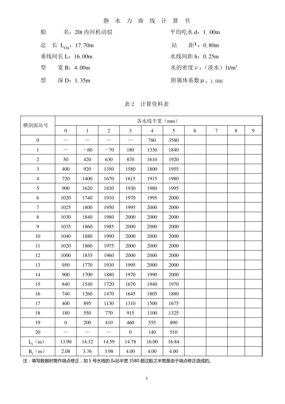
1 船舶静水力曲线计算 一、船舶静水力曲线计算任务书 1、设计课题 1)800t 油船静水力曲线图绘制 2)9000t 油船静水力曲线图绘制 3)86.75m 简易货船静水力曲线图绘制 4)5200hp 拖船静水力曲线图绘制 5)7000t 油船静水力曲线图绘制 6)12.5m 多功能工作艇静水力曲线图绘制 2、设计任务 船舶静水力曲线的计算是在完成船舶静力学课程的教学任务下,按照静水力曲线计算课程设计的要求,在提供所设计船舶全套型线图纸的前提下,完成静水力曲线的计算和绘制。 3、计算方法 (1)计算机程序计算 (2)手工计算(包括:梯形法、辛氏法、乞氏法等)。 本课程设计计算以梯形法为例,因其原理相同,其余方法在此不做介绍,可参考教材和相关书籍。 4、完成内容 静水力曲线计算书一份及静水力曲线图一张(用 A3 坐标纸) 二、船舶静水力曲线计算指导书 本静水力曲线计算指导书以内河 20t 机动驳计算实例为例。 (一)前言 静水力曲线是表达船在静水正浮各种吃水情况下的各浮性及初稳性系数,并作为稳性计算、纵倾计算及其他计算的基础。通过计算可得到船舶的各项性能参数,其主要内容见表1。 2 表 1 静 水 力 曲 线 图 的 内 容 ( 二 ) 设 计 前 的 准 备 和 已 知 条 件 1、 设 计 前 的 预 习 与 准 备 静 水 力 曲 线 计 算 , 首 先 是 要 熟 悉 所 计 算 船 的 主 尺 度 及 各 船 型 参 数 , 然 后 是 熟 悉 各 类 计 算 公 式 ,选 用 计 算 方 法 。 其 次 是 进 行 计 算 , 按 计 算 结 果 绘 制 曲 线 图 , 最 后 进 行 检 验 和 修 改 , 完 成 静 水 力 曲 线的 计 算 任 务 。 2、 已 知 条 件 20t 内 河 机 动 驳 型 线 图 一 套 , 梯 形 法 表 格 一 套 , 见 静 水 力 曲 线 计 算 书 。 ( 三 ) 设 计 的 主 要 任 务 1、 计 算 公 式 A= [(y0+y1+······+yn-1+yn)- 1 2 ( y0+yn) ] 梯 形 法 基 本 式 A= [(y0+y1)+( y1+y2) +······+( yn-1+yn) ] 梯 形 法 变 上 限 积 分 式 式 中 :  — 等 分 坐 标 间 距 。 注 : y1 表 示 各 站 号 的 纵 坐 标 值 ( i=1, ···, n) 2、 静 水 力 曲 线 计 算 表 格 及 算...

1、当您付费下载文档后,您只拥有了使用权限,并不意味着购买了版权,文档只能用于自身使用,不得用于其他商业用途(如 [转卖]进行直接盈利或[编辑后售卖]进行间接盈利)。
2、本站所有内容均由合作方或网友上传,本站不对文档的完整性、权威性及其观点立场正确性做任何保证或承诺!文档内容仅供研究参考,付费前请自行鉴别。
3、如文档内容存在违规,或者侵犯商业秘密、侵犯著作权等,请点击“违规举报”。

碎片内容

船舶静水力曲线计算

小辰+ 关注
实名认证
内容提供者

出售各种文档和资料

确认删除?
VIP
微信客服
  • 扫码咨询
会员Q群
  • 会员专属群点击这里加入QQ群
客服邮箱
回到顶部