电脑桌面
添加小米粒文库到电脑桌面
安装后可以在桌面快捷访问

艾默生SDC空调使用说明手册

艾默生SDC空调使用说明手册_第1页
1/10
艾默生SDC空调使用说明手册_第2页
2/10
艾默生SDC空调使用说明手册_第3页
3/10
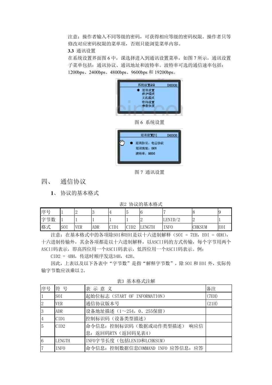
艾默生SDC 空调使用说明手册 一、 设备用途 向地下吹风的打空调,用于机房温湿度调节。 二、 接口类型 通讯接口采用RS485/232 方式。 信息传输方式为异步方式,起始位1位,数据位8位,停止位1位,无校验。 数据传输速率为 1200、2400、4800、9600 和 19200bps 可以设置。 三、 通信参数设置 1 、 控制器 SDC 系列空调的控制器为 PACC 控制器,采用240*128 点阵蓝色背光液晶显示屏显示,用户界面操作简单。多级密码保护,能有效防止非法操作。控制器具有掉电自恢复功能。通过菜单操作可以准确了解各主要部件运行时间。专家级故障诊断系统,可以自动显示当前故障内容,方便维护人员进行设备维护。可存储200 多条历史事件记录,配置 RS485 接口,通信协议采用信息产业部标准通信协议,控制器面包那如图1 所示 图1 控制器面板 2 、 操作键 功能说明 控制器有 5 个 操作键 ,分 别 是 开 /关 键 、退 出 键 、上 移 键 、下移 键 和回 车 键 。功能见 下表 : 表 1 操作键 功能说明 按 键 名 称 功能说明 开 /关 机键 开 启 和关 闭 机组 退 出 键 按 此 键 推 出 本 级菜单进入 上 级菜单; 参数修 改 过程 中 ,按 此 键 可放 弃 修 改 ; 长 按 此 键 ,进入 帮 助 菜单,帮 助 菜单将 详 细 列出 数据区 域 的最 大 值 、最 小 值 、默认 值 及 简单描 述 ; 在 有报 警 发 生时,按 此键 可消 除 报 警 声 。 上 移 键 按 此 键 可将 菜单中 的光标上 移 或 增 加 显示的参数设定 值 ; 如果 该 设定 参数为复选 项 ,按 此 键 则 滚 动显示相 关 选 项 ; 当菜单多屏显示时,按 此 键 可向上 翻 页 。 回 车 键 按 此 键 可进入 下一级菜单或 确定 参数设定 值 。 下移 键 按 此 键 可将 菜单中 的光标下移 或 减 小 显示的参数设定 值 。如果 该 设定 参数为复选 项 ,按 此 键 则 滚 动显示相 关 选 项 ; 当菜单多屏显示时,按 此 键 可向下翻 页 。 回 车 键 +上 移 键 此 为组 合 键 ,按 住 回 车 键 ,再 按 上 移 键 ,再 放 回 车 键 ,完 成 一次 按 键 操作。该 组 合 键 用于查 看 上 一空调机的状态。 回车键+下移键 此为组合键,按住回车键,再按下移...

1、当您付费下载文档后,您只拥有了使用权限,并不意味着购买了版权,文档只能用于自身使用,不得用于其他商业用途(如 [转卖]进行直接盈利或[编辑后售卖]进行间接盈利)。
2、本站所有内容均由合作方或网友上传,本站不对文档的完整性、权威性及其观点立场正确性做任何保证或承诺!文档内容仅供研究参考,付费前请自行鉴别。
3、如文档内容存在违规,或者侵犯商业秘密、侵犯著作权等,请点击“违规举报”。

碎片内容

艾默生SDC空调使用说明手册

您可能关注的文档

确认删除?
VIP
微信客服
  • 扫码咨询
会员Q群
  • 会员专属群点击这里加入QQ群
客服邮箱
回到顶部