电脑桌面
添加小米粒文库到电脑桌面
安装后可以在桌面快捷访问

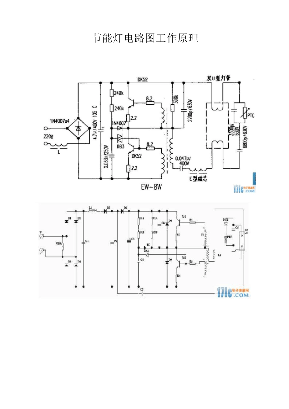
节能灯电路图工作原理

节能灯电路图工作原理_第1页
1/21
节能灯电路图工作原理_第2页
2/21
节能灯电路图工作原理_第3页
3/21
节能灯电路图工作原理 电子镇流器知识(一) 一、 电子镇流器知识 1、 概述: 20 世纪 70 年代出现了世界性的能源危机,节约能源的紧迫感使许多公司致力于节能光源和荧光灯电子镇流器的研究,随着半导体技术飞速发展,各种高反压功率开关器件不断涌现,为电子镇流器的开发提供了条件,70 年代末,国外厂家率先推出了第一代电子镇流器,是照明发展史上一项重大的创新。由于它具有节能等许多优点,引起了全世界的极大关注和兴趣,认为是取代电感镇流器的理想产品,随后一些著名的企业都投入了相当的人力、物力来进行更高一级的研究与开发。由于微电子技术突飞猛进,促进了电子镇流器向高性能高可靠性方向发展,许多半导体公司推出了专用功率开关器件和控制集成电路的系列产品,1984 年,西门子公司开发出了 TPA4812 等有源功率因数校正电器IC,功率因数达到 0.99。随后一些公司相继推出集成电子镇流器,89 年芬兰赫尔瓦利公司又成功推出可调光单片集成电路电子镇流器,电子镇流器目前在全世界特别是发达国家已全国推广应用。 我国对电子镇流器的研究开发起步较晚,技术起点低,早期对这一产品的难度和复杂性认识不足,专用半导体器件开发未跟上,产品质量过不了关,而且市场极不规范,大量的低价劣质品被抛向市场,使消费者蒙受损失,严重损害了电子镇流器的形象。90 年代后期,由于生产水平有了迅速发展和提高,从电路设计到了电子器件的配套都进入了较成熟阶段,优质产品进入建筑工程,随着我国绿色照明工程的实施,为电子镇流器推广应用铺平了道路,国产电子镇流器必将迅速赶上国际先进水平,在竞争的国际市场中占有一席之地。 2、电感镇流器和电子镇流器的工作原理: 为了使荧光灯正常工作,必须满足三个条件: a、 灯丝的预热电流或灯丝电流 b、 高电压启动 c、 限制工作电流 电子镇流器知识(二) 当开关闭合电路中施加220V 50HZ 的交流电源时,电流流过镇流器,灯管灯丝启辉器给灯丝加热(启辉器开始时是断开的,由于施压了一个大于 190V 以上的交流电压,使得启辉器内的跳泡内的气体弧光放电,使得双金属片加热变形,两个电极靠在一起,形成通路给灯丝加热),当启动器的两个电极靠在一起,由于没有弧光放电,双金属片冷却,两极分开,由于电感镇流器呈感性,当电路突然中断时,在灯两端会产生持续时间约1ms的 600V-1500V 的脉冲电压,其确切的电压值取决于灯的类型,在放电的情况下,灯的两端电压立即下降...

1、当您付费下载文档后,您只拥有了使用权限,并不意味着购买了版权,文档只能用于自身使用,不得用于其他商业用途(如 [转卖]进行直接盈利或[编辑后售卖]进行间接盈利)。
2、本站所有内容均由合作方或网友上传,本站不对文档的完整性、权威性及其观点立场正确性做任何保证或承诺!文档内容仅供研究参考,付费前请自行鉴别。
3、如文档内容存在违规,或者侵犯商业秘密、侵犯著作权等,请点击“违规举报”。

碎片内容

节能灯电路图工作原理

您可能关注的文档

确认删除?
VIP
微信客服
  • 扫码咨询
会员Q群
  • 会员专属群点击这里加入QQ群
客服邮箱
回到顶部