电脑桌面
添加小米粒文库到电脑桌面
安装后可以在桌面快捷访问

产品名称系列方柱立式钻床

产品名称系列方柱立式钻床_第1页
1/1
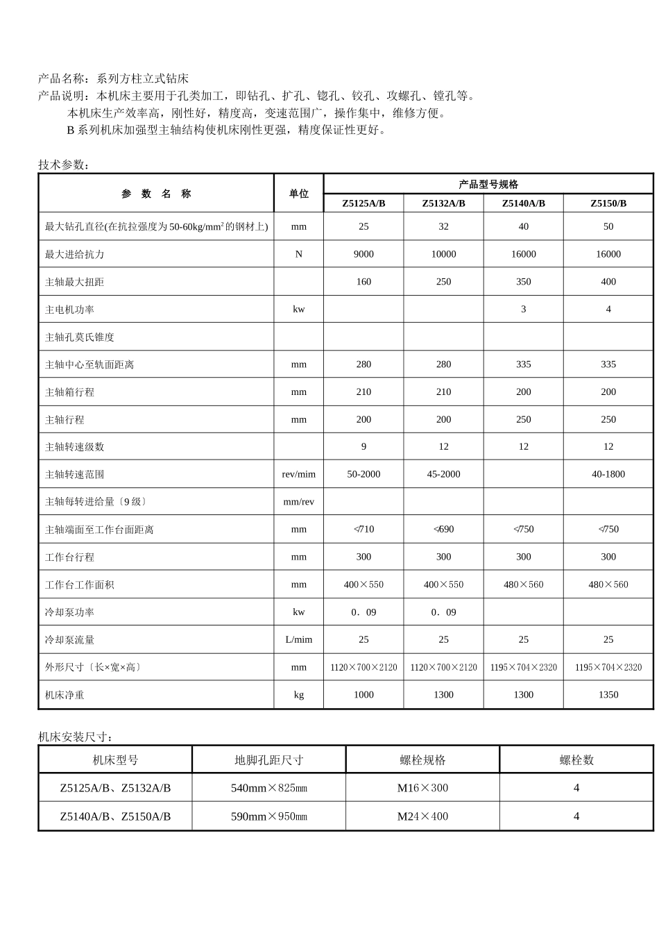
产品名称:系列方柱立式钻床产品说明:本机床主要用于孔类加工,即钻孔、扩孔、锪孔、铰孔、攻螺孔、镗孔等。 本机床生产效率高,刚性好,精度高,变速范围广,操作集中,维修方便。 B 系列机床加强型主轴结构使机床刚性更强,精度保证性更好。技术参数:参 数 名 称单位产品型号规格Z5125A/BZ5132A/BZ5140A/BZ5150/B最大钻孔直径(在抗拉强度为 50-60kg/mm2的钢材上)mm25324050最大进给抗力N9000100001600016000主轴最大扭距160250350400主电机功率kw34主轴孔莫氏锥度主轴中心至轨面距离mm280280335335主轴箱行程mm210210200200主轴行程mm200200250250主轴转速级数9121212主轴转速范围rev/mim50-200045-200040-1800主轴每转进给量〔9 级〕mm/rev主轴端面至工作台面距离mm≮�710≮�690≮�750≮�750工作台行程mm300300300300工作台工作面积mm400×550400×550480×560480×560冷却泵功率kw0.090.09冷却泵流量L/mim25252525外形尺寸〔长×宽×高〕mm1120×700×21201120×700×21201195×704×23201195×704×2320机床净重kg1000130013001350机床安装尺寸:机床型号地脚孔距尺寸螺栓规格螺栓数Z5125A/B、Z5132A/B540mm×825mmM16×3004Z5140A/B、Z5150A/B590mm×950mmM24×4004

1、当您付费下载文档后,您只拥有了使用权限,并不意味着购买了版权,文档只能用于自身使用,不得用于其他商业用途(如 [转卖]进行直接盈利或[编辑后售卖]进行间接盈利)。
2、本站所有内容均由合作方或网友上传,本站不对文档的完整性、权威性及其观点立场正确性做任何保证或承诺!文档内容仅供研究参考,付费前请自行鉴别。
3、如文档内容存在违规,或者侵犯商业秘密、侵犯著作权等,请点击“违规举报”。

碎片内容

产品名称系列方柱立式钻床

人从众+ 关注
实名认证
内容提供者

欢迎光临小店,本店以公文和教育为主,希望符合您的需求。

确认删除?
VIP
微信客服
  • 扫码咨询
会员Q群
  • 会员专属群点击这里加入QQ群
客服邮箱
回到顶部