电脑桌面
添加小米粒文库到电脑桌面
安装后可以在桌面快捷访问

设备档案模板59364VIP专享

设备档案模板59364_第1页
1/12
设备档案模板59364_第2页
2/12
设备档案模板59364_第3页
3/12
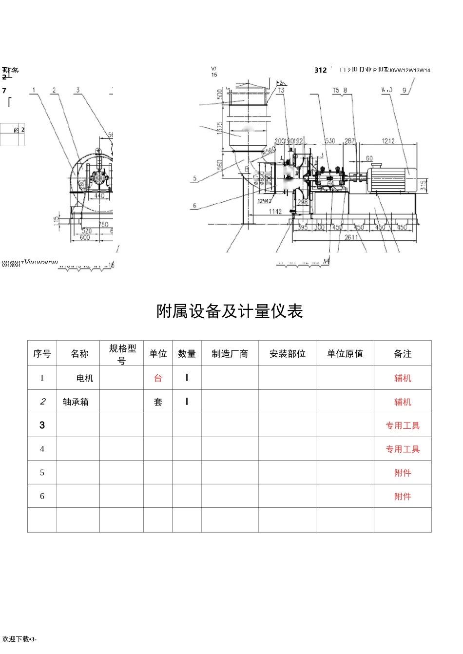
萍 臥 妄 迦”12—K1105A洼 曲 惟◎“虫 去®「 萍 国BS”欢迎下载•2-设备技术特性卡片备称设名稀释风机制造厂商江苏金通灵结构型式离心式,单吸,单支撑出厂日期规格型号G6-30-llNol0.3D出厂编号主要材质Q345/JQ690E资产编号重量Kg原值投用日期安装地点磨煤框架二层用途简介补充 F1101 入口的风量降低风道中水分含量技术特性:电动机,离心式,单吸,单支撑,质量流量最小正常最大 1.9/3.56/8.64kg/m3,密度正常最大1.09/1.09kg/m3,体积流量 11758/28536m3/h,入口温度环境温度,额定转速 2900rmp装置部:气化装置工段/单元:磨煤位号:12-K1105A欢迎下载•3-设备的 2「7「—O:y309.I附属设备及计量仪表序号名称规格型号单位数量制造厂商安装部位单位原值备注I电机台I辅机2轴承箱套I辅机3专用工具4专用工具5附件6附件T2V/15口 2 世卩业 P 世&lJ0VW12W13W14T312W18W1W16W17VW1W2W3W欢迎下载•4・设备易损件清单序号名称规格型号材质数量安装部位单价(元)备注1风机壳体垫片2开车备件(合同自带)2轴封834风机壳体垫片2两年备品备件(自采)5轴封86联轴器17欢迎下载•5・设备到货验收记录设备需称设备位号规格型号数量到货日期1稀释风机12-K1105AG6-30-llNol0.3D12验收检査记录存在问题风险报告中设备名称错误,出厂报告中产品编号无法与设备一一对应。欢迎下载-6-整改情况验收结果检/复查人:李晓帅记录人:倪永杰设备安装情况记录序号设备需称规格型号安装位置安装日期1稀释风机G6-30-llNol0.3D磨煤框架二层安装检査记录记录内容具体见随机资料及安装施工要求,如:机组对中、找平、找正原始数据记录,过程数据记录等欢迎下载-7-检查人:李晓帅SS电机(M)记录人:倪永杰设备润滑图表设备位号12-K1105A设备名称稀释风机设备润滑简图润滑点 2 汹溝点 3欢迎下载•8・润滑部位润滑点数油(脂)牌号冬季牌号首次加量换油(脂)周期(天)补油(脂)方式备注电机前轴承12#锂基脂或则 3#锂基脂2#锂基脂或则3#锂基脂约 60g/台1500h手工给油润滑电机后轴承12#锂基脂或则 3#锂基脂2#锂基脂或则3#锂基脂约3.5L/台1500h手工给油润滑轴承箱前后轴承1L-TSA46L-TSA4690d油环润滑设备试车情况记录检查试车人员:记录欢迎下载-9-序号设备拿称规格型号试车日期1稀释风机12-KU05A设备试车记录欢迎下载・10・设备零部件更换记录设备名称:稀释风机设备位号:12-K1105A欢迎下载・11・设备运行状况卡片设备名称稀释风机规格型号G6-30-llNol0.3D设备位号12—K1105A生产厂家江苏金通灵安装付胃磨煤框架二层初次投入运行时间月份123456789101112・12・欢迎下载

1、当您付费下载文档后,您只拥有了使用权限,并不意味着购买了版权,文档只能用于自身使用,不得用于其他商业用途(如 [转卖]进行直接盈利或[编辑后售卖]进行间接盈利)。
2、本站所有内容均由合作方或网友上传,本站不对文档的完整性、权威性及其观点立场正确性做任何保证或承诺!文档内容仅供研究参考,付费前请自行鉴别。
3、如文档内容存在违规,或者侵犯商业秘密、侵犯著作权等,请点击“违规举报”。

碎片内容

设备档案模板59364

确认删除?
VIP
微信客服
  • 扫码咨询
会员Q群
  • 会员专属群点击这里加入QQ群
客服邮箱
回到顶部