


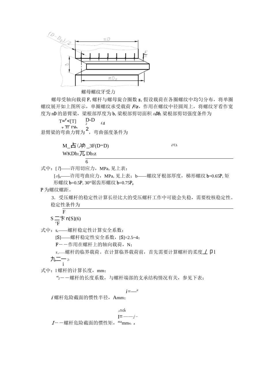
15m/min-1~2---摩擦因数“0.06〜0.080.08〜0.100.08〜0.100.1〜0.120.12〜0.15注:e 值小时[p]取大值,e 值大时[p]取小值。对矩形螺纹和梯形螺纹,h=0.5PF~d>0.8——2机 P]对 30°锯齿形螺纹,h=0.75P根据以上公式计算 d2后,应根据国家标准选择满足条件的螺纹公称直径 d 和螺距 P。1.螺杆强度计算螺旋传动工作中,螺杆受轴向载荷作用产生拉(压)应力,受螺纹力矩作用产生切应力,根据第四强度理论,强度条件为if4F 丫式中:T——螺杆所受转矩;dT=Ftan(屮+p)2va――牙型角;%――螺杆螺纹小径;[6v 许用当量应力,参见下表。滑动螺旋副的许用应力螺杆许用应力螺母螺纹牙许用应力园/MPav许用当量应力材料切应力[T]/MPa弯曲应力 0]b/MPaO[O]=—S-v3~5GS为材料的屈服强度青铜30~4040~60耐磨铸铁4050~60灰铸铁4045〜55注:静载时许用应力取大值。2.螺母螺纹牙强度计算螺纹牙可能因剪切或弯曲失效,由于螺母材料的强度通常低于螺...
1、当您付费下载文档后,您只拥有了使用权限,并不意味着购买了版权,文档只能用于自身使用,不得用于其他商业用途(如 [转卖]进行直接盈利或[编辑后售卖]进行间接盈利)。
2、本站所有内容均由合作方或网友上传,本站不对文档的完整性、权威性及其观点立场正确性做任何保证或承诺!文档内容仅供研究参考,付费前请自行鉴别。
3、如文档内容存在违规,或者侵犯商业秘密、侵犯著作权等,请点击“违规举报”。
碎片内容