电脑桌面
添加小米粒文库到电脑桌面
安装后可以在桌面快捷访问

盾构接收技术交底记录大全

盾构接收技术交底记录大全_第1页
1/26
盾构接收技术交底记录大全_第2页
2/26
盾构接收技术交底记录大全_第3页
3/26
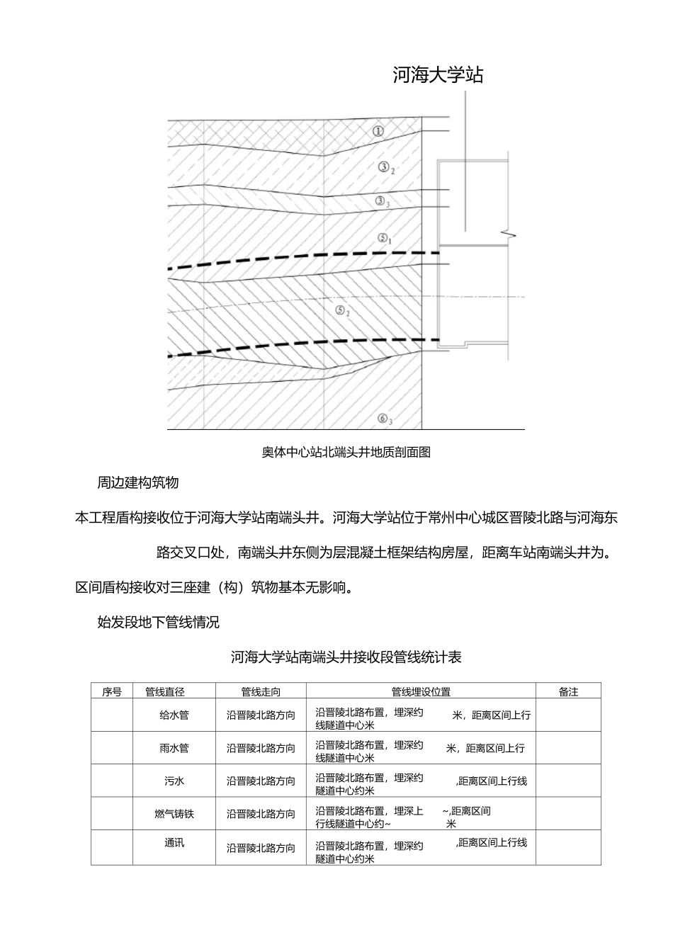
盾构接收技术交底工程名称奥体中心站~河海大学站区间—奥体中心站~河海大学站宀一十—交底部位、工序名称盾构接收施工区间交底提要:工程概况;盾构始发地基加固;备用降水井;准备工作盾构接收施工;安全文明施工;质量保证措施;风险分析及应急措施;应急预案。交底内容:、工程概况设计概况本标段包括两站两区间,合同工程范围为:市民广场站、市民广场站~奥体中心站区间、奥体中心站、奥体中心站~河海大学站区间。市民广场站位于晋陵路与锦绣路交叉口;奥体中心站位于晋陵北路与龙锦路交叉口。区间隧道沿晋陵路布置,自晋陵路与锦绣路交叉口开始,至晋陵北路与河海路交叉口结束。本此技术交底范围为:奥体中心站~河海大学站区间上行线盾构始发施工。区间设计概况项目名称奥体中心站~河海大学站区间设计概况地理位置位于常州中心城区,沿晋陵北路敷设起~终点里程区间长度米)上行线,环,下行线,环曲线半径左转下行线、上行线纵坡%o—%o—%o—%0一%0埋深范围线间距联络通道、泵站个联络通道(兼泵站)施工工法区间采用盾构法施工;联络通道及泵站采用冷冻法加固地层,矿山法施工。管片片外径、内径、宽度,釆用通用楔形环,双面楔形量本标段采用通用环衬砌环类型,隧道内经 m,管片幅宽,厚度 mm,管片采用分块,其中一块小封顶块,两块邻接块和三块标准块,封顶块()管片圆心角为。,标准块管片块分别为、、圆心角为。,邻接块管片左右各一块(分别为、),圆心角为°,纵向接头为处,按。等角度布置;联络通道处区间隧道采用钢管片和钢筋混凝土管片组成的复合型管片环。管片环缝和纵缝均采用级或级“型”螺栓连接,环向管片间设个单排螺栓,纵向设个螺栓,管片中心处设一个吊装孔,兼作二次注浆孔。管片环纵缝采用三元乙丙橡胶密封条止水,管片与周围土体间隙采用同步注浆填充。工程地质奥体中心站~河海大学站区间隧道主要穿越的地层为:⑤粉砂夹粉土层、⑤粉砂层、⑤粉砂夹粉土层、⑥粉质粘土层、⑥粉质粘土层。盾构接收涉及地层主要为⑤粉砂夹粉土层、⑤粉砂层。河海大学站奥体中心站北端头井地质剖面图周边建构筑物本工程盾构接收位于河海大学站南端头井。河海大学站位于常州中心城区晋陵北路与河海东路交叉口处,南端头井东侧为层混凝土框架结构房屋,距离车站南端头井为。区间盾构接收对三座建(构)筑物基本无影响。始发段地下管线情况河海大学站南端头井接收段管线统计表序号管线直径管线走向管线埋设位置备注给水管沿晋陵北路方向沿...

1、当您付费下载文档后,您只拥有了使用权限,并不意味着购买了版权,文档只能用于自身使用,不得用于其他商业用途(如 [转卖]进行直接盈利或[编辑后售卖]进行间接盈利)。
2、本站所有内容均由合作方或网友上传,本站不对文档的完整性、权威性及其观点立场正确性做任何保证或承诺!文档内容仅供研究参考,付费前请自行鉴别。
3、如文档内容存在违规,或者侵犯商业秘密、侵犯著作权等,请点击“违规举报”。

碎片内容

盾构接收技术交底记录大全

确认删除?
VIP
微信客服
  • 扫码咨询
会员Q群
  • 会员专属群点击这里加入QQ群
客服邮箱
回到顶部